电脑桌面
添加小米粒文库到电脑桌面
安装后可以在桌面快捷访问

火灾自动报警系统施工及验收规范-系--统--竣--工--表

火灾自动报警系统施工及验收规范-系--统--竣--工--表_第1页
1/3
火灾自动报警系统施工及验收规范-系--统--竣--工--表_第2页
2/3
火灾自动报警系统施工及验收规范-系--统--竣--工--表_第3页
3/3
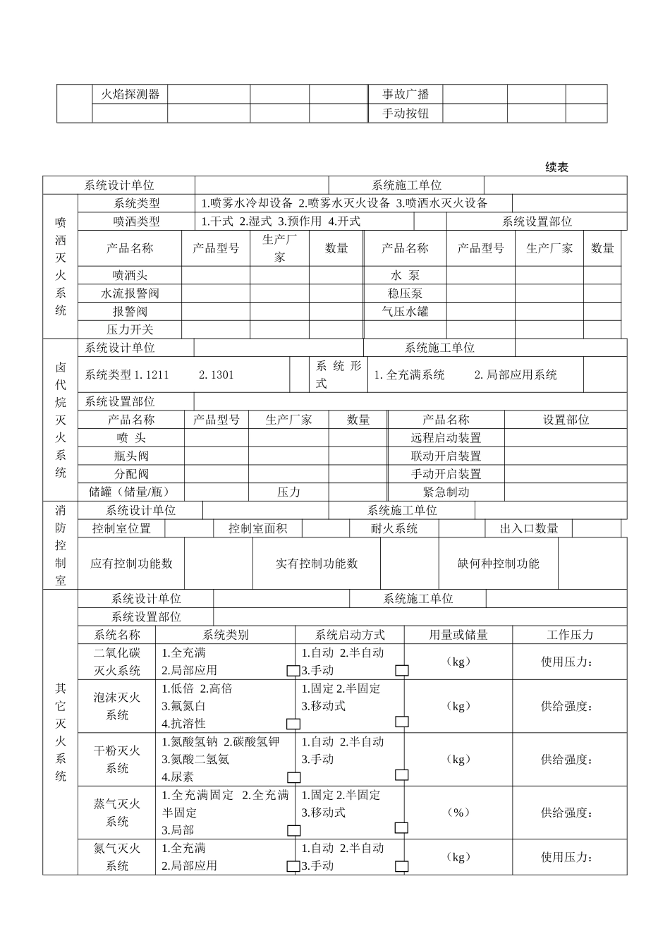
《火灾自动报警系统施工及验收法律规范》(GB50166-92)附表附录二 系 统 竣 工 表(用户填写)验收时间:工程名称验收的建筑名称隐蔽工程记录验收报告系统竣工图设计更改设计更改内容工程验收情况1.有2.无1.有2.无1.有2.无1.有2.无1.合格2.基本合格3.不合格主 要 消 防 设 施消火栓系统产品名称产品型号生产厂家数量产品名称产品型号生产厂家数量室内消火栓水泵接合器室外消火栓气压水罐消防水泵稳压泵通风空调系统产品名称产品型号生产厂家数量产品名称产品型号生产厂家数量风机防 火 阀防排烟系统方 式部 位1.自然排烟 2.机械排烟 3.通风兼排烟产品名称产品型号生产厂家数量防烟楼梯间防火阀前室及合用前室送风机走 道排风机房 间排烟阀自然排烟口面积机械排烟送风量机械排烟风量m2m3/hm3/h安全疏散系统设施名称及有无状况产品名称产品型号生产厂家数量疏散指示标志1.有 2.无防火门消防电源1.有 2.无防火卷帘事故照明1.有 2.无消防电梯火灾报警系统系统设计单位施工单位形式 1.区域报警 2.集中报警 3.控制中心报警设置部位产品名称产品型号生产厂家数量产品名称产品型号生产厂家数量感烟探测器集中报警器感温探测器区域报警器火焰探测器事故广播手动按钮续表系统设计单位系统施工单位喷洒灭火系统系统类型1.喷雾水冷却设备 2.喷雾水灭火设备 3.喷洒水灭火设备喷洒类型1.干式 2.湿式 3.预作用 4.开式系统设置部位产品名称产品型号生产厂家数量产品名称产品型号生产厂家数量喷洒头水 泵水流报警阀稳压泵报警阀气压水罐压力开关卤代烷灭火系统系统设计单位系统施工单位系统类型 1.1211 2.1301系 统 形式1.全充满系统 2.局部应用系统系统设置部位产品名称产品型号生产厂家数量产品名称设置部位喷 头远程启动装置瓶头阀联动开启装置分配阀手动开启装置储罐(储量/瓶)压力紧急制动消防控制室系统设计单位系统施工单位控制室位置控制室面积耐火系统出入口数量应有控制功能数实有控制功能数缺何种控制功能其它灭火系统系统设计单位系统施工单位系统设置部位系统名称系统类别系统启动方式用量或储量工作压力二氧化碳灭火系统1.全充满2.局部应用1.自动 2.半自动3.手动(kg)使用压力:泡沫灭火系统1.低倍 2.高倍3.氟氮白4.抗溶性1.固定 2.半固定3.移动式(kg)供给强度:干粉灭火系统1.氮酸氢钠 2.碳酸氢钾3.氮酸二氢氨4.尿素1.自动 2.半自动3.手动(kg)供给强度:蒸气灭火系统1.全充满固定 2.全充满半固定3....

1、当您付费下载文档后,您只拥有了使用权限,并不意味着购买了版权,文档只能用于自身使用,不得用于其他商业用途(如 [转卖]进行直接盈利或[编辑后售卖]进行间接盈利)。
2、本站所有内容均由合作方或网友上传,本站不对文档的完整性、权威性及其观点立场正确性做任何保证或承诺!文档内容仅供研究参考,付费前请自行鉴别。
3、如文档内容存在违规,或者侵犯商业秘密、侵犯著作权等,请点击“违规举报”。

碎片内容

火灾自动报警系统施工及验收规范-系--统--竣--工--表

您可能关注的文档

确认删除?
VIP
微信客服
  • 扫码咨询
会员Q群
  • 会员专属群点击这里加入QQ群
客服邮箱
回到顶部