电脑桌面
添加小米粒文库到电脑桌面
安装后可以在桌面快捷访问

焊接培训考试题VIP专享

焊接培训考试题_第1页
1/5
焊接培训考试题_第2页
2/5
焊接培训考试题_第3页
3/5
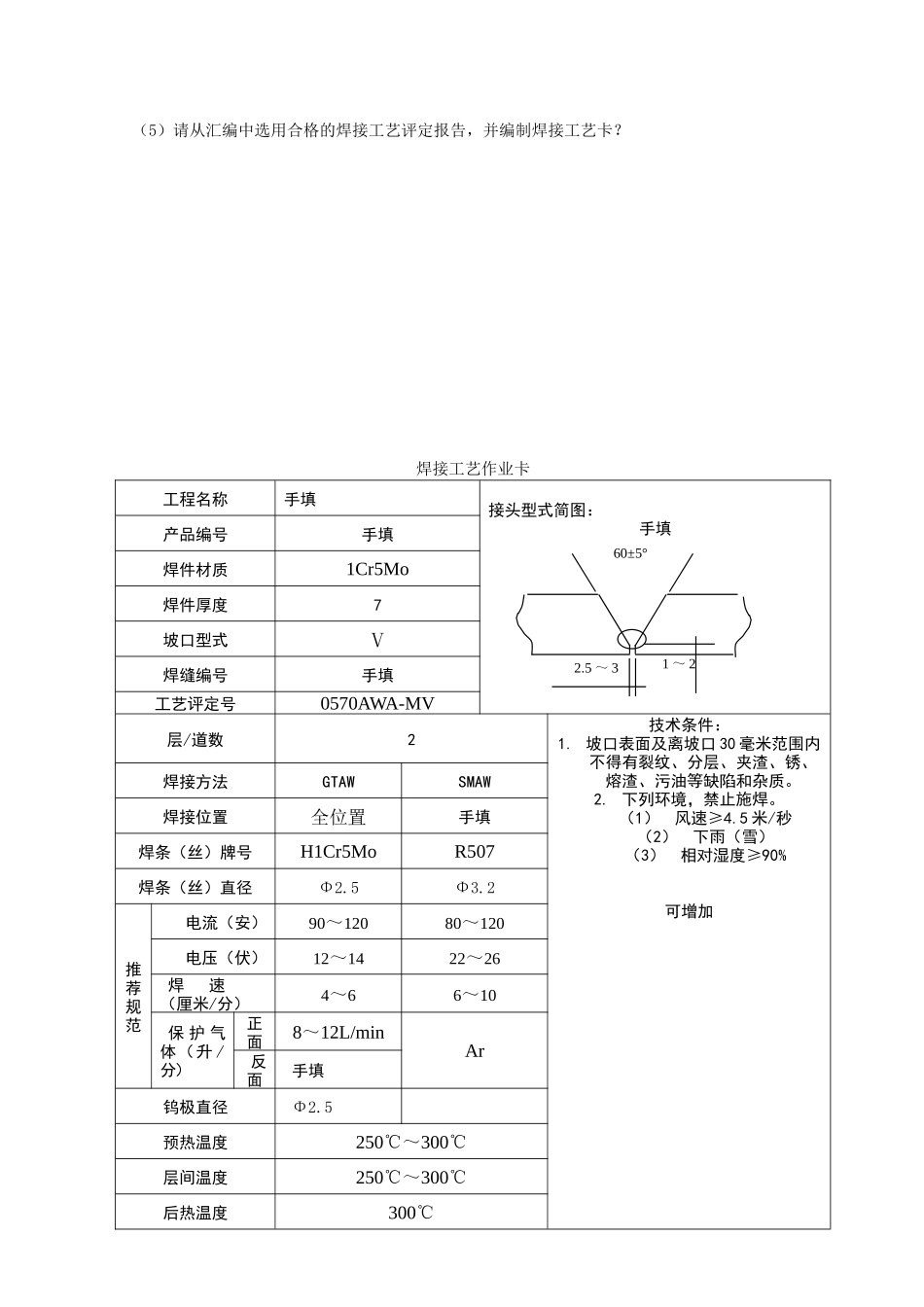
焊接培训考试题一推断题(每题 3 分,共 45 分)1、IV 类钢号焊工技能考试合格后,则焊接较低类别钢号时不需重新考试。 (×)2、某焊工用手工钨极氩弧焊对接 3×Φ57 的奥氏体不锈钢管,水平固定,单面焊双面成形,背面不用氩气保护,用不锈钢药芯焊丝。项目的代号为 GTAW-IV-5G-3/57-03。 (√ )3、《锅炉压力容器压力管道焊工考试与管理规则》对焊工考试的母材分类与 JB4708 对焊接工艺评定的母材分类是一样的。 ( ×)4、焊材库管理人员应每天测量并记录库内的相对湿度,应保持湿度不超过 60%。 (√ )5、对于焊件含铬量大于 3%或合金元素总含量大于 5%,单面钨极氩弧焊打底焊接时,焊缝内侧应充氩保护。 (√ )6、按石油化工标准焊接 15CrMo 钢时,当厚度大于等于 10mm 应进行焊前预热。 (√ )7、板材对接焊缝试件评定合格的焊接工艺适用于管材的对接焊缝,反之亦可。 (√)8、补加因素改变不需重新作焊接工艺评定。也不需要增焊试件取冲击韧性试样进行试验。 (×)9、牌号前加“R”(或“热”字),表示钼和铬钼耐热钢焊条。 (√)10、焊工取得 GMAW-II-2G-10 项目后可焊接的最大厚度不限。 (×)11、多个焊工同时焊拉同样的焊件,打钢印时,谁有相应的持证项目的考试合证,打这个焊工的钢印就行了。 (×)12、现场组焊的每台球罐要求制作平加仰、横焊、立焊三块产品焊接试板。 (√) 13、18-8 不锈钢与低碳钢焊接接头,焊后一般不进行热处理。 ( √ )14、不锈钢焊接时,应采纳多道焊,层间温度宜控制在 100℃以下。 (√)15、当管道进行热处理,不论管径多大,每道焊口布置一个热电偶即可。 (×)二简答题(每题 5 分,共 10 分)1、板材对接试件考试合格后,可以焊接管子吗?答:可以焊接相应位置、相应厚度的大于等于 76mm 的管子对接。2、焊材选用的原则是什么?答:1、碳素钢、低合金钢的焊缝金属应保证力学性能 且其抗拉强度不应超过母材标准规定的上限值加 30 MPa。耐热型低合金钢的焊缝金属还应保证化学成分;2、高合金钢的焊缝金属应保证力学性能和耐腐蚀性能3、不锈钢复合钢基层的焊缝金属应保证力学性能,且其抗拉强度不应超过母材标准规定的上限值加 30MPa;复层的焊缝金属应保证耐腐蚀性能,当有力学性能要求时还应保证力学性能;4、复层焊缝与基层焊缝以及复层焊缝与基层钢板的交界处宜采纳过渡焊缝。三问答题(共 45 分)1、常减压装置中的工艺管线...

1、当您付费下载文档后,您只拥有了使用权限,并不意味着购买了版权,文档只能用于自身使用,不得用于其他商业用途(如 [转卖]进行直接盈利或[编辑后售卖]进行间接盈利)。
2、本站所有内容均由合作方或网友上传,本站不对文档的完整性、权威性及其观点立场正确性做任何保证或承诺!文档内容仅供研究参考,付费前请自行鉴别。
3、如文档内容存在违规,或者侵犯商业秘密、侵犯著作权等,请点击“违规举报”。

碎片内容

焊接培训考试题

确认删除?
VIP
微信客服
  • 扫码咨询
会员Q群
  • 会员专属群点击这里加入QQ群
客服邮箱
回到顶部