电脑桌面
添加小米粒文库到电脑桌面
安装后可以在桌面快捷访问

生产过程检测程序及方法

生产过程检测程序及方法_第1页
1/8
生产过程检测程序及方法_第2页
2/8
生产过程检测程序及方法_第3页
3/8
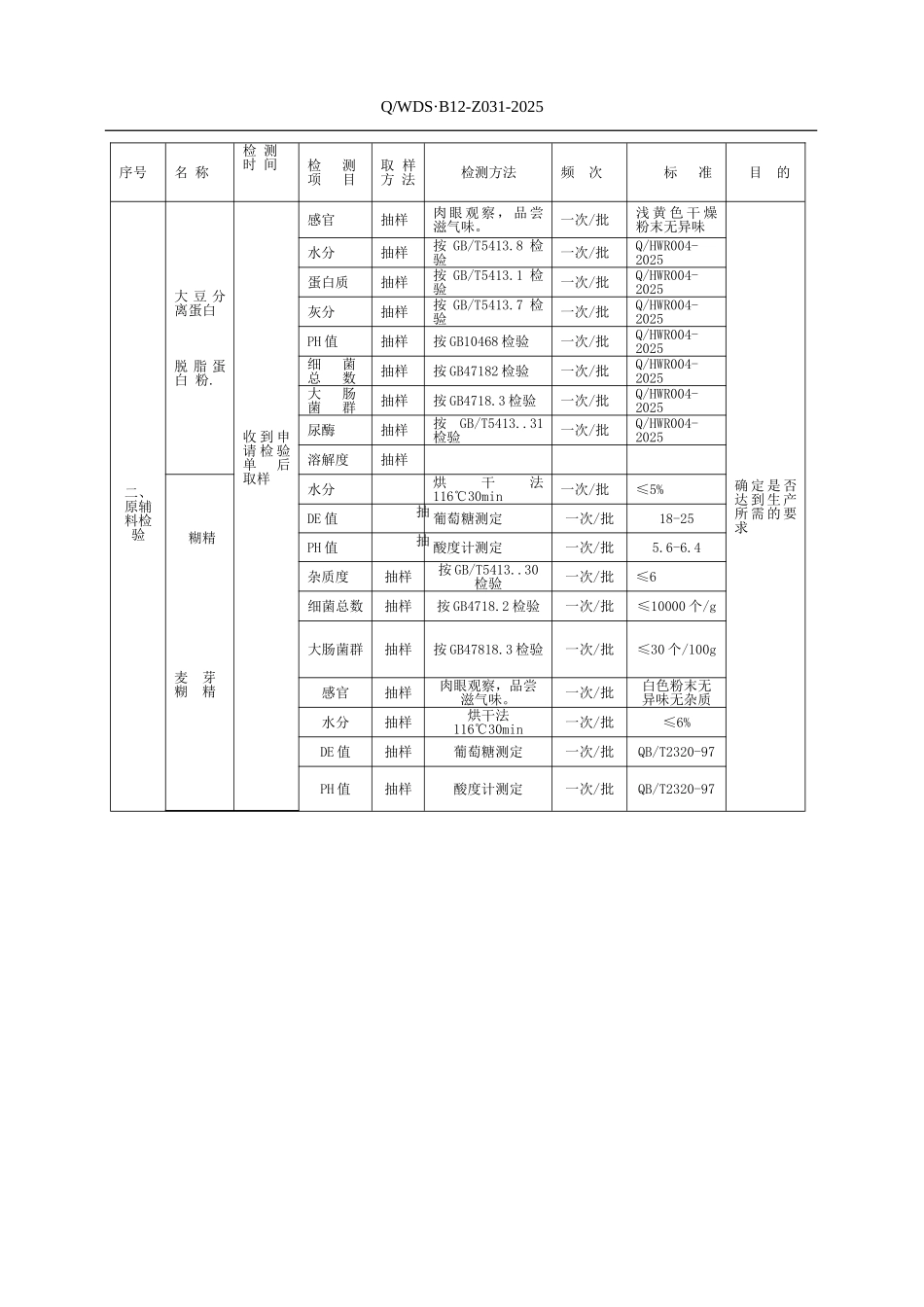
生产过程检测程序及方法修改状态:0/A Q/WDS·B12-Z031-20251 目的通过检验和试验过程,判定产品是否满足规定要求,保证过程处于受控状态。2 范围适用原料、辅料、工序、半成品、成品检测。3 引用标准3.1 GB5413-97 3.2 GB/T5413.1~5413.32-1997 3.3 DB23/142-2001 3.4 Q/WDS001-2000 3.5 Q/WDS003-2000 3.6 Q/WDS017-2000 3.7 Q/WDS016-2000 3.8 Q/HWR-c-010-2025 3.8 Q/HWR001-20254 检验程序及方法 序号名称检测时间检测项目取样方法检测方法频次标准目的一、鲜奶检 验原料奶奶车进入车间后取样感官指标抽样肉眼观察,品尝滋气味一次/车DB23/142-20011、参照标准 确 定 收与不收2、确定收奶等级脂肪抽样盖勃法一次/车2.80%-5.50%酸度抽样按 GB/T5409.2.1 检验一次/车14-18°T干物抽样烘干法 2 小时 100℃±2℃一次/车DB23/142-2001密度抽样按 GB/T5409.2.2 检验一次/车1.028-1.035蛋白质综合样按 GB/T5413.1 检验每车次/每周DB23/142-2001标准抗生素综合样按 GB4789.27 检验每车次/每周DB23/142-2001标准杂质度综合样按 GB/T5413..27 检验每车次/每周DB23/142-2001标准菌落总数嗜 热 芽 孢菌综合样按 GB4789.2 检验每车次/每周DB23/142-2001标准掺假试验抽样非乳物质的定性检验一次/车DB23/142-2001标准硝 酸 盐 、亚硝酸盐综合样非乳物质的定性检验一次/车按 DB/142-2001标准2025-09-09 发布 2025-09-10 实施Q/WDS·B12-Z031-2025序号名 称检 测时 间检 测项 目取 样方 法检测方法频 次标 准目 的 二、原辅料检验大 豆 分离蛋白 脱 脂 蛋白 粉.收 到 申请 检 验单 后取样感官抽样肉 眼 观 察 , 品 尝滋气味。一次/批浅 黄 色 干 燥粉末无异味确 定 是 否达 到 生 产所 需 的 要求水分抽样按 GB/T5413.8 检验一次/批Q/HWR004-2025蛋白质抽样按 GB/T5413.1 检验一次/批Q/HWR004-2025灰分抽样按 GB/T5413.7 检验一次/批Q/HWR004-2025PH 值抽样按 GB10468 检验一次/批Q/HWR004-2025细 菌总 数抽样按 GB47182 检验一次/批Q/HWR004-2025大 肠菌 群抽样按 GB4718.3 检验一次/批Q/HWR004-2025尿酶抽样按GB/T5413..31检验一次/批Q/HWR004-2025溶解度抽样糊精麦 芽 糊 精水分烘干法116℃30min一次/批≤5%DE 值抽 葡萄糖测定一次/批18-25PH 值抽 酸度计测定一次/批5.6-6.4杂质度抽样按 GB/T5413..30检验一次/批≤6细菌总数抽样...

1、当您付费下载文档后,您只拥有了使用权限,并不意味着购买了版权,文档只能用于自身使用,不得用于其他商业用途(如 [转卖]进行直接盈利或[编辑后售卖]进行间接盈利)。
2、本站所有内容均由合作方或网友上传,本站不对文档的完整性、权威性及其观点立场正确性做任何保证或承诺!文档内容仅供研究参考,付费前请自行鉴别。
3、如文档内容存在违规,或者侵犯商业秘密、侵犯著作权等,请点击“违规举报”。

碎片内容

生产过程检测程序及方法

您可能关注的文档

人从众+ 关注
实名认证
内容提供者

欢迎光临小店,本店以公文和教育为主,希望符合您的需求。

确认删除?
VIP
微信客服
  • 扫码咨询
会员Q群
  • 会员专属群点击这里加入QQ群
客服邮箱
回到顶部