电脑桌面
添加小米粒文库到电脑桌面
安装后可以在桌面快捷访问

电气专业工作指导书

电气专业工作指导书_第1页
1/1
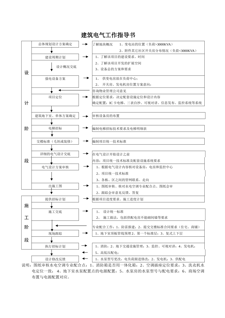
建筑电气工作指导书 总体规划设计方案确定了解地块概况1、变电站的位置(负荷>3000KVA) 2、附件其它社区开关房分布情况(负荷<3000KVA) 建设周期计划1、了解该项目的建设要求、时间设 设计概况交底2、了解该项目开发的扩展空间3、设备总的方案和要求强电设备方案1、 供变电房放在负荷中心;2、 开关房、发电机房位置方案意向; 咨询物业管理公司意见 计项目定位根据定位要求,决定配套设施定位和设计内容确定配置:IC 卡电梯、三表自抄、可视对讲、信息发布、监控系统等系统 建筑地下室、单体方案确定审核设备房的布置 阶电梯招标编制电梯招标技术要求及电梯明细表 交楼标准(毛坯或装修)编制项目统一技术标准 详细的电气设计交底在电气设计开始设计之前 段内容:项目统一技术标准及配套设施系统要求 电气设计方案审核1、根据电气设计内容核对设备房:电房和监控中心 2、项目统一技术标准 3、各栋、区之间的管网联系、走向 出施工图1、图纸审核、核对水电空调专业配合点、图纸会审2、跟踪会审意见反馈、答复 提供招标计划根据项目进度要求、施工进度计划施 工施工交底1、 设计统一标准2、 施工做法,包括供配电房不能砌间墙等要求 阶 专业配合工作:1、防雷报建;2、提交交楼标准合同要求(住宅、商铺) 现场跟踪1、地下室顶板管线预埋 2、第一个标准层;3、复式上下层 段 执行招标计划1、消防;2、地下交通设施管理;3、监控、可视对讲;4、发电机;5、高低压配电; 设计修改反馈1、水泵型号更改,电负荷跟进修改;2、发电机;3、供配电说明:图纸审核水电空调专业配合点:1、消防箱是否用一体化箱;2、空调插座定位要求;3、洗衣机水电定位一致; 4、地下室水泵配置点的电源配置;5、水泵房的水泵型号与配电要求;6、商场空调布置与电源配置对应。

1、当您付费下载文档后,您只拥有了使用权限,并不意味着购买了版权,文档只能用于自身使用,不得用于其他商业用途(如 [转卖]进行直接盈利或[编辑后售卖]进行间接盈利)。
2、本站所有内容均由合作方或网友上传,本站不对文档的完整性、权威性及其观点立场正确性做任何保证或承诺!文档内容仅供研究参考,付费前请自行鉴别。
3、如文档内容存在违规,或者侵犯商业秘密、侵犯著作权等,请点击“违规举报”。

碎片内容

电气专业工作指导书

确认删除?
VIP
微信客服
  • 扫码咨询
会员Q群
  • 会员专属群点击这里加入QQ群
客服邮箱
回到顶部