电脑桌面
添加小米粒文库到电脑桌面
安装后可以在桌面快捷访问

知名地产酒店式公寓设计要求

知名地产酒店式公寓设计要求_第1页
1/26
知名地产酒店式公寓设计要求_第2页
2/26
知名地产酒店式公寓设计要求_第3页
3/26
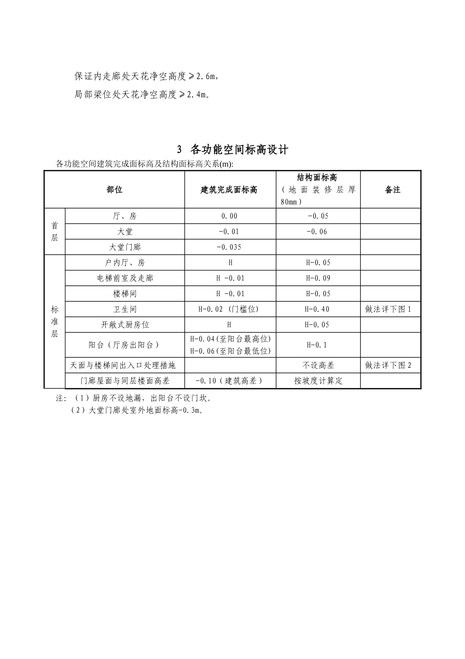
酒店式公寓设计要求 (住宅式管理模式)使用楼盘:性质城市楼盘名称新户型编号原户型编号层数(层)天下盘成都金碧天下G-SD811鄂州金碧天下G-SD811说明:1. 本设计要求为住宅式管理的酒店式公寓的设计要求。2. 本设计要求只针对户型的单体部分,涉及到小区整体规划的室外部分、地下室部分等同《住宅设计标准(2025 年版)》。3. 本设计要求为非地面热辐射采暖设计的做法要求。第一章建筑篇(一) 标高与层高1 标高设置1.1 本设计要求均采纳建筑标高系统;即:标高标注建筑完成面,结构标高相应降低;1.2 公寓地面装修层厚度:在非地面热辐射采暖设计中:1)户内地面装修层厚度统一按 50mm 考虑;详见下图一: 图一:公寓入户门、户内阳台推拉门楼地面做法示意图(尺寸单位:mm) 2) 走廊地面装修层厚度统一按 80mm 考虑(水管在走廊地面层铺设);2 层高层高要求:保证内走廊处天花净空高度≥2.6m,局部梁位处天花净空高度≥2.4m。3 各功能空间标高设计各功能空间建筑完成面标高及结构面标高关系(m):部位建筑完成面标高 结构面标高( 地 面 装 修 层 厚80mm)备注首层厅、房0.00-0.05大堂-0.01-0.06大堂门廊-0.035 标准层户内厅、房H H-0.05电梯前室及走廊H -0.01H-0.09楼梯间H -0.01H-0.05卫生间H-0.02 (门槛位)H-0.40做法详下图 1开敞式厨房位H H-0.05阳台(厅房出阳台)H-0.04(至阳台最高位)H-0.06(至阳台最低位)H-0.1天面与楼梯间出入口处理措施不设高差做法详下图 2门廊屋面与同层楼面高差-0.10(建筑高差)按坡度计算定注:(1)厨房不设地漏,出阳台不设门坎。(2)大堂门廊处室外地面标高-0.3m。图 1:卫生间沉箱做法图室内 室外图 2:天面出入口做法图(有隔热层,II 级防水)(二) 酒店式公寓公共空间设计1 首层公共空间1.1 公寓首层大堂入口:1.1.1 大堂门廊处室外地面标高为 -0.3 m;1.1.2 入口门廊处不设栏杆。1.2 公寓首层大堂地弹簧门门扇宽:2000mm。 见下图:1.3 公寓首层大堂空调设置标准: 1.4.1 公寓首层大堂设置空调。1.4.2 空调的采纳形式:小型中央空调。1.4.3 室外机的摆放要求:(1)优先摆放于竖向百页或开口天井内;(2)其次摆放于住宅裙楼顶隐蔽处;(3)同时不应对邻近住宅产生较大干扰和影响。 1.4 大堂内无凸柱,顶部梁不得穿越大堂,以保持大堂空间完整。1.5 大堂内应设置管理服务台的空间。1.6 信报箱位置: 1.6.1 优先设置专门的信报箱间。1.6.2 其次可在大...

1、当您付费下载文档后,您只拥有了使用权限,并不意味着购买了版权,文档只能用于自身使用,不得用于其他商业用途(如 [转卖]进行直接盈利或[编辑后售卖]进行间接盈利)。
2、本站所有内容均由合作方或网友上传,本站不对文档的完整性、权威性及其观点立场正确性做任何保证或承诺!文档内容仅供研究参考,付费前请自行鉴别。
3、如文档内容存在违规,或者侵犯商业秘密、侵犯著作权等,请点击“违规举报”。

碎片内容

知名地产酒店式公寓设计要求

您可能关注的文档

一帆文传+ 关注
实名认证
内容提供者

欢迎光临店铺,各类公文供您挑选。

确认删除?
VIP
微信客服
  • 扫码咨询
会员Q群
  • 会员专属群点击这里加入QQ群
客服邮箱
回到顶部