电脑桌面
添加小米粒文库到电脑桌面
安装后可以在桌面快捷访问

砖混商住楼工程监理规划

砖混商住楼工程监理规划_第1页
1/28
砖混商住楼工程监理规划_第2页
2/28
砖混商住楼工程监理规划_第3页
3/28
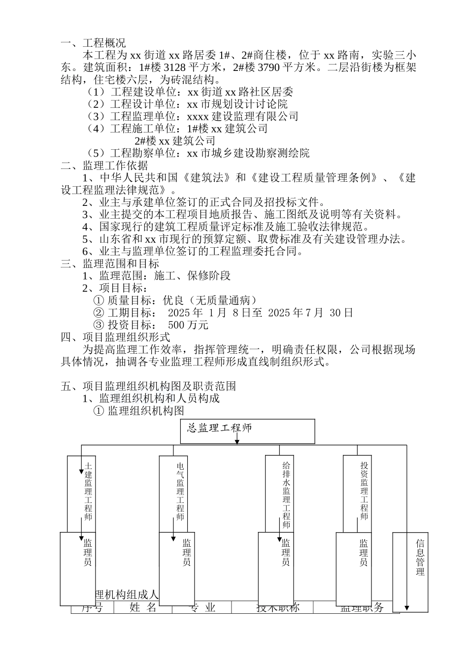
监理规划送审报告xx 街道 xx 路社区居委:我方在取得工程项目有关资料的基础上,根据项目特点,依据《中华人民共和国建筑法》、《建设工程质量管理条例》、《建设工程监理法律规范》及双方签订的《工程监理委托合同》编制了该工程项目监理规划,将监理方的权力、义务和责任具体化并制定了实现监理任务的措施和方法,以此作为监理组织有序开展工作的指导性文件,请贵方审查指示。 编制人: 审核人: 编制单位:xxxx 建设监理有限公司 年 月 日审 批 意 见审批人:审批单位(盖章):年 月 日一、工程概况本工程为 xx 街道 xx 路居委 1#、2#商住楼,位于 xx 路南,实验三小东。建筑面积:1#楼 3128 平方米,2#楼 3790 平方米。二层沿街楼为框架结构,住宅楼六层,为砖混结构。(1)工程建设单位:xx 街道 xx 路社区居委(2)工程设计单位:xx 市规划设计讨论院(3)工程监理单位:xxxx 建设监理有限公司(4)工程施工单位:1#楼 xx 建筑公司 2#楼 xx 建筑公司(5)工程勘察单位:xx 市城乡建设勘察测绘院二、监理工作依据1、中华人民共和国《建筑法》和《建设工程质量管理条例》、《建设工程监理法律规范》。2、业主与承建单位签订的正式合同及招投标文件。3、业主提交的本工程项目地质报告、施工图纸及说明等有关资料。4、国家现行的建筑工程质量评定标准及施工验收法律规范。5、山东省和 xx 市现行的预算定额、取费标准及有关建设管理办法。6、业主与监理单位签订的工程监理委托合同。三、监理范围和目标1、监理范围:施工、保修阶段2、项目目标:① 质量目标:优良(无质量通病)② 工期目标: 2025 年 1 月 8 日至 2025 年 7 月 30 日③ 投资目标: 500 万元四、项目监理组织形式为提高监理工作效率,指挥管理统一,明确责任权限,公司根据现场具体情况,抽调各专业监理工程师形成直线制组织形式。五、项目监理组织机构图及职责范围1、监理组织机构和人员构成① 监理组织机构图项目监理机构组成人员序号姓 名专 业技术职称监理职务土建监理工程师 总监理工程师 电气监理工程师 给排水监理工程师 投资监理工程师 监理员 监理员 监理员 信息管理 监理员 1给排水总 监1电 气监理工程师2土 建监理工程师3投 资监理工程师4给排水监理工程师6土 建总监代表7电 气监理员8给排水监理员9投资监理员10信息合同监理员2、总监理工程师职权范围(1)确定项目监理机构人员的分工和岗...

1、当您付费下载文档后,您只拥有了使用权限,并不意味着购买了版权,文档只能用于自身使用,不得用于其他商业用途(如 [转卖]进行直接盈利或[编辑后售卖]进行间接盈利)。
2、本站所有内容均由合作方或网友上传,本站不对文档的完整性、权威性及其观点立场正确性做任何保证或承诺!文档内容仅供研究参考,付费前请自行鉴别。
3、如文档内容存在违规,或者侵犯商业秘密、侵犯著作权等,请点击“违规举报”。

碎片内容

砖混商住楼工程监理规划

您可能关注的文档

确认删除?
VIP
微信客服
  • 扫码咨询
会员Q群
  • 会员专属群点击这里加入QQ群
客服邮箱
回到顶部