电脑桌面
添加小米粒文库到电脑桌面
安装后可以在桌面快捷访问

第八章-混凝土及钢筋混凝土工程

第八章-混凝土及钢筋混凝土工程_第1页
1/16
第八章-混凝土及钢筋混凝土工程_第2页
2/16
第八章-混凝土及钢筋混凝土工程_第3页
3/16
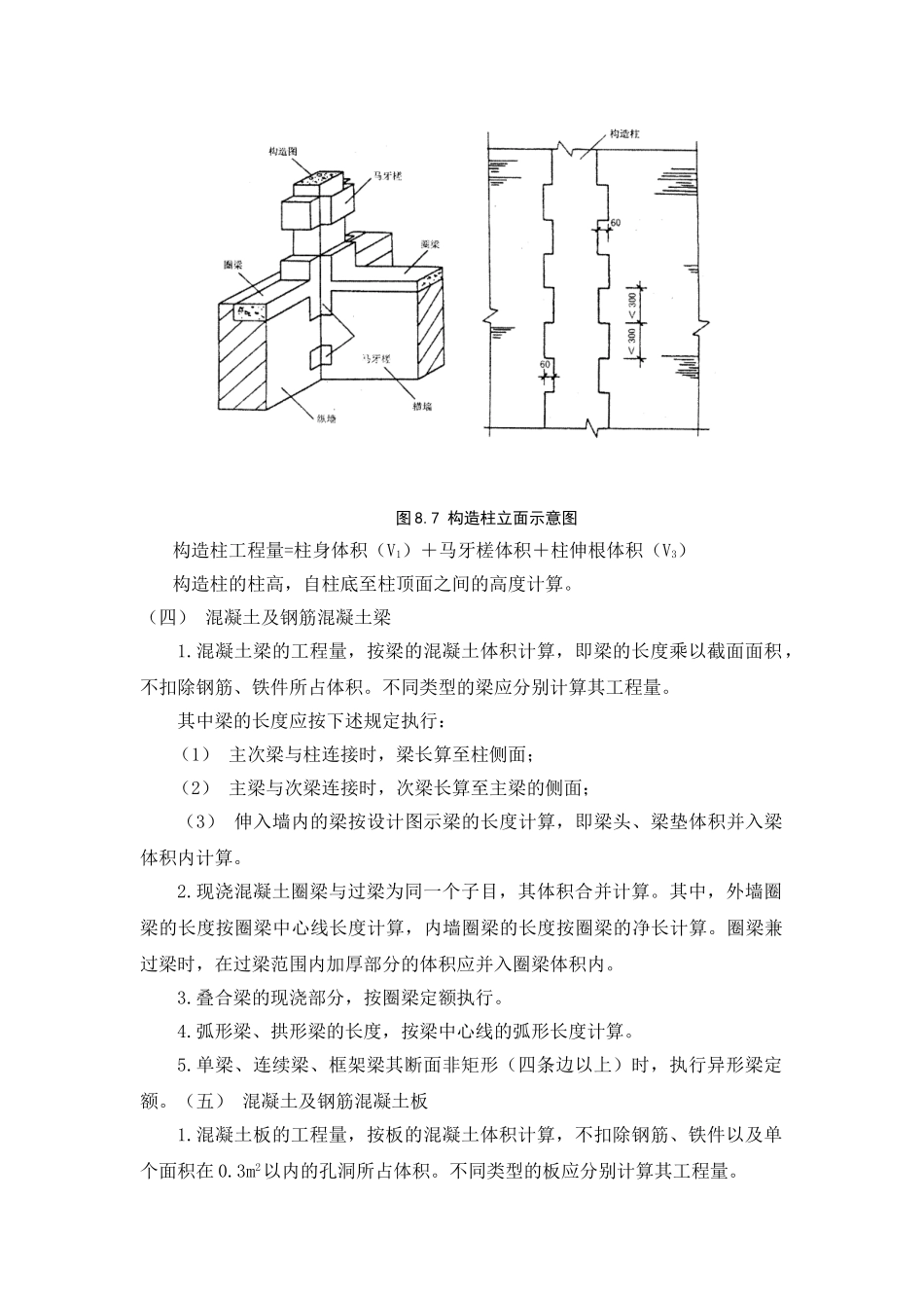
第八章 混凝土及钢筋混凝土工程第一节 现浇混凝土工程一、定额项目划分及主要工作内容现浇混凝土工程根据结构构件划分定额子目,具体划分结果见表 8.1。二、工程量计算规则(一) 基本计算原则1.混凝土及钢筋混凝土构件的工程量,除注明者外,均按图示尺寸以实体积计算。不扣除钢筋、铁件所占体积。2.现浇混凝土及钢筋混凝土墙、板等构件,均不扣除面积在 0.3㎡以内的孔洞、缺口所占体积,其预留孔工料不增加。面积超过 0.3㎡的孔洞、缺口所占的体积应扣除。(二) 混凝土、钢筋混凝土基础1.带形基础图 8.1 阶梯形、梯形基础断面 图 8.2 条形基础2.独立基础应分别按毛石混凝土和混凝土独立基础,以设计图示尺寸的实体积计算。其高度从垫层上表面算至柱基上表面。3.杯形基础杯形基础的形式如图 8.3 所示,其工程量按图示几何体的体积计算,扣除杯口部分所占体积。图 8.3 杯形基础4.满堂基础满堂基础主要有板式(无梁式)满堂基础、梁板式(有梁式)满堂基础和箱式满堂基础,如图 8.4、图 8.5、图 8.6 所示。(1) 有梁式满堂基础工程量=基础底板面积×板厚+梁截面面积×梁长。(2) 无梁式满堂基础工程量=底板面积×板厚+柱帽总体积。(3) 箱式满堂基础,上有盖板、下有底板,中间及外围四壁有纵横墙板,其工程量计算按图示尺寸将顶板、底板、墙的体积分别计算并套用相应定额。其中底板部分执行无梁式满堂基础定额项目。图 8.4 无梁式满堂基础 图 8.5 有梁式满堂基础 图 8.6 箱式满堂基础 (三) 混凝土及钢筋混凝土柱1.混凝土及钢筋混凝土柱的工程量,按柱的混凝土体积计算,不扣除钢筋、铁件所占体积。即柱的混凝土体积等于柱断面面积乘以柱高。其中,柱高按下列规定计算:(1) 有梁板的柱,柱高从柱基上表面至楼板上表面。(2) 无梁板的柱,柱高从柱基上表面至柱帽下表面。(3) 框架柱,有楼隔层者自柱基上表面或楼板上表面至上一层楼板的上表面;无楼隔层者自柱基最上一层退台上表面至柱顶面。柱基上表面至室内设计地坪以下的短柱与地坪以上柱体积合并计算。2.柱上牛腿体积,与柱体积合并计算。预制柱上的钢牛腿按预埋铁件计算。3.构造柱的工程量按设计图示体积以立方米计算,构造柱与砖墙接茬的混凝土体积,以及构造柱基础(伸根)的体积与构造柱柱身体积合并计算。构造柱与砖墙接茬如图 8.7 所示。 图 8.7 构造柱立面示意图构造柱工程量=柱身体积(V1)+马牙槎体积+柱伸根体积(V3)构造柱...

1、当您付费下载文档后,您只拥有了使用权限,并不意味着购买了版权,文档只能用于自身使用,不得用于其他商业用途(如 [转卖]进行直接盈利或[编辑后售卖]进行间接盈利)。
2、本站所有内容均由合作方或网友上传,本站不对文档的完整性、权威性及其观点立场正确性做任何保证或承诺!文档内容仅供研究参考,付费前请自行鉴别。
3、如文档内容存在违规,或者侵犯商业秘密、侵犯著作权等,请点击“违规举报”。

碎片内容

第八章-混凝土及钢筋混凝土工程

确认删除?
VIP
微信客服
  • 扫码咨询
会员Q群
  • 会员专属群点击这里加入QQ群
客服邮箱
回到顶部