电脑桌面
添加小米粒文库到电脑桌面
安装后可以在桌面快捷访问

第四章-法兰安装-定额

第四章-法兰安装-定额_第1页
1/102
第四章-法兰安装-定额_第2页
2/102
第四章-法兰安装-定额_第3页
3/102
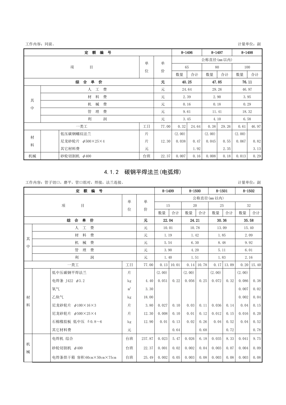
4.1 低压法兰4.1.1 碳钢法兰(螺纹连接)工作内容:管子切口,套丝,上法兰。计量单位:副定 额 编 号8-14908-14918-1492项 目单位单价公称直径(mm 以内)152025数量合计数量合计数量合计综 合 单 价元10.4911.7815.50其中人 工 费元6.166.939.24材 料 费元1.051.141.30机 械 费元0.020.040.07管 理 费元2.402.703.60利 润元0.860.971.29一类工工日77.000.086.160.096.930.129.24材料低压碳钢螺纹法兰片(2.00)(2.00)(2.00)尼龙砂轮片 φ500×25×4片12.300.0080.100.010.120.0120.15其它材料费元0.951.021.15机械砂轮切割机 φ400台班22.370.0010.020.0020.040.0030.07工作内容:同前。计量单位:副定 额 编 号8-14938-14948-1495项 目单位单价公称直径(mm 以内)324050数量合计数量合计数量合计综 合 单 价元17.9420.4724.42其中人 工 费元10.7812.3214.63材 料 费元1.361.521.92机 械 费元0.090.110.11管 理 费元4.204.805.71利 润元1.511.722.05一类工工日77.000.1410.780.1612.320.1914.63材料低压碳钢螺纹法兰片(2.00)(2.00)(2.00)尼龙砂轮片 φ500×25×4片12.300.0160.200.0180.220.0260.32其它材料费元1.161.301.60机械砂轮切割机 φ400台班22.370.0040.090.0050.110.0050.11工作内容:同前。计量单位:副定 额 编 号8-14968-14978-1498项 目单位单价公称直径(mm 以内)6580100数量合计数量合计数量合计综 合 单 价元40.2547.8576.11其中人 工 费元24.6429.2646.97材 料 费元2.392.903.95机 械 费元0.160.180.29管 理 费元9.6111.4118.32利 润元3.454.106.58一类工工日77.000.3224.640.3829.260.6146.97材料低压碳钢螺纹法兰片(2.00)(2.00)(2.00)尼龙砂轮片 φ500×25×4片12.300.0380.470.0450.550.0670.82其它材料费元1.922.353.13机械砂轮切割机 φ400台班22.370.0070.160.0080.180.0130.294.1.2 碳钢平焊法兰(电弧焊)工作内容:管子切口,磨平,管口组对,焊接,法兰连接。计量单位:副定 额 编 号8-14998-15008-15018-1502项 目单位单价公称直径(mm 以内)15202532数量合计数量合计数量合计数量合计综 合 单 价元22.0424.2130.3635.58其中人 工 费元10.0110.7813.0915.40材 料 费元1.191.421.852.09机 械 费元5.546.308.489.92管 理 费元3.904.205.116.01利 润元1.401.511.832.16一类工工日77.000.13 10.010.14 10.780.17 13.090.20 15.40材料低中压碳钢...

1、当您付费下载文档后,您只拥有了使用权限,并不意味着购买了版权,文档只能用于自身使用,不得用于其他商业用途(如 [转卖]进行直接盈利或[编辑后售卖]进行间接盈利)。
2、本站所有内容均由合作方或网友上传,本站不对文档的完整性、权威性及其观点立场正确性做任何保证或承诺!文档内容仅供研究参考,付费前请自行鉴别。
3、如文档内容存在违规,或者侵犯商业秘密、侵犯著作权等,请点击“违规举报”。

碎片内容

第四章-法兰安装-定额

您可能关注的文档

人从众+ 关注
实名认证
内容提供者

欢迎光临小店,本店以公文和教育为主,希望符合您的需求。

确认删除?
VIP
微信客服
  • 扫码咨询
会员Q群
  • 会员专属群点击这里加入QQ群
客服邮箱
回到顶部