电脑桌面
添加小米粒文库到电脑桌面
安装后可以在桌面快捷访问

给排水、采暖、燃气工程量清单计价规范

给排水、采暖、燃气工程量清单计价规范_第1页
1/14
给排水、采暖、燃气工程量清单计价规范_第2页
2/14
给排水、采暖、燃气工程量清单计价规范_第3页
3/14
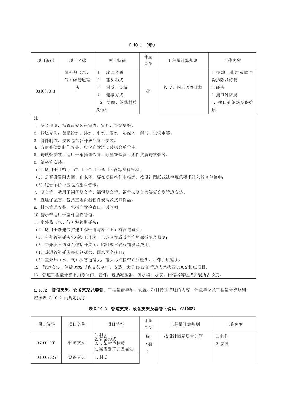
D.10 给排水、采暖、燃气工程C.10.1 给排水、采暖、燃气管道。工程量清单项目设置、项目特征描述的内容、计量单位及工程量计算规则,应按表 C.10.1 的规定执行。C.10.1 给排水、采暖、燃气管道(编码:031001)项目编码项目名称项目特征计量单位工程量计算规则工作内容031001001镀锌钢管1.安装部位2.输送介质3.材质4.型号、规格5.连接方式6.接口材料7. 支架形式及做法8.试验、清洗及消毒方法9.警示带形式m按设计图示管道中心线以延长米计算,不扣除阀门、管件及各种井类所占的长度;方形补偿器以其所占长度合并在管道安装工程量中1.管道安装2. 管件制作、安装3.支架制作、安装4.压力试验、泄漏试验5.冲洗(吹扫)6.给水管道消毒7.排水管道闭水试验、通球试验8.警示带铺设031001002钢管031001003铸铁管031001004塑料管031001005橡胶连接管031001006复合管031001007不锈钢管031001008铜管031001009承插缸瓦管031001010承插水泥管031001011承插陶土管031001012直埋保温管1.埋设深度2.输送介质3. 保温材料及管道材质4.型号、规格5.焊接方法6.试验、清洗方法7.警示带形式C.10.1 (续)项目编码项目名称项目特征计量单位工程量计算规则工作内容031001013室外热(水、气)源管道碰头1.输送介质2.碰头形式3.材质、规格4.连接方式5.防腐、绝热材质及做法处按设计图示以处计算1.挖填工作坑或暖气沟拆除及修复2.碰头3.接口处防腐4.接口处绝热及保护层注:1. 安装部位,指管道安装在室内、室外、泵站房等。2.输送介质,包括给水、排水、中水、雨水、热媒体、燃气、空调水等。3.管件制作、安装包括各种成品管件安装。4. 方形补偿器制作安装,应含在管道安装综合单价中。5.铸铁管安装,适用于承插铸铁管、球墨铸铁管、柔性抗震铸铁管等。6.塑料管安装:(1)适用于 UPVC、PVC、PP-C、PP-R、PE 管等塑料管材;(2)是否设置阻火圈、止水环,要在项目特征中描述,按设计图纸或法律规范要求计入综合单价中;(3)综合单价中应包括塑料管卡。7. 复合管,适用于钢塑复合管、铝塑复合管、钢骨架复合管等复合型管道安装。8.直埋保温管,包括直埋保温管件安装及接口保温。9. 排水管道安装,包括立管检查口、透气帽。10.警示带适用于室外埋设管道。11.室外热(水、气)源管道碰头:(1)适用于新建或扩建工程管道与原(旧)有管道碰头;(2)室外管道碰头包括挖工作坑、土方回填或暖气沟局部拆除及修复;(3)带介质管道碰头包括开关闸、临时...

1、当您付费下载文档后,您只拥有了使用权限,并不意味着购买了版权,文档只能用于自身使用,不得用于其他商业用途(如 [转卖]进行直接盈利或[编辑后售卖]进行间接盈利)。
2、本站所有内容均由合作方或网友上传,本站不对文档的完整性、权威性及其观点立场正确性做任何保证或承诺!文档内容仅供研究参考,付费前请自行鉴别。
3、如文档内容存在违规,或者侵犯商业秘密、侵犯著作权等,请点击“违规举报”。

碎片内容

给排水、采暖、燃气工程量清单计价规范

您可能关注的文档

津创媒+ 关注
实名认证
内容提供者

欢迎交流文创,小店资料希望满足您的需要。

确认删除?
VIP
微信客服
  • 扫码咨询
会员Q群
  • 会员专属群点击这里加入QQ群
客服邮箱
回到顶部