电脑桌面
添加小米粒文库到电脑桌面
安装后可以在桌面快捷访问

花园工程桩基检测方案

花园工程桩基检测方案_第1页
1/11
花园工程桩基检测方案_第2页
2/11
花园工程桩基检测方案_第3页
3/11
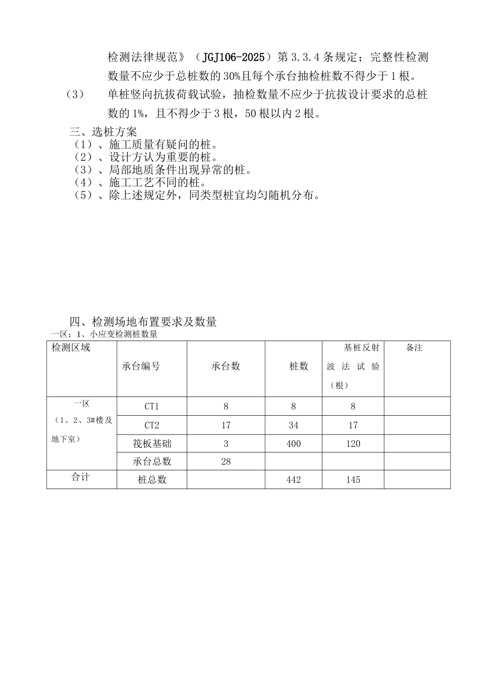
碧港花园二区(1 号楼、2 号楼、3 号楼、4 号楼、5 号楼、6 号楼、13 号楼、1#配电室 1#开关站、2#配电室 2#开关站、地下车库一 1 区)工程(1、2、3#楼及地下室)检测方案 编制单位:广东龙越建筑工程有限公司 编制人: 审核人: 审批人: 日期:一、工程概况工程名称:碧港花园二区(1 号楼、2 号楼、3 号楼、4 号楼、5 号楼、6号楼、13 号楼、1#配电室 1#开关站、2#配电室 2#开关站、地下车库一 1 区)工程;建筑面积:109134.63㎡;结构/层数:框剪+框架/34 层;建设单位:中山市卓茂盈胜房地产开发有限公司设计单位:广东博意建筑设计院有限公司监理单位:深圳科宇工程顾问有限公司勘察单位:建材广州工程勘察院有限公司施工单位:广东龙越建筑工程有限公司桩基础设计等级:基础设计等级为甲级; 本 工 程 采 纳 锤 击 高 强 砼 预 应 力 管 桩 , 管 桩 规 格500*125AB、600*130AB 桩型。设计桩长为 50-60 米;桩身砼强度 C80,以强风化泥质粉砂岩层为桩端持力层,采纳焊接接桩(接桩冷却时间不小于 8 分钟);单桩竖向承载力特征值为:500*125AB 为 2300KN,600*130AB 为 2900KN,检测单桩竖向抗压承载力极限值:500*125AB 为 4600KN, 600*130AB 为5800KN,地下室 500*125AB 检测单桩竖向抗拔承载力极限值为 200KN。二、检测方案编制依据预应力管桩完整性及承载力检测应符合下列规定:a、《建筑基桩检测技术法律规范》JGJ 106-2025;b、《建筑地基基础检测法律规范》DBJ15-60-2025;c、《岩土工程勘察法律规范》GB50021-2001;d、《建筑地基基础设计法律规范》GB50007-2025;(1)桩基承载力检测采纳单桩竖向抗压静载试验,检测数量应符合《建筑地基基础检测法律规范》(JGJ106-2025)第 3.3.5 第3.3.6 条规定;静载试验抽检检测数量不少于总桩数的 1%,且不少于 3 根。采纳高应变法时,抽检数量不应少于总桩数的 5%,且不少于 5 根。(2)桩身完整性检测采纳低应变法,检测数量应符合《建筑地基基础检测法律规范》(JGJ106-2025)第 3.3.4 条规定;完整性检测数量不应少于总桩数的 30%且每个承台抽检桩数不得少于 1 根。 (3)单桩竖向抗拔荷载试验,抽检数量不应少于抗拔设计要求的总桩数的 1%,且不得少于 3 根,50 根以内 2 根。三、选桩方案(1)、施工质量有疑问的桩。(2)、设计方认为重要的桩。(3)、局部地质条件出现异常的桩。(4)、施...

1、当您付费下载文档后,您只拥有了使用权限,并不意味着购买了版权,文档只能用于自身使用,不得用于其他商业用途(如 [转卖]进行直接盈利或[编辑后售卖]进行间接盈利)。
2、本站所有内容均由合作方或网友上传,本站不对文档的完整性、权威性及其观点立场正确性做任何保证或承诺!文档内容仅供研究参考,付费前请自行鉴别。
3、如文档内容存在违规,或者侵犯商业秘密、侵犯著作权等,请点击“违规举报”。

碎片内容

花园工程桩基检测方案

文森传品+ 关注
实名认证
内容提供者

一家传播文化教育的小店,资料丰富,随意挑选。

确认删除?
VIP
微信客服
  • 扫码咨询
会员Q群
  • 会员专属群点击这里加入QQ群
客服邮箱
回到顶部