电脑桌面
添加小米粒文库到电脑桌面
安装后可以在桌面快捷访问

质检员工作流程HN-ZYLC-PK-2

质检员工作流程HN-ZYLC-PK-2_第1页
1/1
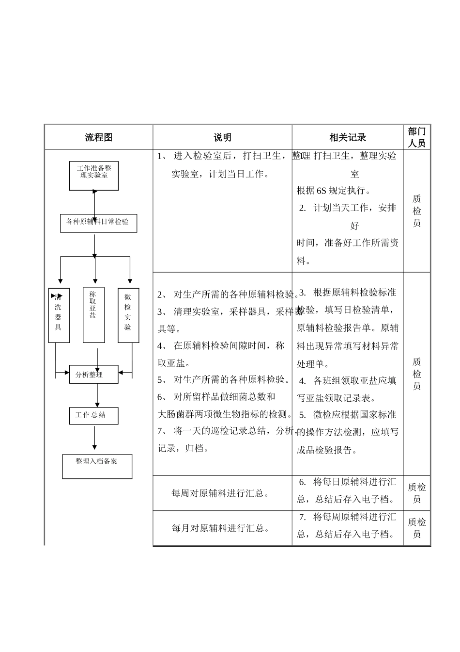
流程图说明相关记录部门人员1、 进入检验室后,打扫卫生,整理实验室,计划当日工作。1. 打扫卫生,整理实验室根据 6S 规定执行。2. 计划当天工作,安排好时间,准备好工作所需资料。质检员2、 对生产所需的各种原辅料检验。3、 清理实验室,采样器具,采样器具等。4、 在原辅料检验间隙时间,称取亚盐。5、 对生产所需的各种原料检验。6、 对所留样品做细菌总数和大肠菌群两项微生物指标的检测。7、 将一天的巡检记录总结,分析,记录,归档。3. 根据原辅料检验标准检验,填写日检验清单,原辅料检验报告单。原辅料出现异常填写材料异常处理单。4. 各班组领取亚盐应填写亚盐领取记录表。5. 微检应根据国家标准的操作方法检测,应填写成品检验报告。质检员每周对原辅料进行汇总。6. 将每日原辅料进行汇总,总结后存入电子档。质检员每月对原辅料进行汇总。7. 将每周原辅料进行汇总,总结后存入电子档。质检员各种原辅料日常检验分析整理工作总结工作准备整理实验室清洗器具微检实验 称取亚盐整理入档备案

1、当您付费下载文档后,您只拥有了使用权限,并不意味着购买了版权,文档只能用于自身使用,不得用于其他商业用途(如 [转卖]进行直接盈利或[编辑后售卖]进行间接盈利)。
2、本站所有内容均由合作方或网友上传,本站不对文档的完整性、权威性及其观点立场正确性做任何保证或承诺!文档内容仅供研究参考,付费前请自行鉴别。
3、如文档内容存在违规,或者侵犯商业秘密、侵犯著作权等,请点击“违规举报”。

碎片内容

质检员工作流程HN-ZYLC-PK-2

您可能关注的文档

确认删除?
VIP
微信客服
  • 扫码咨询
会员Q群
  • 会员专属群点击这里加入QQ群
客服邮箱
回到顶部