电脑桌面
添加小米粒文库到电脑桌面
安装后可以在桌面快捷访问

锅炉装置动设备安装施工方案

锅炉装置动设备安装施工方案_第1页
1/9
锅炉装置动设备安装施工方案_第2页
2/9
锅炉装置动设备安装施工方案_第3页
3/9
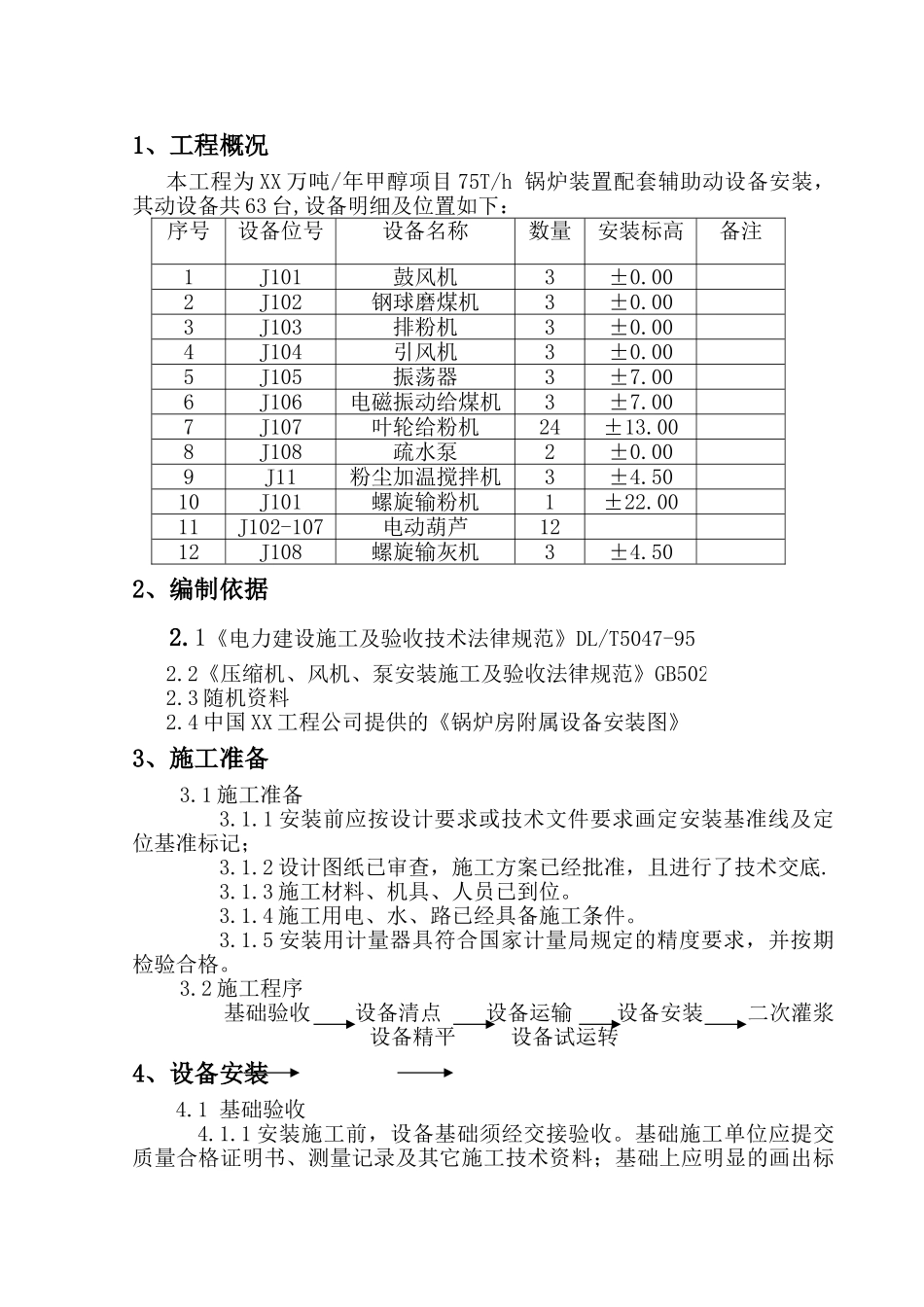
锅炉装置动设备安装施工方案目 录1、工程概况…………………………………………………12、编制依据…………………………………………………13、施工准备…………………………………………………24、设备安装…………………………………………………25、施工机具及材料配备一览表……………………………96、劳动力配备一览表………………………………………107、质量保证措施……………………………………………108、安全技术措施及文明施工………………………………119、环境保护措施……………………………………………12附录:安装记录表1、工程概况本工程为 XX 万吨/年甲醇项目 75T/h 锅炉装置配套辅助动设备安装,其动设备共 63 台,设备明细及位置如下:序号设备位号设备名称数量安装标高备注1J101鼓风机3±0.00 2J102钢球磨煤机3±0.003J103排粉机3±0.004J104引风机3±0.005J105振荡器3±7.006J106电磁振动给煤机3±7.007J107叶轮给粉机24±13.008J108疏水泵2±0.009J11粉尘加温搅拌机3±4.5010J101螺旋输粉机1±22.0011J102-107电动葫芦1212J108螺旋输灰机3±4.502、编制依据 2.1《电力建设施工及验收技术法律规范》DL/T5047-952.2《压缩机、风机、泵安装施工及验收法律规范》GB50275-982.3 随机资料2.4 中国 XX 工程公司提供的《锅炉房附属设备安装图》3、施工准备3.1 施工准备3.1.1 安装前应按设计要求或技术文件要求画定安装基准线及定位基准标记; 3.1.2 设计图纸已审查,施工方案已经批准,且进行了技术交底.3.1.3 施工材料、机具、人员已到位。3.1.4 施工用电、水、路已经具备施工条件。3.1.5 安装用计量器具符合国家计量局规定的精度要求,并按期检验合格。3.2 施工程序 基础验收 设备清点 设备运输 设备安装 二次灌浆设备精平 设备试运转4、设备安装4.1 基础验收4.1.1 安装施工前,设备基础须经交接验收。基础施工单位应提交质量合格证明书、测量记录及其它施工技术资料;基础上应明显的画出标高基准线。4.1.2 检查基础外观不得有裂纹、蜂窝、空洞及露筋等缺陷;4.1.3 基础各部尺寸及位置的偏差数值不得超过下列规定;序号项目允许偏差(mm)1坐标位置(纵横轴线)202不同平面的标高0-203平面外形尺寸4凸台上平面外形尺寸0-205平面的水平度(包括地坪上需安装设备的部分)每米 5,且全长 106垂直度每米 5,且全长 107预埋地脚螺栓孔中心位置10深度+200孔壁铅垂度108预埋活动地脚螺栓锚 板标高+...

1、当您付费下载文档后,您只拥有了使用权限,并不意味着购买了版权,文档只能用于自身使用,不得用于其他商业用途(如 [转卖]进行直接盈利或[编辑后售卖]进行间接盈利)。
2、本站所有内容均由合作方或网友上传,本站不对文档的完整性、权威性及其观点立场正确性做任何保证或承诺!文档内容仅供研究参考,付费前请自行鉴别。
3、如文档内容存在违规,或者侵犯商业秘密、侵犯著作权等,请点击“违规举报”。

碎片内容

锅炉装置动设备安装施工方案

确认删除?
VIP
微信客服
  • 扫码咨询
会员Q群
  • 会员专属群点击这里加入QQ群
客服邮箱
回到顶部