电脑桌面
添加小米粒文库到电脑桌面
安装后可以在桌面快捷访问

阜宁县某河涵闸施工方案

阜宁县某河涵闸施工方案_第1页
1/56
阜宁县某河涵闸施工方案_第2页
2/56
阜宁县某河涵闸施工方案_第3页
3/56
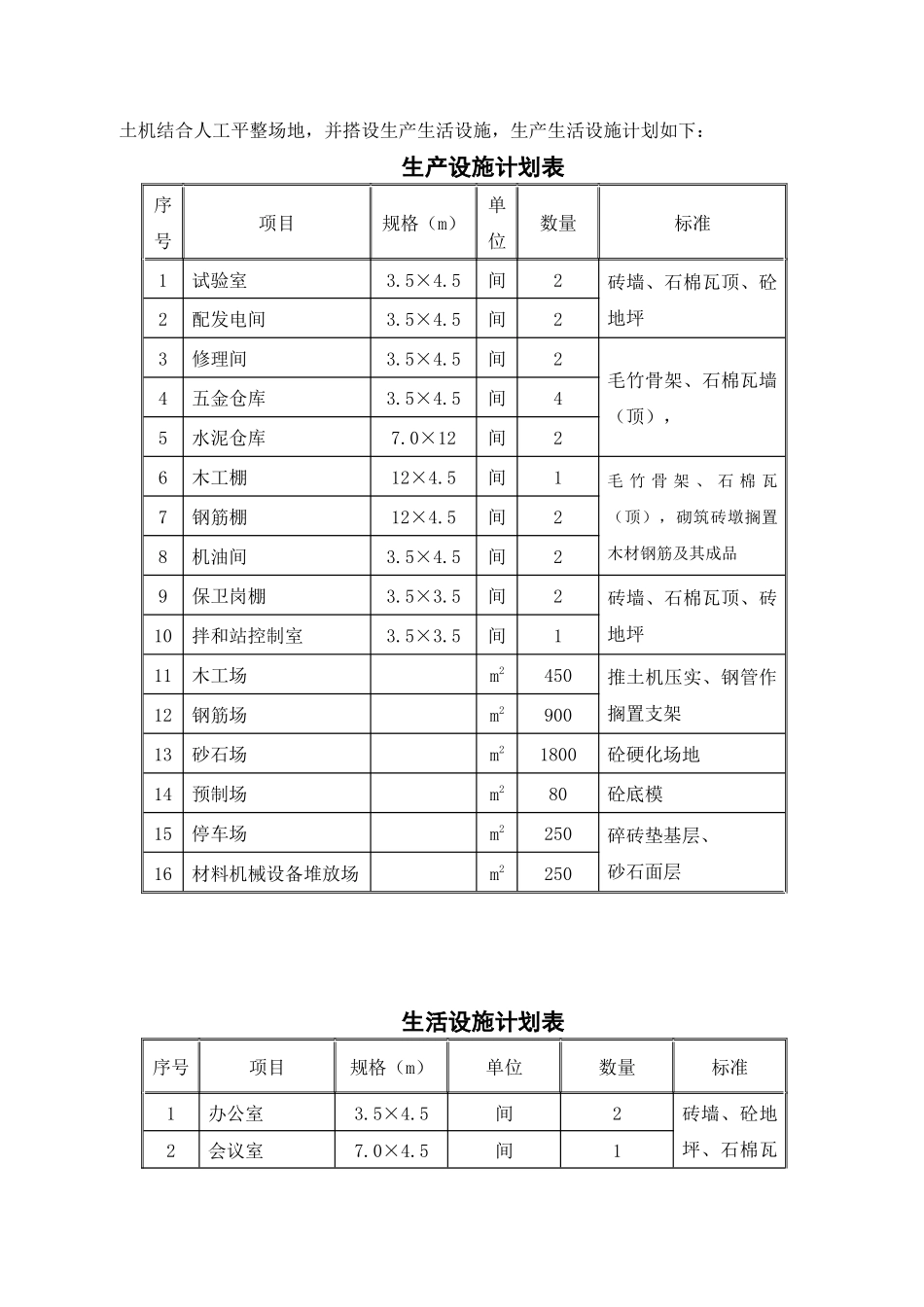
施 工 方 案一、 工程概况㈠工程概况跃进河涵闸工程位于 xx 县 xx 镇与 xx 县 xx 交界处的跃进河上,淮河入海水道桩号 100+700(新桩号)处。过闸流量 9m/s,工程等级为 2 级水工建筑物,该闸为单孔钢筋砼矩形涵闸结构,洞口尺寸宽×高为 3×3m。闸全长 124.32m,闸身长 60m,分 4段,每段为 15m,底板面高程-1.0m,洞身顶板面高程2.55m。上游 U 型槽长7.8m,下游 U 型槽消力池长 12m,上、下游一、二节翼墙为钢筋砼悬臂结构。闸门为直升式平面钢闸门,采纳 QL-100KN 手电两用螺杆启闭机,启闭机房为轻质彩钢板结构,设在工作桥上,闸一侧设钢扶梯上工作桥。北堤为二级堤防,设计压实度 0.92。堤顶宽 8m,堤顶高9.42m,迎水坡与背水坡坡比均为 1:3;迎水面平台宽 15m,标高5m,边坡 1:3,背水面平台宽 15m,标高5.5m,边坡 1:5。预留沉降量为 0.6m(单位工程完工验收超高)。北隔堤为三级堤防,设计压实度 0.9。顶高程为3.54m,顶宽为 4m,边坡坡比1:3;北泓底高程为 -3.0m,底宽 68m,坡比 1:5;上下游引河河坡坡比 1:3,河底高程为-2.0m,底宽为 6m。㈡水文、气象条件该工程地处亚热带向温暖带过渡,具有明显的季风特征,四季分明,冬季冷少雪,夏季炎热多雨,多年平均气温 24.4 度,一月份多年平均气温为-0.2 度,八月份多年平均气温 27.8 度。多年平均降雨量为 946.9~991.3m,降雨多集中在 6~9 月,占全年降雨量的 65%。多年平均雾日 21.4 天,多年平均霜日 26.8 天。㈢工程地质 第一层:地面~2.23m 为棕黄色粉质粘土,杂少量灰黄色中、轻粉质壤土,标准贯入击数 N=4 击,天然含水量 22.7%,天然孔隙比 0.71,液性指数 0.28,塑性指数为 18.9%。 第二层:2.23~0.03m 为棕黄色夹灰色粘土,局部为重粉质壤土,含铁锰质结核,标准贯入击数 N=4 击, 天然含水量 22.7%,天然孔隙比 0.79,液性指数 0.49,塑性指数为 19.9%。 第三层:0.03~-0.67 为灰黄色淤泥质粉质粘土,标准贯入击数 N=1 击, 天然含水量 36.9%,天然孔隙比 1.04。 第四层:-0.67~-2.87m 为灰、灰黄色轻、重粉质砂壤土,轻粉质壤土夹薄层淤泥粉质粘土,标准贯入击数 N=5 至 9 击, 天然含水量 35.4%,天然孔隙比 0.97。 第五层:-2.87~-6.51m 为灰色粘土质淤夹轻粉质壤土,重粉质砂壤土,标准贯入击数 N=1 击, 天然含水量 55.0%,天然孔隙比...

1、当您付费下载文档后,您只拥有了使用权限,并不意味着购买了版权,文档只能用于自身使用,不得用于其他商业用途(如 [转卖]进行直接盈利或[编辑后售卖]进行间接盈利)。
2、本站所有内容均由合作方或网友上传,本站不对文档的完整性、权威性及其观点立场正确性做任何保证或承诺!文档内容仅供研究参考,付费前请自行鉴别。
3、如文档内容存在违规,或者侵犯商业秘密、侵犯著作权等,请点击“违规举报”。

碎片内容

阜宁县某河涵闸施工方案

您可能关注的文档

确认删除?
VIP
微信客服
  • 扫码咨询
会员Q群
  • 会员专属群点击这里加入QQ群
客服邮箱
回到顶部