电脑桌面
添加小米粒文库到电脑桌面
安装后可以在桌面快捷访问

鸡冠石污水处理厂一期工程施工安排

鸡冠石污水处理厂一期工程施工安排_第1页
1/3
鸡冠石污水处理厂一期工程施工安排_第2页
2/3
鸡冠石污水处理厂一期工程施工安排_第3页
3/3
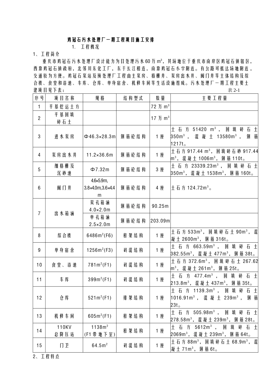
鸡冠石污水处理厂一期工程项目施工安排1.工程概况1、工程简介重庆市鸡冠石污水处理厂设计能力为日处理污水 60 万 m3,其场地位于重庆市南岸区鸡冠石镇辖区,西靠鸡冠石镇政府,北邻川东化工厂,东于长江相连,南靠鸡冠石小学附近。有公路可抵达场地附近 ,交通较为方便。鸡冠石泵站及预处理厂工程由主泵房、格栅井、泵房出水井、阀门井等主体结构及综合楼、食堂和浴池、车库、仓库、单身宿舍、机修车间等生活设施组成。污水处理厂一期工程主要土建项目见下表: 表 2-1序号项目名称规格结构型式数量主要工程量1平基挖运土方72 万 m32平基回填碎石土17 万 m33进水泵房Ф46.3×28.3m钢筋砼结构1 座土 石 方 51420 m3 , 回 填 碎 石 土350m3 , 混 凝 土 13580m3 , 钢 筋1217t。4泵房出水井11.2×36.6m钢筋砼结构1 座土石方 917.44 m3,回填碎石砂 917.44 m3,混凝土 1006m3,钢筋 110t。5细格栅及沉砂池Ф7.32m钢筋砼结构3 座土 石 方 23339.23m3 , 回 填 碎 石 土350m3,混凝土 1538m3,钢筋 160t。6阀门井4.6×5.9m, 3.8×4.0m,3.6×4.4m钢筋砼结构4 座土石方 124.72m3。7出水箱涵双孔箱涵4.0×2.0m钢筋砼结构90.25m单孔箱涵2.5×2.0m钢筋砼结构203.09m8综合楼6486m2(F6)框架结构1 座土石方 533m3,回填碎石土 90m3,混凝土 2600m3,钢筋 316t。9单身宿舍1256m2(F3)砖混结构1 座土 石 方 663.59m3 , 回 填 碎 石 土382.55m3,混凝土 477m3,钢筋 38t。10食堂、浴池781m2(F1)砖混结构1 座土 石 方 372.6m3 , 回 填 碎 石 土 267.62 m3,混凝土 261m3,钢筋 25t。11车库399m2(F1)砖混结构1 座土 石 方 477.4m3 , 回 填 碎 石 土213.8m3,混凝土 437m3,钢筋 35t。12仓库521m2(F1)排架结构1 座土 石 方 1139.3m3 , 回 填 碎 石 土1016.91m3 , 混 凝 土 239m3 , 钢 筋23t。13机修车间605m2(F1)框架结构1 座土 石 方 505.98m3 , 回 填 碎 石 土278.58m3,混凝土 239m3,钢筋 28t。14110KV总降压站1138m2(F1 带地下室)框架结构1 座土 石 方 5612m3 , 回 填 碎 石 土2069m3,混凝土 239m3,钢筋 64t。15门卫64.5m2砖混结构1 座土石方 88m3,回填碎石土 68.9m3,混凝土 71m3,钢筋 6t。2、工程特点本工程主泵房井是内径为 φ45m 的圆筒型大型地下结构 ,圆形井壁厚度 650mm,局部厚度800mm...

1、当您付费下载文档后,您只拥有了使用权限,并不意味着购买了版权,文档只能用于自身使用,不得用于其他商业用途(如 [转卖]进行直接盈利或[编辑后售卖]进行间接盈利)。
2、本站所有内容均由合作方或网友上传,本站不对文档的完整性、权威性及其观点立场正确性做任何保证或承诺!文档内容仅供研究参考,付费前请自行鉴别。
3、如文档内容存在违规,或者侵犯商业秘密、侵犯著作权等,请点击“违规举报”。

碎片内容

鸡冠石污水处理厂一期工程施工安排

确认删除?
VIP
微信客服
  • 扫码咨询
会员Q群
  • 会员专属群点击这里加入QQ群
客服邮箱
回到顶部