电脑桌面
添加小米粒文库到电脑桌面
安装后可以在桌面快捷访问

4-单位工程施工质量检验与评定资料核查表

4-单位工程施工质量检验与评定资料核查表_第1页
1/3
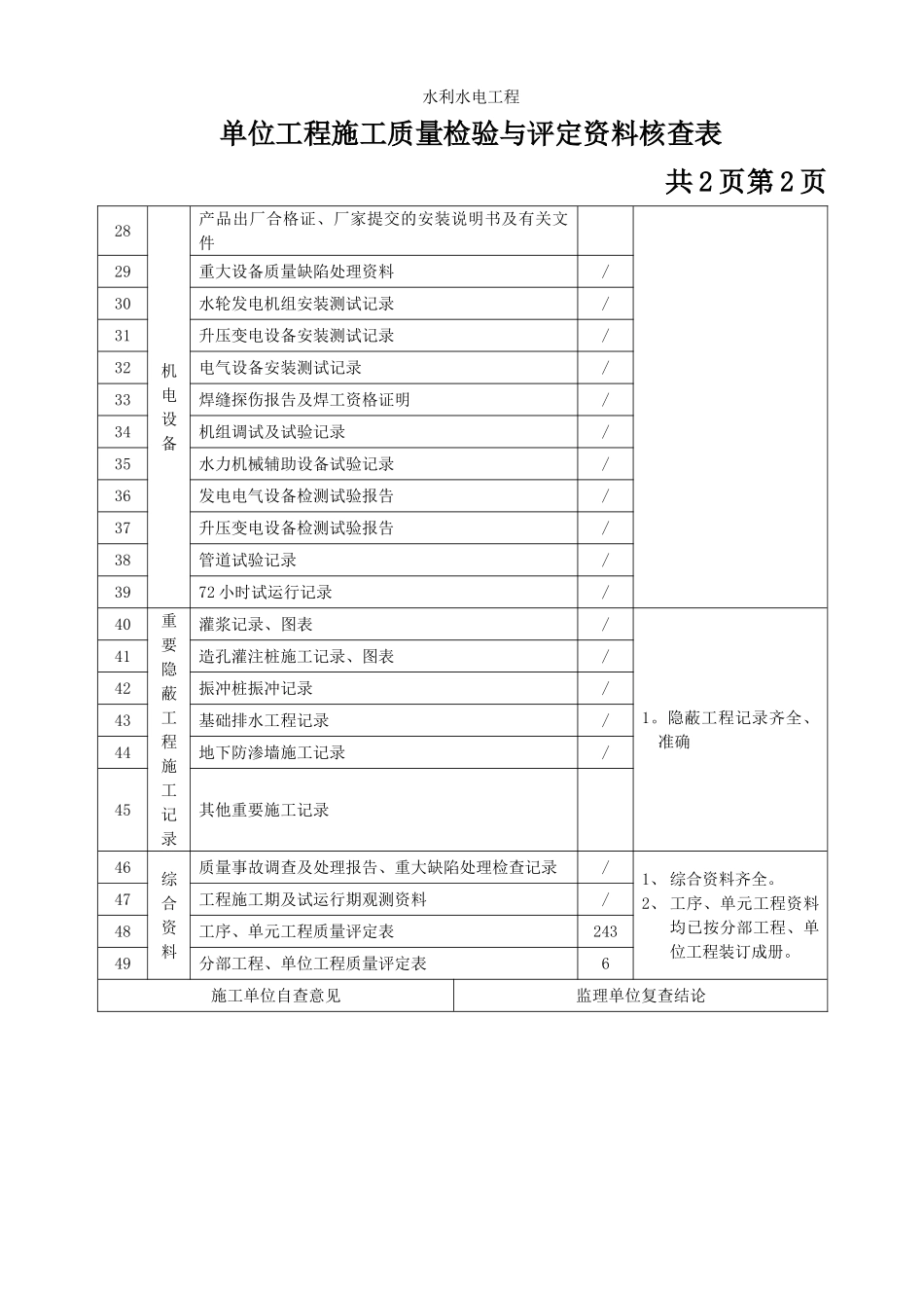
4-单位工程施工质量检验与评定资料核查表_第2页
2/3
4-单位工程施工质量检验与评定资料核查表_第3页
3/3
水利水电工程单位工程施工质量检验与评定资料核查表(计划)共 2 页第 1 页单位工程名 称增城市新塘镇岗丰排水渠整治工程施工单位核定日期项次项 目份数核查情况1原材料水泥出厂合格证、厂家试验报告21、 主要原材料出厂合格证及厂家试验资料齐全。2、 复验资料齐全、数量符合法律规范要求,复验统计资料完整.2钢材出厂合格证、厂家试验报告103外加剂出厂合格证及技术性能指标/4粉煤灰出厂合格证及技术性能指标/5防水材料出厂合格证、厂家试验报告/6止水带出厂合格证及技术性能指标17土工布出厂合格证及技术性能指标18装饰材料出厂合格证及有关技术性能资料/9水泥复验报告及统计资料210钢材复验报告及统计资料1011其他原材料出厂合格证及有关技术性能资料12中间产品砂、石骨料试验资料21、 中间产品取样数量符合 《 评 定 标 准 》 规定,统计方法正确,资料齐全。13石料试验资料214混凝土拌和物检查资料515混凝土试件统计资料19016砂浆拌和物及试件统计资料217砼预制件(块)检验资料218金属结构及启闭机拦污栅出厂合格证及有关技术文件/19闸门出厂合格证及有关技术文件/20启闭机出厂合格证及有关技术文件/21压力钢管生产许可证及有关技术文件/22闸门、拦污栅安装测量记录/23压力钢管安装测量记录/24启闭机安装测量记录/25焊接记录及探伤报告/26焊工资格证明材料/27运行试验记录/水利水电工程单位工程施工质量检验与评定资料核查表共 2 页第 2 页28机电设备产品出厂合格证、厂家提交的安装说明书及有关文件29重大设备质量缺陷处理资料/30水轮发电机组安装测试记录/31升压变电设备安装测试记录/32电气设备安装测试记录/33焊缝探伤报告及焊工资格证明/34机组调试及试验记录/35水力机械辅助设备试验记录/36发电电气设备检测试验报告/37升压变电设备检测试验报告/38管道试验记录/3972 小时试运行记录/40重要隐蔽工程施工记录灌浆记录、图表/1。隐蔽工程记录齐全、准确41造孔灌注桩施工记录、图表/42振冲桩振冲记录/43基础排水工程记录/44地下防渗墙施工记录/45其他重要施工记录46综合资料质量事故调查及处理报告、重大缺陷处理检查记录/1、 综合资料齐全。2、 工序、单元工程资料均已按分部工程、单位工程装订成册。47工程施工期及试运行期观测资料/48工序、单元工程质量评定表24349分部工程、单位工程质量评定表6施工单位自查意见监理单位复查结论自查:填表人:质检部门负责人: (盖公章)年 月 日复查: 监理工程师:监理单位: (盖公章)年 月 日

1、当您付费下载文档后,您只拥有了使用权限,并不意味着购买了版权,文档只能用于自身使用,不得用于其他商业用途(如 [转卖]进行直接盈利或[编辑后售卖]进行间接盈利)。
2、本站所有内容均由合作方或网友上传,本站不对文档的完整性、权威性及其观点立场正确性做任何保证或承诺!文档内容仅供研究参考,付费前请自行鉴别。
3、如文档内容存在违规,或者侵犯商业秘密、侵犯著作权等,请点击“违规举报”。

碎片内容

4-单位工程施工质量检验与评定资料核查表

您可能关注的文档

确认删除?
VIP
微信客服
  • 扫码咨询
会员Q群
  • 会员专属群点击这里加入QQ群
客服邮箱
回到顶部