电脑桌面
添加小米粒文库到电脑桌面
安装后可以在桌面快捷访问

SG-018-单位工程质量竣工验收记录VIP专享

SG-018-单位工程质量竣工验收记录_第1页
1/2
SG-018-单位工程质量竣工验收记录_第2页
2/2
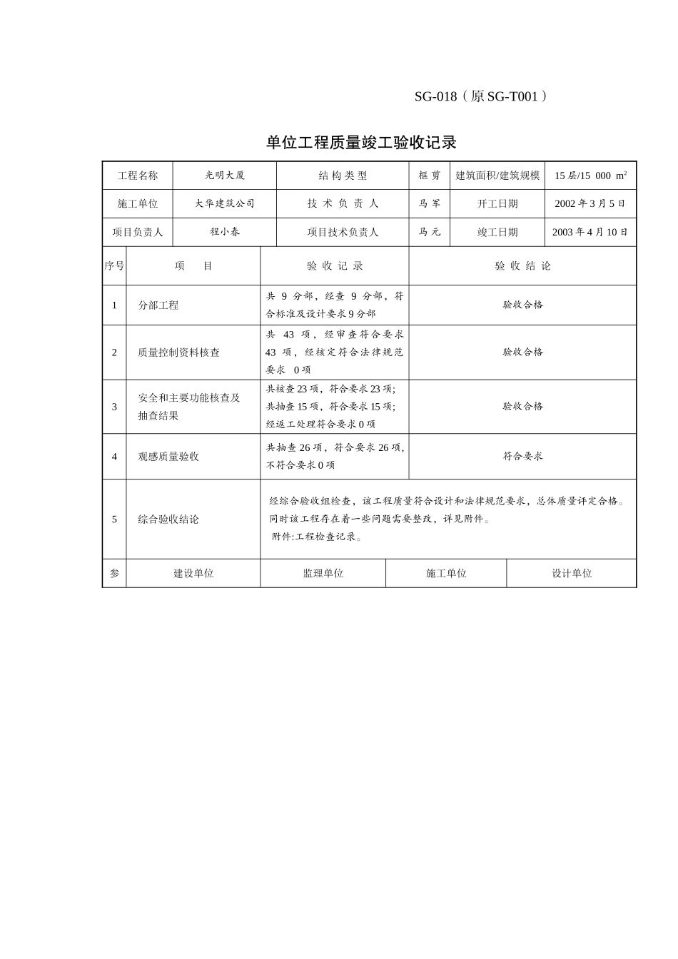
SG-018(原 SG-T001)单位工程质量竣工验收记录工程名称光明大厦结 构 类 型框 剪建筑面积/建筑规模15 层/15000m2施工单位大华建筑公司技术负责人马 军开工日期2002 年 3 月 5 日项目负责人程小春项目技术负责人马 元竣工日期2003 年 4 月 10 日序号项 目验 收 记 录验 收 结 论1分部工程共9分部,经查9分部,符合标准及设计要求 9 分部验收合格2质量控制资料核查共43项,经审查符合要求43项,经核定符合法律规范要求 0 项验收合格3安全和主要功能核查及抽查结果共核查 23 项,符合要求 23 项;共抽查 15 项,符合要求 15 项;经返工处理符合要求 0 项验收合格4观感质量验收共抽查 26 项,符合要求 26 项,不符合要求 0 项符合要求5综合验收结论经综合验收组检查,该工程质量符合设计和法律规范要求,总体质量评定合格。同时该工程存在着一些问题需要整改,详见附件。 附件:工程检查记录。参建设单位监理单位施工单位设计单位加验收单位 (公章)同意验收结论。单位(项目)负责人:王国2003 年 4 月 10 日 (公章)同意验收结论。 总监理工程师:李元2003 年 4 月 10 日 (公章)同意验收结论。单位负责人:林海2003 年 4 月 10 日 (公章)同意验收结论。单位(项目)负责人:柳云2003 年 4 月 10 日四川省建设厅制

1、当您付费下载文档后,您只拥有了使用权限,并不意味着购买了版权,文档只能用于自身使用,不得用于其他商业用途(如 [转卖]进行直接盈利或[编辑后售卖]进行间接盈利)。
2、本站所有内容均由合作方或网友上传,本站不对文档的完整性、权威性及其观点立场正确性做任何保证或承诺!文档内容仅供研究参考,付费前请自行鉴别。
3、如文档内容存在违规,或者侵犯商业秘密、侵犯著作权等,请点击“违规举报”。

碎片内容

SG-018-单位工程质量竣工验收记录

确认删除?
VIP
微信客服
  • 扫码咨询
会员Q群
  • 会员专属群点击这里加入QQ群
客服邮箱
回到顶部