电脑桌面
添加小米粒文库到电脑桌面
安装后可以在桌面快捷访问

上海市优质工程推荐检查要求调整事项

上海市优质工程推荐检查要求调整事项_第1页
1/12
上海市优质工程推荐检查要求调整事项_第2页
2/12
上海市优质工程推荐检查要求调整事项_第3页
3/12
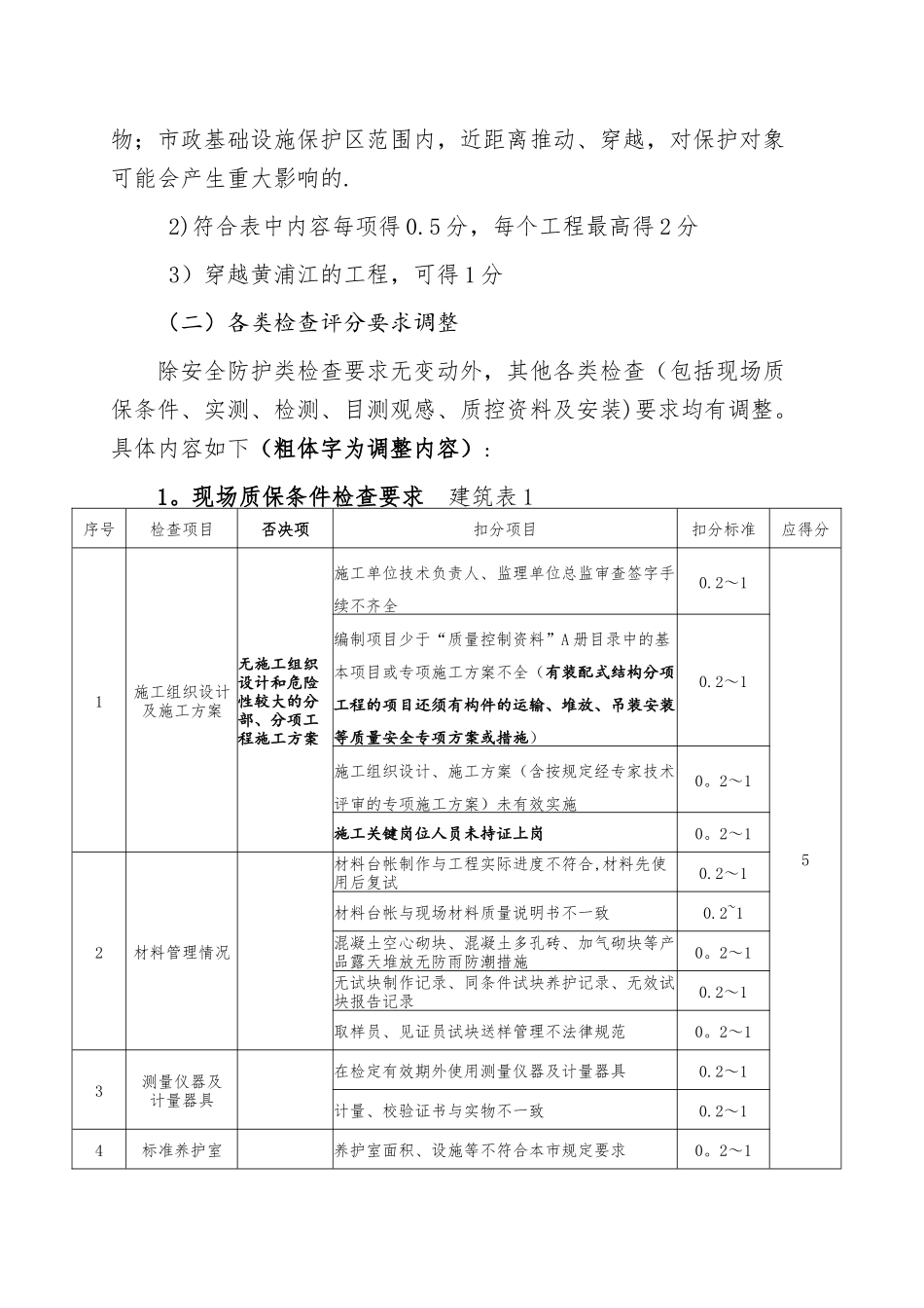
附件上海市优质工程(结构工程)推举检查要求调整事项一、管理程序1。增设预申报环节年度预审报工作分两次进行。工程施工总承包单位作为上海市优质工程(结构工程)(以下简称市优质结构)申报主体,须于每年1 月 10 日前填妥《上海市优质工程(结构工程)创优预申报表》(以下简称预申报表,详见附表),将本企业全年创优目标工程向上海市建设工程安全质量监督总站(以下简称市安质监总站)提出预申报,同年 6 月 20~30 日期间将下半年度需增加申报的工程再次提出书面预申报。《预申报表》在报送市安质监总站的同时,须抄送工程相关受监监督机构。预申报办法从 2025 年 6 月起执行。2.检查申报截止时间申报截止时间为每周五下午 3 时前,检查时间为每周三或周四.(特别情况除外)二、管理要求1.申报单位应严肃仔细做好预申报工作,做好预申报项目的创优目标控制和过程控制,对预申报项目的创优质量负责。未经预申报的项目原则上不受理推举检查.凡预申报项数与参评项目数之差大于 10%以上的(即相符率低于 90%的),将对该施工企业下一年度的创优申报参评项目数量予以相应比例限制。2.工程受监监督机构对上报的参评工程应仔细做好推举工作,严格把关。推举相符情况将纳入区县监督机构年度业绩评价内容。3.工程在申报市优质结构推举检查前,须经参建方对主要的分部分项(桩基、基础、主体结构)进行验收并达到合格标准.《分项、分部工程质量验收证明》作为现场质保条件的检查内容。按规定分阶段申报的项目,须提供分阶段验收证明文件。4.申报工程中含有民防工程的,应经上海市民防建设工程安全质监站检查符合要求。三、评分标准的要求(一)调整特色分中的得分内容序号新技术、新工艺名称1逆作法施工技术(地下≥3 层)2盾构施工:①小曲率半径盾构推动(R≤450m);② 超深埋盾构推动(H≥30m);③ 复杂区域近距离盾构推动(详见注 1)3超高泵送混凝土技术(H≥100m)4预制混凝土装配整体式结构技术(预制率≥40%)5清水混凝土模板技术(房建工程)6大型钢结构滑移安装施工技术7钢结构与大型设备计算机控制整体提升与提升安装施工技术8由评审委员会确定的加分项注:1)复杂区域是指:在易产生涌水、涌砂承压水层内盾构推动施工;浅覆土盾构进出洞、推动、穿越湖泊、河流桥涵等建构筑物;市政基础设施保护区范围内,近距离推动、穿越,对保护对象可能会产生重大影响的. 2)符合表中内容每项得 0.5 分,每个工程最高得 2 分 3)穿越黄浦江...

1、当您付费下载文档后,您只拥有了使用权限,并不意味着购买了版权,文档只能用于自身使用,不得用于其他商业用途(如 [转卖]进行直接盈利或[编辑后售卖]进行间接盈利)。
2、本站所有内容均由合作方或网友上传,本站不对文档的完整性、权威性及其观点立场正确性做任何保证或承诺!文档内容仅供研究参考,付费前请自行鉴别。
3、如文档内容存在违规,或者侵犯商业秘密、侵犯著作权等,请点击“违规举报”。

碎片内容

上海市优质工程推荐检查要求调整事项

文旅传媒+ 关注
实名认证
内容提供者

传播文化,成就未来

确认删除?
VIP
微信客服
  • 扫码咨询
会员Q群
  • 会员专属群点击这里加入QQ群
客服邮箱
回到顶部