电脑桌面
添加小米粒文库到电脑桌面
安装后可以在桌面快捷访问

专家论证模板方案VIP专享

专家论证模板方案_第1页
1/25
专家论证模板方案_第2页
2/25
专家论证模板方案_第3页
3/25
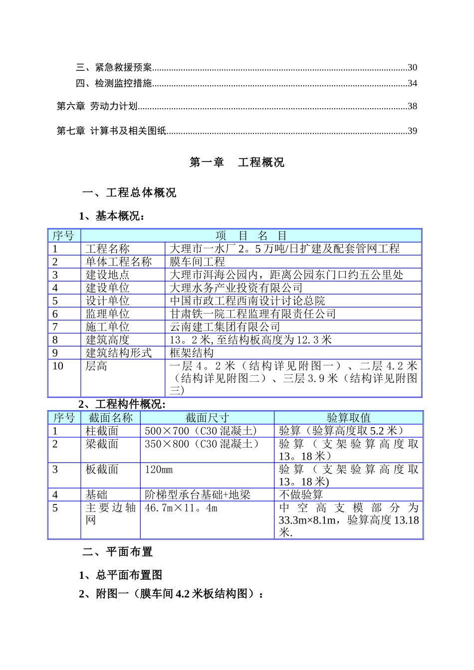
大理市一水厂 2。5 万吨/日扩建及配套管网工程膜车间模板工程安全施工专项方案审定: 审批: 审核: 编制: 云南建工集团有限公司日 期:201 年 08 月 6 日目 录 第一章 工程概况.......................................................................................................................3一、工程总体概况.............................................................................................................3二、平面布置.....................................................................................................................4三、施工要求.....................................................................................................................6四、技术保证条件.............................................................................................................7第二章 编制依据.......................................................................................................................8一、相关法律、法规及法律规范性文件.........................................................................8二、相关标准、法律规范.................................................................................................9三、相关图纸、软件及施工组织设计...........................................................................10第三章 施工计划.....................................................................................................................11一、施工进度计划...........................................................................................................11二、材料与设备计划.......................................................................................................11第四章 施工工艺技术.............................................................................................................14一、技术参数...................................................................................................................14三、施工方法............................................................

1、当您付费下载文档后,您只拥有了使用权限,并不意味着购买了版权,文档只能用于自身使用,不得用于其他商业用途(如 [转卖]进行直接盈利或[编辑后售卖]进行间接盈利)。
2、本站所有内容均由合作方或网友上传,本站不对文档的完整性、权威性及其观点立场正确性做任何保证或承诺!文档内容仅供研究参考,付费前请自行鉴别。
3、如文档内容存在违规,或者侵犯商业秘密、侵犯著作权等,请点击“违规举报”。

碎片内容

专家论证模板方案

确认删除?
VIP
微信客服
  • 扫码咨询
会员Q群
  • 会员专属群点击这里加入QQ群
客服邮箱
回到顶部