电脑桌面
添加小米粒文库到电脑桌面
安装后可以在桌面快捷访问

中煤集中防腐协议书

中煤集中防腐协议书_第1页
1/9
中煤集中防腐协议书_第2页
2/9
中煤集中防腐协议书_第3页
3/9
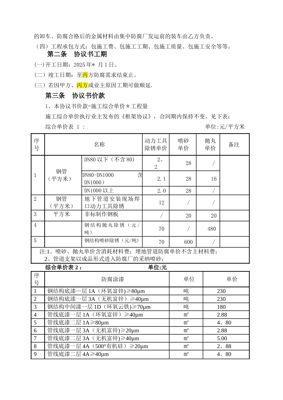
中煤陕西榆林能源化工有限公司甲醇醋酸系列深加工及综合利用项目一期(I)全厂系统工程全厂工艺及供热外管**标段集中防腐工程协议书协议书编号(集中防腐厂):协议书编号(EPC 承包商):签订日期:2012 年 7 月 *日 签订地点: 天津集中防腐工程协议书EPC 总承包商:中国天辰工程有限公司(以下称甲方)集中防腐厂:河北大庄消防工程有限公司(以下称乙方)施工分包商:******(以下称丙方)业主:中煤榆横煤化工项目系统项目组(以下称丁方)根据《中华人民共和国协议书法》、《中华人民共和国建筑法》及其他有关法律、行政法规、遵循平等、自愿、诚实信用的原则,根据中煤陕西公司榆横煤化工项目部《2011 年 10 月第二周协调例会》(M—CCSC100—PMD-029)第四.2 条和中煤陕西公司榆横煤化工项目部施工管理部《关于发布集中防腐、商品砼集中供应框架协议的通知》(N-CCSC-CON—026),甲乙双方就中煤陕西榆林能源化工有限公司甲醇醋酸系列深加工及综合利用项目一期(I)全厂系统工程五大建筑*标段 工程 采纳集中防腐的方式进行防腐施工事宜,经协商一致,签订本协议书. 第一条 工程概况(一)工程名称:中煤陕西榆林能源化工有限公司甲醇醋酸系列深加工及综合利用项目全厂系统工程五大建筑 * 标段的金属管线及钢结构 防腐工程施工协议书(二)工程地点:陕西省榆林市榆横煤化学工业区煤化工项目集中防腐厂(三)工程分包范围:中煤陕西榆横煤化工项目全厂系统工程五大建筑*标段的金属关系及钢结构的管道、管件、现场焊口的除锈、防腐等工作,包括防腐质量验收及交工资料报送等相关管理工作,具体工程量以丙方委托单为准。外供需防腐材料至集中防腐厂的卸车、防腐合格后的金属材料由集中防腐厂发运前的装车由乙方负责。(四)工程承包方式:包施工费、包施工工期、包施工质量、包施工安全等等。 第二条 协议书工期(一)开工日期:2025 年* 月 1 日。(二)竣工日期:至丙方防腐需求结束止。(三)若因甲方、丙方或业主原因工期可做顺延.第三条 协议书价款1、本协议书价款=施工综合单价*工程量施工综合单价执行业主发布的《框架协议》,合同期内保持不变。见下表:综合单价表 1 : 单位:元/平方米序号名称动力工具除锈单价喷砂单价抛丸单价备注1钢管(平方米)DN80 以下(不含 80)2。228/DN80-DN1000含DN1000)2.12816DN1000 以上2.028/2钢管(平方米)地下管道安装现场焊口动力工具除锈12//3平方米非标制作钢板/20204...

1、当您付费下载文档后,您只拥有了使用权限,并不意味着购买了版权,文档只能用于自身使用,不得用于其他商业用途(如 [转卖]进行直接盈利或[编辑后售卖]进行间接盈利)。
2、本站所有内容均由合作方或网友上传,本站不对文档的完整性、权威性及其观点立场正确性做任何保证或承诺!文档内容仅供研究参考,付费前请自行鉴别。
3、如文档内容存在违规,或者侵犯商业秘密、侵犯著作权等,请点击“违规举报”。

碎片内容

中煤集中防腐协议书

不二商店+ 关注
实名认证
内容提供者

我是你的不二选择

确认删除?
VIP
微信客服
  • 扫码咨询
会员Q群
  • 会员专属群点击这里加入QQ群
客服邮箱
回到顶部