电脑桌面
添加小米粒文库到电脑桌面
安装后可以在桌面快捷访问

中空玻璃质量检验规范

中空玻璃质量检验规范_第1页
1/3
中空玻璃质量检验规范_第2页
2/3
中空玻璃质量检验规范_第3页
3/3
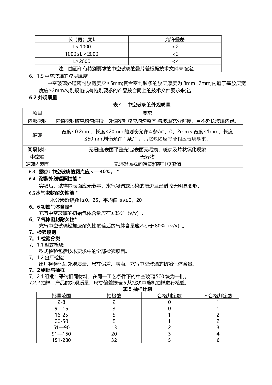
自用中空玻璃质量检验法律规范(试行)1目的1.1法律规范中空玻璃来料检验要求,指导检验人员正确的进行检验工作。1.2保证本公司所购中空玻璃的质量符合要求。2适用范围2.1 本标准适用于公司外购中空玻璃质量要求。2.2 本标准是对中空玻璃的质量标准进行了规定。3名称术语3.1中空玻璃:两片或多片玻璃以有效支撑均匀隔开并周边粘接密封,使玻璃层间形成有干燥气体空间的玻璃制品。(注:其使用寿命一般不少于 15 年。)4分类:4.1按形状分类:平面中空玻璃和曲面中空玻璃4.2按中空腔内气体分类:4.2.1 普通中空玻璃:中空腔内为空气的中空玻璃。4.2.2 充气中空玻璃:中空腔内充入氩气、氪气等气体的中空玻璃。5要求:5.1尺寸偏差5.1.1中空玻璃的长度及宽度允许偏差见表 1表 1 长(宽)度允许偏差(单位:毫米)长(宽)度 L允许偏差L〈1000±21000≤L<2000+2,-3L≥2000±35.1.2 中空玻璃的厚度允许偏差表 2 厚度允许偏差(单位:毫米)公差厚度 D允许偏差D<17±1.017≤D<22±1.5D≥22±2.0注:中空玻璃的公称厚度为玻璃原片公称厚度与中空腔厚度之和。5.1.3 中空玻璃对角线差矩形平面中空玻璃对角线差应不大于对角线平均长度的 0.2%,曲面和异形中空玻璃对角线差根据技术文件来定。5.1.4 叠差表 3 允许最大叠差(单位:毫米)长(宽)度 L允许叠差L<1000<21000≤L<2000<3L≥2000<4注:曲面和有特别要求的中空玻璃的叠片差根据技术文件来确定。6。1.5 中空玻璃的胶层厚度中空玻璃外道密封胶宽度应≥5mm;复合密封胶条的胶层厚度为 8mm±2mm;内道丁基胶层宽度应≥3mm,特别规格或有特别要求的产品按合同上的技术文件要求来定。6.2 外观质量表 4 中空玻璃的外观质量项目要求边部密封内道密封胶应均匀连续,外道密封胶应均匀整齐,与玻璃充分粘接,且不超长玻璃边缘。玻璃宽度≤0.2mm,长度≤20mm 的划伤允许 4 条/㎡,0。2mm<宽度≤1mm,长度≤50mm 划伤允许 1 条/㎡,其它缺陷应符合相应玻璃要求。间隔材料无扭曲,表面平整光洁;表面无污痕、斑点及片状氧化现象中空腔无异物玻璃内表面无阻碍透视的污迹和密封胶流淌6.3 露点: 中空玻璃的露点应<—40℃。*6.4 耐紫外线辐照性能*实验后,试样内表面应无节雾、水气凝聚或污染的痕迹且密封胶无明显变形。6.5水气密封耐久性能*水分渗透指数 I≤0。25,平均值 Iav≤0。206。6 初始气体含量* 充气中空玻璃的初始气体含量应在≥85%(v/v)。6。7 气体密封耐久性*充...

1、当您付费下载文档后,您只拥有了使用权限,并不意味着购买了版权,文档只能用于自身使用,不得用于其他商业用途(如 [转卖]进行直接盈利或[编辑后售卖]进行间接盈利)。
2、本站所有内容均由合作方或网友上传,本站不对文档的完整性、权威性及其观点立场正确性做任何保证或承诺!文档内容仅供研究参考,付费前请自行鉴别。
3、如文档内容存在违规,或者侵犯商业秘密、侵犯著作权等,请点击“违规举报”。

碎片内容

中空玻璃质量检验规范

您可能关注的文档

确认删除?
VIP
微信客服
  • 扫码咨询
会员Q群
  • 会员专属群点击这里加入QQ群
客服邮箱
回到顶部