电脑桌面
添加小米粒文库到电脑桌面
安装后可以在桌面快捷访问

公路工程质量检验评定标准JTG-F80-1---2025)

公路工程质量检验评定标准JTG-F80-1---2025)_第1页
1/17
公路工程质量检验评定标准JTG-F80-1---2025)_第2页
2/17
公路工程质量检验评定标准JTG-F80-1---2025)_第3页
3/17
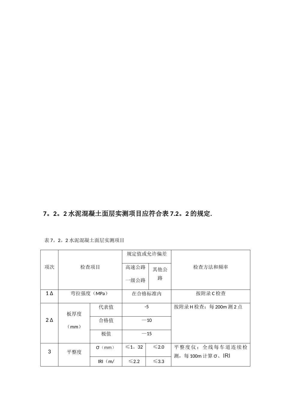
7 路面工程(29—39 页)7。1 一般规定7。2 水泥混凝土面层7.3 沥青混凝土面层和沥青碎(砾)石面层7。4 沥青贯入式面层(或上拌下贯式面层)7。5 沥青表面处置面层7.6 稳定土基层和底基层7。7 稳定粒料基层和底基层7.8 级配碎(砾)石基层和底基层7。9 填隙碎石(矿渣)基层和底基层7。10 路缘石铺设7。11 路肩7 路面工程7。1 一般规定7.1.1 路面工程的实测项目规定值或允许偏差应按高速公路、一级公路和其他公路两档确定,路面结构层厚度检验标准均为允许偏差。7.1。2 垫层应按相同材料的底基层检验。透层、黏层和封层的基本要求应与本标准第 7。5。1 条沥青表面处置层相同。水泥混凝土面层中钢筋加工及安装分项工程应按本标准第 8 章的要求进行检验。7.1。3 水泥混凝土上加铺沥青面层的复合式路面,两种结构均应进行检验评定。其中,水泥混凝土路面结构可不检查抗滑构造深度,平整度应符合相应等级公路的标准;沥青面层可不检查弯沉.7。1.4 稳定土基层和底基层包括水泥土、石灰土、石灰粉煤灰、石灰粉煤灰土等;稳定粒料基层和底基层包括水泥稳定材料、石灰稳定材料、石灰粉煤灰材料、水泥粉煤灰稳定材料等.7.1。5 粒料基层完工后应及时洒布透层油并铺筑封层,透层油透入深度应不小于 5mm,无机结合料稳定材料基层透层油透入深度宜不小于3mm.7。2 水泥混凝土面层7.2.1 水泥混凝土面层应符合下列基本要求: 1 基层质量应符合法律规范规定并满足设计要求,表面清洁、无浮土。 2 接缝填缝料应符合法律规范规定并满足设计要求。 3 接缝的位置、规格、尺寸及传力杆、拉力杆的设置应满足设计要求。 4 混凝土路面铺筑后按施工法律规范要求养护。 5 应对干缩、温缩产生的裂缝进行处理.7。2。2 水泥混凝土面层实测项目应符合表 7.2。2 的规定. 表 7。2。2 水泥混凝土面层实测项目项次检查项目规定值或允许偏差检查方法和频率高速公路一级公路其他公路1 Δ弯拉强度(MPa)在合格标准内按附录 C 检查2 Δ板厚度(mm)代表值-5按附录 H 检查:每 200m 测 2 点合格值—10极值—153平整度σ(mm)≤1。32≤2.0平整度仪:全线每车道连续检测,每 100m 计算 σ、IRIIRI(m/≤2.2≤3.3km)最大间隙 h(mm)353m 直尺:每半幅车道每 200m 测2 处×5 尺4抗滑构造深度(mm)一般路段0。7~1.10。5~1。0铺砂法:每 200m 测 1 处特别路段0。8~1.20.6~1。15横向力系数SFC一般路段≥50-———---按附录 L ...

1、当您付费下载文档后,您只拥有了使用权限,并不意味着购买了版权,文档只能用于自身使用,不得用于其他商业用途(如 [转卖]进行直接盈利或[编辑后售卖]进行间接盈利)。
2、本站所有内容均由合作方或网友上传,本站不对文档的完整性、权威性及其观点立场正确性做任何保证或承诺!文档内容仅供研究参考,付费前请自行鉴别。
3、如文档内容存在违规,或者侵犯商业秘密、侵犯著作权等,请点击“违规举报”。

碎片内容

公路工程质量检验评定标准JTG-F80-1---2025)

您可能关注的文档

确认删除?
VIP
微信客服
  • 扫码咨询
会员Q群
  • 会员专属群点击这里加入QQ群
客服邮箱
回到顶部