电脑桌面
添加小米粒文库到电脑桌面
安装后可以在桌面快捷访问

公路沥青混凝土路面施工方案

公路沥青混凝土路面施工方案_第1页
1/3
公路沥青混凝土路面施工方案_第2页
2/3
公路沥青混凝土路面施工方案_第3页
3/3
公路沥青混凝土路面施工方案A.施工准备a. 选购经调查试验合格的材料进行备料,矿料应分类堆放,矿粉必须是石灰岩磨细而成,不得受潮,必要时做好矿料堆放场地的硬化处理和场地四周排水设施及搭设矿粉库房或储存罐.b. 做好配合比设计报送监理工程师审批,对各种原材料进行符合性检验。c. 在验收合格的基层上恢复中线(底面层施工时)在边线外侧 0。3—0。5m 处每隔 5-10m 钉边桩进行水平测量,拉好基准线,画好边线。d. 对下承层进行清扫,底面层施工前二天在基层上洒透层油。在中底面层上喷洒粘层油。e. 试验段开工前 28 天安装好试验仪器和设备,配备好的试验人员报请监理工程师审核。各层开工前 14 天在监理工程师批准的现场备齐全部机械设备进行试验段铺筑,以确定松铺系数、施工工艺、机械配备人员组织、压实遍数,并检查压实度,沥青含量,矿料级配,沥青混合料马歇尔各项技术指标等。B.沥青混合料的拌和a.各种集料分类堆放,每个料源均进行试验,按要求的配合比进行配料。b.设置间歇式具有密封性能及除尘设备,并有检测拌和温度装置的沥青砼拌和站。c.拌和站设试验室,对沥青砼的原材料的沥青混合料及时进行检测。d.沥青的加热温度控制在法律规范规定的范围之内 ,即 150-—1700C。集料的加热温度控制在 160——1800C;温柔料的出厂温度控制在 140——1650C。当温柔料出厂温度过高废弃。混合料运至施工现场的温度控制在不低于 120——1500C.e.出厂的混合料须均匀一致,无白花料,无粗细料离析和结块现象,不符要求时废弃。C.混合料的运输a.根据拌和站的产量、运距合理安排运输车辆.b.运输车的车箱内保持洁净,涂防粘薄膜剂.运输车配备覆盖棚布以防雨和热量损失。c.已离析、硬化在运输车箱内的混合料,低于规定铺筑温度或被雨淋的混合料予以废弃。D.混合料的摊铺a.根据路面宽度选用 1—2 台具有自动调节摊铺厚度及找平装置,可加热的振动熨平板,并运行良好的高密度沥青砼摊铺机进行摊铺。b.底、中、面层采纳走线法施工,表面层采纳拖杠法施工。c.摊铺机均匀行驶,行走速度和拌和站产量相匹配,以确保所摊铺路面的均匀不间断地摊铺.在摊铺过程中不准随意变换速度,尽量避开中途停顿。d.沥青砼的摊铺温度根据气温变化进行调节。一般正常施工控制在不低于 110—130OC,不超过 165OC,在摊铺过程中随时检查并作好记录。e.开铺前将摊铺机的熨平板进行加热至不低于 65OC。f.采纳双机或三机梯进式施工时,相邻两机的...

1、当您付费下载文档后,您只拥有了使用权限,并不意味着购买了版权,文档只能用于自身使用,不得用于其他商业用途(如 [转卖]进行直接盈利或[编辑后售卖]进行间接盈利)。
2、本站所有内容均由合作方或网友上传,本站不对文档的完整性、权威性及其观点立场正确性做任何保证或承诺!文档内容仅供研究参考,付费前请自行鉴别。
3、如文档内容存在违规,或者侵犯商业秘密、侵犯著作权等,请点击“违规举报”。

碎片内容

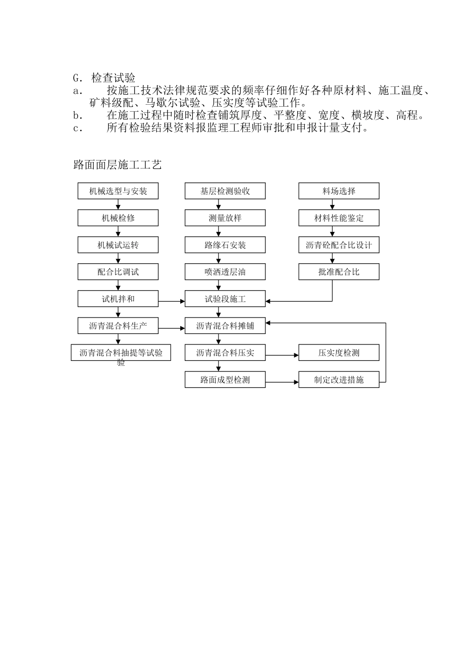
公路沥青混凝土路面施工方案

您可能关注的文档

确认删除?
VIP
微信客服
  • 扫码咨询
会员Q群
  • 会员专属群点击这里加入QQ群
客服邮箱
回到顶部