电脑桌面
添加小米粒文库到电脑桌面
安装后可以在桌面快捷访问

关键设备管理办法

关键设备管理办法_第1页
1/3
关键设备管理办法_第2页
2/3
关键设备管理办法_第3页
3/3
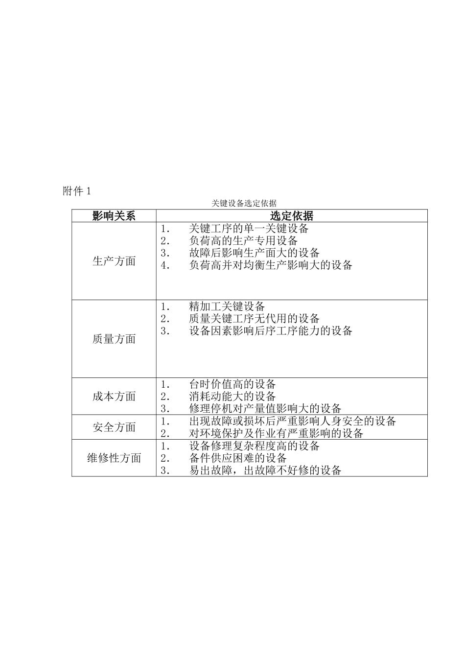
株洲变流技术国家工程讨论中心有限公司管理文件关键设备管理办法—- 共 04 页 第 01 页1、目的和范围为加强对大型、精密、贵重、重点设备(简称关键设备)的管理,以确保关键设备的正常运行,特制定本办法。本办法适用于关键设备的使用、维护保养及日常检查、考核等各项管理。2、制订依据《中国南车股份有限公司设备管理规定》3、定义无4、职责无5、具体条款5.1 关键设备的选定是根据在生产中对生产、质量、成本、安全、交货期等诸方面影响的设备,将设备划分为 A、B、C 三类,A 类为关键设备,是重点管理和维护、维修的对象,应严格执行预防维护、维修、管理;B类为主要生产设备,也应执行预防维护、维修、管理;C 类为一般设备,可以实行事后维修。(具体见附件《关键设备选定依据》)。2011 年 5 月 15 日发布 2011 年 5 月 15 日实施-- 共 04 页 第 02 页5。2 关键设备由运营管理部根据有关规定落实,应单独建立关键设备台帐.关键设备必须严格管理,在设备醒目处订上标示牌,每年年终进行清查核实。5。3 关键设备必须仔细做好“四定”:定使用人、定维修人、定规程制度、定备件。5。4 关键设备的操作工人,必须熟知设备的使用要求及设备维护保养要求,必须经过严格培训和考核,领取操作证以后才能上岗位操作。5。5 关键设备操作者变动,在经生产总监审批并报运营管理部,经考试合格取得操作证后方准变动,变动情况记入设备档案内。5.6 为了确保关键设备的正常运转,合理储备关键设备的易损、易耗件和主要配件,运营管理部负责易损、易耗件和主要配件的计划、采购、储备工作,及时做好备件的使用、储备记录。5.7 关键设备必须严格遵守执行相关设备管理规定外还要遵守下列要求:5。8 关键设备只允许按其规定用途使用,绝对禁止粗加工和超负荷使用,工件的重量、规格不许超过使用说明书的规定,加工余量应为最小量。5。9 运营管理部应对每台关键设备编制润滑卡片,关键设备的润滑必须按润滑卡片的规定严格执行,加入前必须过滤。5。10 维修人员每天要检查关键设备的运转情况,要建立专门的检查记录簿,要定期检查校正精度,及时发现和消除隐患。设备工程师每周至少要对设备的交接,运车、记录检查一次,掌握好使用情况和机床的技术状态。—-共 04 页 第 03 页 5。11 关键设备的检修必须严格根据修理周期来执行,一经列入计划,不许随意更改。修理内容及配件更换情况,及时记入设备履历表中。5。12 关键设备的技术...

1、当您付费下载文档后,您只拥有了使用权限,并不意味着购买了版权,文档只能用于自身使用,不得用于其他商业用途(如 [转卖]进行直接盈利或[编辑后售卖]进行间接盈利)。
2、本站所有内容均由合作方或网友上传,本站不对文档的完整性、权威性及其观点立场正确性做任何保证或承诺!文档内容仅供研究参考,付费前请自行鉴别。
3、如文档内容存在违规,或者侵犯商业秘密、侵犯著作权等,请点击“违规举报”。

碎片内容

关键设备管理办法

确认删除?
VIP
微信客服
  • 扫码咨询
会员Q群
  • 会员专属群点击这里加入QQ群
客服邮箱
回到顶部