电脑桌面
添加小米粒文库到电脑桌面
安装后可以在桌面快捷访问

冠梁、砼支撑施工方案。

冠梁、砼支撑施工方案。_第1页
1/7
冠梁、砼支撑施工方案。_第2页
2/7
冠梁、砼支撑施工方案。_第3页
3/7
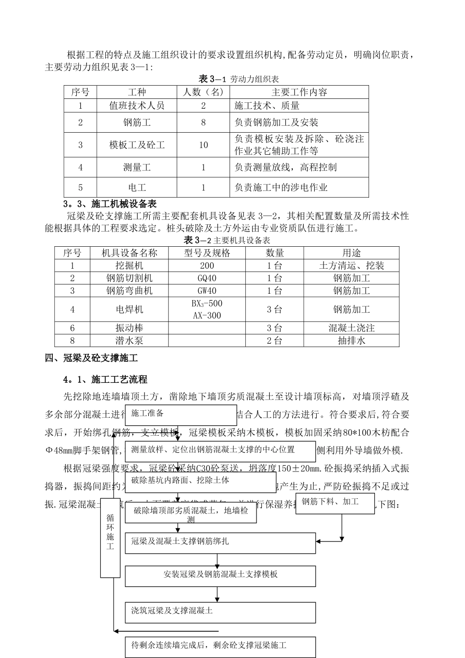
目录一、工程概述 1二、编制依据 1三、施工顺序与部署 11、施工顺序 12、劳动力安排 13、施工机械设备表 2四、冠梁及砼支撑施工 21、施工工艺流程 22、测量放样 33、破除基坑内原路面和地连墙顶部砼 34、钢筋绑扎 35、模板施工 46、混凝土浇筑 57、拆模、养护 68、质量通病的出现与控制 69、质量保证措施 6五、安全文明施工及消防措施 7六、环境保护措施 8冠梁、砼支撑施工方案一、工程概述本工程为广州市轨道交通四号线南延段【施工 1 标】土建工程金隆站围护结构,金隆站位于金隆路西侧的广隆村居民自建楼和乐怡居农庄地界内,线路沿金隆路南北走向,为地下两层岛式站,车站长度为 200.8 米,起讫里程为 YCK56+381。100~YCK56+581。900,有效站台中心里程为 YCK56+536。000.基坑围护结构采纳厚 0.8m 地下连续墙及预应力锚索和砂浆锚杆支护,内支撑采纳“砼支撑+钢支撑"的形式。基坑宽度为 20.0m~24.0m,开挖深度为 17.9m~19。1m。本车站主体及附属内部结构均采纳钢筋混凝土矩形框架结构,车站主体及风亭、出入口均采纳明挖顺筑法施工,车站共设置 2 个出入口位于车站的东侧,北出入口设置 2 个口部。第 一 道 支 撑 采 纳 700X1000mm 混 凝 土 支 撑 , 水 平 间 距 为 9 。 0m; 第 二 支 撑 采 纳700X1000mm 和 800X1200mm 混凝土支撑、水平间距为 9.0m,支撑设置在 600X1200mm 混凝土腰梁上,局部采纳混凝土板撑;三道支撑除南端头井采纳 700X1000mm 混凝土支撑外均采纳¢609X16 钢管支撑,钢支撑水平间距 3m,部分区域基坑上部采纳吊脚连续墙+锚索,下部采纳砂浆锚杆支护。车站两端扩大头处腰梁采纳混凝土腰梁,其余为钢腰梁。对撑段设置在 2I45C 工字钢腰梁上,保证基坑开挖等施工时围护结构稳定性,安全度以及整体性,本车站地下连续墙顶部施做一道钢筋混凝土冠梁,尺寸为 600X1000mm 和 800X1000mm,钢筋混凝土支撑主筋净保护层厚度为 30mm,冠梁主筋净保护层厚度为 40mm。二、编制依据1.广州市轨道交通四号线南延段【施工 1 标】土建工程金隆站围护结构施工设计图纸。2。《建筑基坑工程技术法律规范》(DB33/T1008)3.《建筑基坑支护技术规程》(JGJ120—99258-97)4.《地下铁道工程施工及验收法律规范》(GB50299-1999(2025 版))5。《建筑施工模板安全技术法律规范》(JGJ162—2025)6。《混凝土结构工程施工质量验收法律规范》(GB50204-2025)7.《钢筋焊接...

1、当您付费下载文档后,您只拥有了使用权限,并不意味着购买了版权,文档只能用于自身使用,不得用于其他商业用途(如 [转卖]进行直接盈利或[编辑后售卖]进行间接盈利)。
2、本站所有内容均由合作方或网友上传,本站不对文档的完整性、权威性及其观点立场正确性做任何保证或承诺!文档内容仅供研究参考,付费前请自行鉴别。
3、如文档内容存在违规,或者侵犯商业秘密、侵犯著作权等,请点击“违规举报”。

碎片内容

冠梁、砼支撑施工方案。

您可能关注的文档

确认删除?
VIP
微信客服
  • 扫码咨询
会员Q群
  • 会员专属群点击这里加入QQ群
客服邮箱
回到顶部