电脑桌面
添加小米粒文库到电脑桌面
安装后可以在桌面快捷访问

冲击碾压施工方案修改

冲击碾压施工方案修改_第1页
1/20
冲击碾压施工方案修改_第2页
2/20
冲击碾压施工方案修改_第3页
3/20
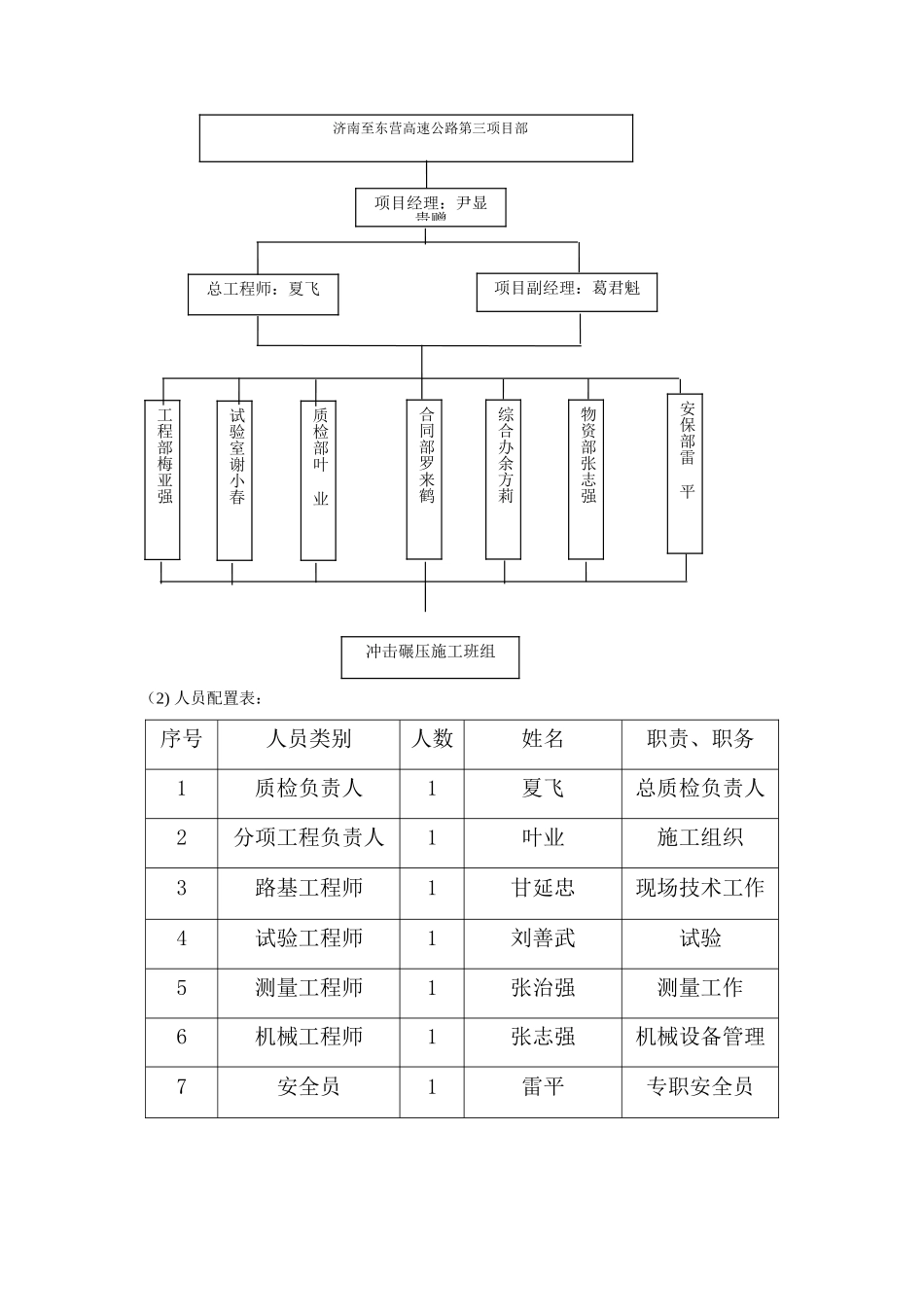
济南至东营高速公路第三标段原地面冲击碾压首件工程施工方案重庆交通建设(集团)有限责任公司济南至东营高速公路第三标段项目经理部二 O 一四年五月原地面冲击碾压首件工程施工方案一、编制依据1、济东高速公路第三合同段施工招标《合同协议书》;2、济东高速公路第三合同段两阶段施工图设计;3、《公路路基施工技术法律规范》(JTGF10-2025)4、《高速公路施工标准化技术指南》;5、《公路工程施工安全技术规程》(JTJ076-95)6、《公路工程质量检验评定标准》(JTGF80/1—2025)7、《公路冲击碾压应用技术指南》;(交通部公路科学讨论院)二、工程概况1、工程简介本项目为济南至东营高速公路第三标合同段 ,起讫桩号为K20+000~K30+980,全长 10。98 公里,主要施工内容为路基、路面、桥涵、安全和环保设施工程.其中设互通立交桥 1 座,互通立交主线桥 1 座,中桥 8 座、分离立交桥 2 座、通道 10 道、涵洞 52 道.本段冲击碾压工程量为 534512m2。2、首件工程选择及目的本次首件工程选择 K28+500—K28+700,处理长度 200 米.本路段为平原农田区,地势平坦开阔,无地下管线、大棚及农房建筑,机械进场便利,受外界干扰小,能在短期内完成试验,对后续施工有较好的指导作用。首件工程的目的:(1)选取合理的机械设备和质量控制方案,使冲击碾压施工满足设计要求,确保施工质量。(2)熟悉施工运作程序和各种检测手段,使以后工程施工在有序、有效的组织和监督下优质高效进行.三、施工部署1、资源配置(1)施工组织机构 组织框架图(2) 人员配置表:序号人员类别人数姓名职责、职务1质检负责人1夏飞总质检负责人2分项工程负责人1叶业施工组织3路基工程师1甘延忠现场技术工作4试验工程师1刘善武试验5测量工程师1张治强测量工作6机械工程师1张志强机械设备管理7安全员1雷平专职安全员济南至东营高速公路第三项目部项目经理:尹显贵赠总工程师:夏飞项目副经理:葛君魁工程部梅亚强试验室谢小春质检部叶 业合同部罗来鹤综合办余方莉物资部张志强安保部雷 平冲击碾压施工班组(3) 机械配置机械配置一览表设备名称规格型号数量备注牵引机型号QCY—360型3压实轮组型号YCT-253推土机ST2203装载机ZL-501平地机 PY-1901洒水车 洒水车2运输车 陕汽6(4)实验仪器试验与测量仪器表2、施工便道(1)施工现场的道路畅通,与存放场、仓库、施工设备等位置比较协调,满足施工车辆的行车速度、密度、载重量等要求.(2)施工便道充分利用既有道路...

1、当您付费下载文档后,您只拥有了使用权限,并不意味着购买了版权,文档只能用于自身使用,不得用于其他商业用途(如 [转卖]进行直接盈利或[编辑后售卖]进行间接盈利)。
2、本站所有内容均由合作方或网友上传,本站不对文档的完整性、权威性及其观点立场正确性做任何保证或承诺!文档内容仅供研究参考,付费前请自行鉴别。
3、如文档内容存在违规,或者侵犯商业秘密、侵犯著作权等,请点击“违规举报”。

碎片内容

冲击碾压施工方案修改

您可能关注的文档

人从众+ 关注
实名认证
内容提供者

欢迎光临小店,本店以公文和教育为主,希望符合您的需求。

确认删除?
VIP
微信客服
  • 扫码咨询
会员Q群
  • 会员专属群点击这里加入QQ群
客服邮箱
回到顶部