电脑桌面
添加小米粒文库到电脑桌面
安装后可以在桌面快捷访问

冷凝液操作规程

冷凝液操作规程_第1页
1/71
冷凝液操作规程_第2页
2/71
冷凝液操作规程_第3页
3/71
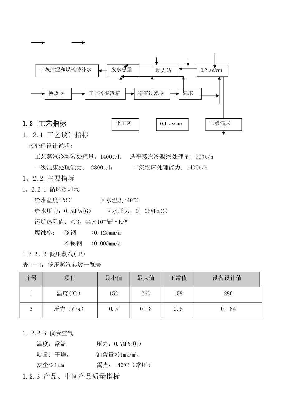
第一章 工艺技术规程1.1 装置概况 1.1。1 装置简介冷凝液精制装置通过过滤设备(精密过滤器)、两级除盐设备(混合离子交换器)和加药设备对上游工序来的工艺冷凝液和透平冷凝液进行除铁、除悬浮杂质、除盐处理,从而达到化工区除盐水要求。 冷凝液精制地处空分南侧,动力分厂西侧,冷凝液闪蒸扩容装置东侧.占地 1297.6m2。1.1.2 工艺原理离子交换反应原理离子交换树脂是由高分子骨架和活性基团两部分组成。而活性基团又是由官能团离子和交换离子两部分组成。离子交换反应就是这种可交换反应离子与水中同性离子间的交换过程。1.1.3 工艺流程说明从工艺装置来的工艺蒸汽冷凝液压力为 0。4MPa,温度为 110℃,工艺蒸汽冷凝液经过冷凝液换热器换热,换热后的冷凝水温度为 40℃,工艺蒸汽冷凝液送冷凝液水箱,再由工艺冷凝液泵(3+1 台)送到精密过滤器(4+1 台)去除冷凝液中的杂质和大部分铁,出水进入混合离子交换器(4+1 台)去除水中阴阳离子,出水进入 0.2 S/cm 精制水箱。从工艺装置来的透平冷凝液压力为 0。25MPa,温度为 60℃,透平冷凝液经过冷凝液换热器换热,换热后的冷凝水温度为 40℃,透平冷凝液送入透平冷凝液水箱,再由透平冷凝液泵(2+1 台)送到精密过滤器(3+1 台)去除冷凝液中的杂质和大部分铁,出水进入混合离子交换器(3+1台)去除水中阴阳离子,出水进入 0.2 S/cm 精制水箱。0。2 S/cm 精制水箱中的精制冷凝液一部分用冷凝液精制输送泵(1+1 台)送动力分厂。另一部分用一级精制水泵(3+1台)送二级混床(4+1 台)进一步精制成 0.1 S/cm 除盐水送 0。1 S/cm 精制水箱贮存,然后用精制水泵(4+1 台)送锅炉除氧器和化工区用户。再生工序包括酸碱的储存、酸碱计量、酸碱溶液的配制、输送、再生废液的中和。离子交换树脂再生采纳 31%盐酸和 40%氢氧化钠溶液。盐酸(31%HCl)由酸槽车用卸酸泵输送至酸储罐储存;碱(40%NaOH)由碱槽车用卸碱泵输送至碱储罐储存.离子交换器再生废水在中和池中和达到 PH 值 6~9 后,用排水泵送界外煤栈桥冲洗水站做站内补水和干灰拌湿用水。一级混床处理能力 2300m3/h;二级混床处理能力 1400m3/h1.1.4工艺原则流程图换热器透平冷凝液箱精密过滤器混床1.2工艺指标1。2.1 工艺设计指标水处理设计说明:工艺蒸汽冷凝液处理量:1400t/h 透平蒸汽冷凝液处理量: 900t/h一级混床处理能力: 2300t/h 二级混床处理能力:1400t/h1。2.2 主要指标1。2.2.1 ...

1、当您付费下载文档后,您只拥有了使用权限,并不意味着购买了版权,文档只能用于自身使用,不得用于其他商业用途(如 [转卖]进行直接盈利或[编辑后售卖]进行间接盈利)。
2、本站所有内容均由合作方或网友上传,本站不对文档的完整性、权威性及其观点立场正确性做任何保证或承诺!文档内容仅供研究参考,付费前请自行鉴别。
3、如文档内容存在违规,或者侵犯商业秘密、侵犯著作权等,请点击“违规举报”。

碎片内容

冷凝液操作规程

您可能关注的文档

确认删除?
VIP
微信客服
  • 扫码咨询
会员Q群
  • 会员专属群点击这里加入QQ群
客服邮箱
回到顶部