电脑桌面
添加小米粒文库到电脑桌面
安装后可以在桌面快捷访问

制袋员工培训资料

制袋员工培训资料_第1页
1/11
制袋员工培训资料_第2页
2/11
制袋员工培训资料_第3页
3/11
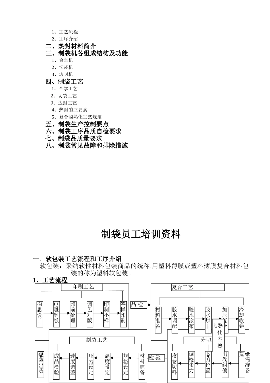
制袋质检员学习资料编制:审核:批准:编制日期:目录一、软包装工艺流程和工序介绍1、工艺流程2、工序介绍二、热封材料简介三、制袋机各组成结构及功能1、合掌机2、切袋机3、边封机四、制袋工艺1、合掌工艺2、切袋工艺3、边封工艺4、热封的三要素5、复合物熟化工艺规定五、制袋生产控制要点六、制袋工序品质自检要求七、制袋品质量要求八、制袋常见故障和排除措施制袋员工培训资料一、软包装工艺流程和工序介绍 软包装:采纳软性材料包装商品的统称.用塑料薄膜或塑料薄膜复合材料包装的称为塑料软包装。1、工艺流程 印刷工艺 构思设计电雕制版印前处理调色对版印制小样签样印刷复合工艺 材料准备胶水调配胶水涂布胶水烘干加压复合冷却收卷品 检制袋工艺 成品检验速度调整压力设定温度设定规格设定材料准备分切工艺 收卷切料调校张力下刀位置出卷纠偏纸筒准备荒熟化室熟化检 验包装出货2、工序介绍①、制版工序是制造在印刷中起转移油墨到印材上作用的印版的过程通过印版上制作的网点,再现原稿图像色彩。②、印刷工序是使用塑料薄膜、凹版、油墨、印刷机械实现图文复制的过程。即将凹版上的图文转移到薄膜上。 按印版类分:凹版、柔性版、丝版、凸版、平版印刷方式.我司现在是采纳凹版印刷法工艺生产,生产时,印刷材料经放卷装置放出进入印刷装置,印版表面的油墨被刮刀刮去,网点内的油墨在印材被压下发生接确时转移到印材上,之后进入烘箱内,油墨中的溶剂成分在加热、吹风的烘箱内挥发掉.印刷膜从烘箱出来后经过冷却辊时,降温定形。在多色印刷时,电脑自动套印装置控制各色间的套印.印刷完成后,收卷装置把印品卷取成卷状膜。③、品检工序是把印刷出的半成品经品检机,将印出的不合格品检出并剔除的过程。减少后工序生产损耗的增加和品检的难度。④、复合工序是将两种或两种以上的材料复合在一起,形成一体的材料。复合材料既可保持单层材料的优良特性,又可克服其各自的不足,复合后具有新的特性,满足食品等商品对复合材料的不同要求。复合分类:干式复合法、湿式复合法、挤出复合法、热熔复合法、共挤复合法.我司现在是采纳干式复合法工艺生产,生产时,上胶基材经放卷装置放出进入涂胶装置,涂胶辊表面的胶水被刮刀刮去,网点内的胶水在上胶基材被压下发生接确时转移到上胶基材面上,之后进入烘箱内,胶水中的溶剂成分在加热、吹风的烘箱内挥发掉。从烘箱出来后,与另一放卷装置放出的基材,在加热、加压的复合夹辊内,贴合为一体。经冷...

1、当您付费下载文档后,您只拥有了使用权限,并不意味着购买了版权,文档只能用于自身使用,不得用于其他商业用途(如 [转卖]进行直接盈利或[编辑后售卖]进行间接盈利)。
2、本站所有内容均由合作方或网友上传,本站不对文档的完整性、权威性及其观点立场正确性做任何保证或承诺!文档内容仅供研究参考,付费前请自行鉴别。
3、如文档内容存在违规,或者侵犯商业秘密、侵犯著作权等,请点击“违规举报”。

碎片内容

制袋员工培训资料

您可能关注的文档

确认删除?
VIP
微信客服
  • 扫码咨询
会员Q群
  • 会员专属群点击这里加入QQ群
客服邮箱
回到顶部