电脑桌面
添加小米粒文库到电脑桌面
安装后可以在桌面快捷访问

制造业流程大全----生产及工场管理制度之流程图

制造业流程大全----生产及工场管理制度之流程图_第1页
1/10
制造业流程大全----生产及工场管理制度之流程图_第2页
2/10
制造业流程大全----生产及工场管理制度之流程图_第3页
3/10
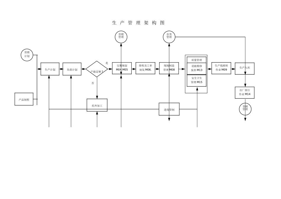
生 产 管 理 架 构 图营销管理负荷计划M03托外加工M07进度管制M10存货管理营销计划交期规划M04.M05排程及工单制发 M06.产能足够 ?质量管理M11.12设被维修保养 M13现场制造管理 M08安全卫生管理 M15是生产入库否生产线移转作业 M09出厂放行作业 M14营销管理生产计划M02产品制程计划 M01产 品 制 程 计 划流程图 M01研发单位工 程 单 位生产单位M01 – 2交 期 协 调 ─ 规 划 阶 段实体样本初步标准操作程序样品试作制定 BOM 表开 始否作业指导书试 产合格 ?是作业指导书( 复印件 )送品管单位作为质量检验之依据作业指导书( 复印件 )存档据以生产操作下接现场制造管理编制作业指导书作业指导书相关单位主管签核作业指导书依核决权限送呈签核作业指导书( 正本 )存档备查将新产品技术及相关数据移转工程单位流程图 M02生 管 单 位业 务 单 位M04 – 2交 期 协 调 ─ 制 造 过 程流程图 M03生 管 单 位业 务 单 位M05 – 2排 程 及 工 单 制 发流程图 M04生 管 单 位生 产 单 位M06 — 2托 外 加 工 作 业流程图 M05生 管 单 位M07 — 2否 4制令领料单 3制令领料单 2制令领料单存档备查依核决权限送呈签核配合产销计划排定周生产计划表上承营销管理订单处理作业异动事项通知单 ( 复印件 ) 4受订单周生产 3计划表周生产 2计划表周生产 1计划表更改交期 ?是是周生产 1计划表是是周生产 2计划表否否周生产 3计划表否否异动事项通知单通知客户取消订单与客户协调 4受订通知单上承负荷计划送仓储单位备料上承营销管理订单处理作业下接营销管理订单处理作业据以编制制令领料单下接营销管理订单处理作业修改排程后存盘依周生产计划表填写委外通知单下接营销管理订单处理作业单位主管签核周生产 3计划表上承排程及工单制发接获业务受订通知填交期异动事项通知单安排托外加工上承现场制造管理据以排定生产计划与客户协调更改交期后存档2是复核产能及负荷否自制 ?交期异动事项通知单 1异动事项 1通知单同意更改 ?异动事项 2通知单 1制令领料单单位主管签核存档备查接受 ?依核决权限送呈签核 4制令领料单 3制令领料单 2制令领料单 1委外领料单单位主管签核存档备查 3委外领料单 2委外领料单 1委外领料单送仓储单位备料下接存货空制与管理托外加工发料作业送会计分析成本 4委外领料单送生产单位存档备查 3制令领料单取消订单 ?...

1、当您付费下载文档后,您只拥有了使用权限,并不意味着购买了版权,文档只能用于自身使用,不得用于其他商业用途(如 [转卖]进行直接盈利或[编辑后售卖]进行间接盈利)。
2、本站所有内容均由合作方或网友上传,本站不对文档的完整性、权威性及其观点立场正确性做任何保证或承诺!文档内容仅供研究参考,付费前请自行鉴别。
3、如文档内容存在违规,或者侵犯商业秘密、侵犯著作权等,请点击“违规举报”。

碎片内容

制造业流程大全----生产及工场管理制度之流程图

您可能关注的文档

确认删除?
VIP
微信客服
  • 扫码咨询
会员Q群
  • 会员专属群点击这里加入QQ群
客服邮箱
回到顶部