电脑桌面
添加小米粒文库到电脑桌面
安装后可以在桌面快捷访问

加固喷射混凝土施工方案

加固喷射混凝土施工方案_第1页
1/17
加固喷射混凝土施工方案_第2页
2/17
加固喷射混凝土施工方案_第3页
3/17
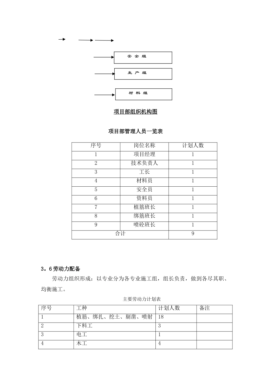
第一章 工程概况1、 工程概况:本工程为本工程为北京市西城区樱桃二条甲 15(号楼),主体为 6 层砖混结构,建造于 1949 年,一直作为住宅楼使用,本工程建筑面积 2866。2m2,层高:一至六均为 3 米,建筑高度:18。6 米,于 2025 年进行安全与抗震鉴定确定:本工程不满足抗震要求。该建筑为 A 类建筑(后续使用年限为 30 年)建筑结构安全等级为二级,抗震设防烈度为 8 度,地基基础设计等级为丙级,建筑耐火等级为Ⅱ级。 本工程加固内容为砖墙,加固方法为混凝土板墙,混凝土等级为 C30.墙体采纳水泥砂浆砌筑.由于原建筑物年代久远,整体强度不能满足现代建筑结构抗震强度要求,因此需对原结构增设钢筋混凝土板墙进行加固,以提高改造后结构的整体强度和抗震能力,确保该建筑物的安全使用。2、 施工工艺内容墙面高压喷射混凝土第二章 编制依据1、 北京筑福建筑事务有限责任公司设计图纸;2、 《建筑抗震加固技术规程》(JGJ116—2025);3、 《混凝土结构工程及验收法律规范》(GB50204—2025);4、 《混凝土结构加固技术法律规范》(CECS25:90);5、 《喷射混凝土加固技术规程》(CECS161:2025);6、 《混凝土结构工程施工及验收法律规范》(CB50204-92)7、 《钢筋焊接及验收规程》(JGJ18-2025)8、 《建筑工程质量控制标准》(GB50300—2001)9、 《施工现场临时用电安全技术规程》(JGJ80—91)10、《建筑施工高处作业安全技术法律规范》(JGJ80—91)11、其它与本工程有关的各种有效版本法律规范、规程、图集及文件。第三章 施工总体部署我公司现已成立了以项目经理为核心的领导小组,组织和协调此工程的投标和施工管理。选派具有丰富施工经验的项目经理及实力强的项目班子,全面负责工程的质量、工期、成本、文明施工、服务等,保证达到预期的管理目标。3。1 质量目标3。1。1 宗旨 全员树立“质量就是生命,业主就是上帝”的观念,严格根据国家工程质量评定标准,生产出符合设计要求的建筑产品,最终交付给业主一个满意的产品.3.1.2 质量目标 本工程的质量目标为:确保合格。3。2 工期目标本工程在能保证正常连续施工的情况下,工期暂定为 180 天,实现工期保证措施:采纳倒计时法.应该当日完成的分部分项施工内容当日必须完成,受到影响的部位应实行措施在 24 小时之内补救完成。3。3 文明施工管理目标本工程施工现场的安全、保卫、消防、卫生、环保等项目管理目标,根据市建委文明施工场地的要求组...

1、当您付费下载文档后,您只拥有了使用权限,并不意味着购买了版权,文档只能用于自身使用,不得用于其他商业用途(如 [转卖]进行直接盈利或[编辑后售卖]进行间接盈利)。
2、本站所有内容均由合作方或网友上传,本站不对文档的完整性、权威性及其观点立场正确性做任何保证或承诺!文档内容仅供研究参考,付费前请自行鉴别。
3、如文档内容存在违规,或者侵犯商业秘密、侵犯著作权等,请点击“违规举报”。

碎片内容

加固喷射混凝土施工方案

您可能关注的文档

确认删除?
VIP
微信客服
  • 扫码咨询
会员Q群
  • 会员专属群点击这里加入QQ群
客服邮箱
回到顶部