电脑桌面
添加小米粒文库到电脑桌面
安装后可以在桌面快捷访问

县入城天然气管网工程清 管 试 压 方 案

县入城天然气管网工程清 管 试 压 方 案_第1页
1/14
县入城天然气管网工程清 管 试 压 方 案_第2页
2/14
县入城天然气管网工程清 管 试 压 方 案_第3页
3/14
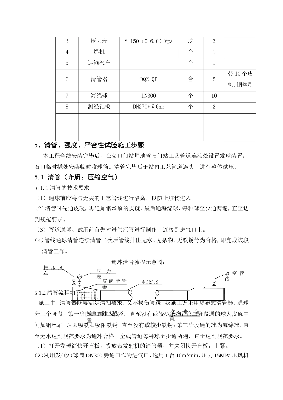
县入城天然气管网工程清 管 试 压 方 案1、编制依据1.1 依据施工及验收规范《交口县入城天然气管网工程》设计文件《油气长输管道工程施工及验收规范》(GB50369-2006)编号 01 和 04 的工程联络单。2 月 28 日专题会议纪要1.2 依据现场实际情况1.3 结合公司现有机械设备、施工管理经验2、工程概况2.1、本工程为交口县入城天然气管网工程,起点为临县-柳林-临汾输气管道工程石口乡分站,沿 209 国道至龙神殿村后向东北方向沿乡道敷设至牛槽沟村,向北下山后沿道路敷设至交口县门站。全长平面距离共计 11.844km。穿越公路顶管保护的管道的清管、试压另编制方案。2.2 主要施工技术参数2.2.1、管道材质及规格 1)一般敷设管段采用螺旋缝埋弧焊焊接钢管 D323.9*6.4mm,材质 360NB,弯管壁厚为 δ=6.4mm; 2)特殊地段和穿越段采用直缝埋弧焊焊接钢管 D323.9*7.1mm,材质 L360NB,弯管壁厚为 δ=7.1mm,2.2.2、焊接形式 1) 管道焊接采用手工下向焊及手工半自动下向焊焊接工艺;2) 焊接材料的选用:根焊采用高纤维素钠型焊条 E6010,规格为 Φ3.2×350㎜;填充焊和盖面焊采用药芯焊丝 E71T8-K6,规格为 Φ2.0㎜。2.2.3、敷设形式:管道全部采用埋地敷设形式;2.2.4、管道设计压力:2.5Mpa;2.2.5 试验介质及压力:设计要求二级地区管段采用气体或水作试压介质,强度试验压力为 1.25 倍设计压力,严密性试验为设计压力;三级地区采用水作试压介质,强度试验压力为 1.4 倍设计压力,严密性试验为设计压力;由于工程地处北方且正值冬季,气温较低,用水作试验介质,水会在管道内结冰,影响试压结果且影响后续管道干燥工作,经与设计、业主和监理沟通协商,在 2 月 28 日会议上共同确定线路工程试压介质采用清洁空气,并共同签署了将试验介质改为清洁空气的联络单。现除穿越管单体试压外,全线管道试压采用空气作介质,压力试验标准按三类地区执行,即强度试验压力为 1.4 倍设计压力 3.5MPa,严密性试验为设计压力 2.5MPa。3、管道试压、清管图 管道清管、试压不分段,整体清管、试压。(见附页)4、施工前准备工作4.1 所有焊缝经 X 射线探伤合格;4.2 外防腐电火花检测及埋地管地面探测检漏检测全部合格;4.3 在压力试验的管道上安装压力表二只,精确 0.4 级,量程为被测量最大压力的 1.5~2 倍,表盘直径不应小于 150 毫米,最小刻度应能显示 0.05 Mpa;4.4 施工所需机具齐全并到位,由...

1、当您付费下载文档后,您只拥有了使用权限,并不意味着购买了版权,文档只能用于自身使用,不得用于其他商业用途(如 [转卖]进行直接盈利或[编辑后售卖]进行间接盈利)。
2、本站所有内容均由合作方或网友上传,本站不对文档的完整性、权威性及其观点立场正确性做任何保证或承诺!文档内容仅供研究参考,付费前请自行鉴别。
3、如文档内容存在违规,或者侵犯商业秘密、侵犯著作权等,请点击“违规举报”。

碎片内容

县入城天然气管网工程清 管 试 压 方 案

您可能关注的文档

文章天下+ 关注
实名认证
内容提供者

各种文档应有尽有

确认删除?
VIP
微信客服
  • 扫码咨询
会员Q群
  • 会员专属群点击这里加入QQ群
客服邮箱
回到顶部