电脑桌面
添加小米粒文库到电脑桌面
安装后可以在桌面快捷访问

企业战略管理基本流程VIP免费

企业战略管理基本流程_第1页
1/4
企业战略管理基本流程_第2页
2/4
企业战略管理基本流程_第3页
3/4
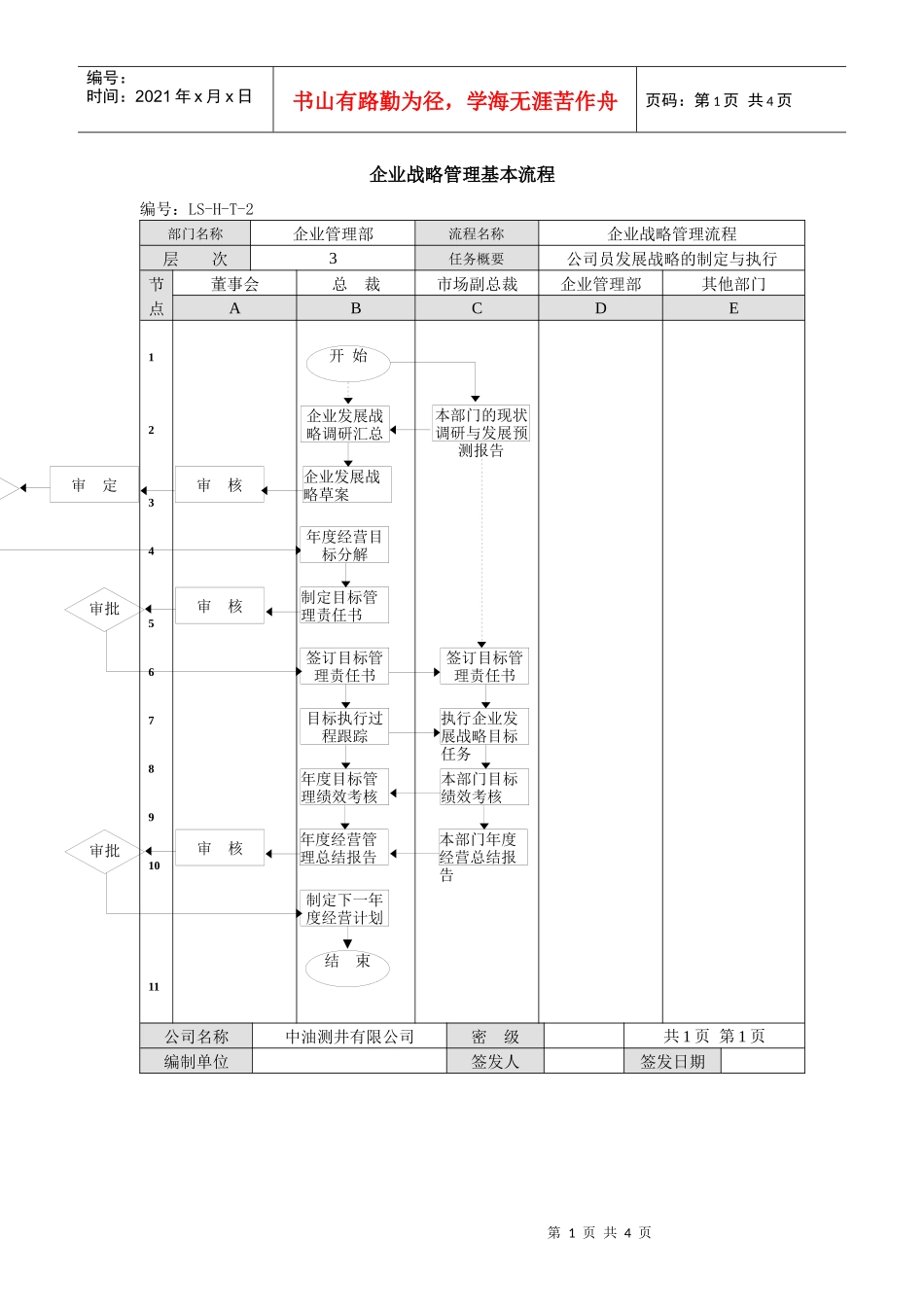
第1页共4页本部门的现状调研与发展预测报告企业发展战略调研汇总开始企业发展战略草案审核审批年度经营目标分解制定目标管理责任书制定下一年度经营计划结束审定签订目标管理责任书执行企业发展战略目标任务签订目标管理责任书年度目标管理绩效考核年度经营管理总结报告目标执行过程跟踪本部门目标绩效考核本部门年度经营总结报告审批审核审批审核编号:时间:2021年x月x日书山有路勤为径,学海无涯苦作舟页码:第1页共4页企业战略管理基本流程编号:LS-H-T-2部门名称企业管理部流程名称企业战略管理流程层次3任务概要公司员发展战略的制定与执行节点董事会总裁市场副总裁企业管理部其他部门ABCDE1234567891011公司名称中油测井有限公司密级共1页第1页编制单位签发人签发日期第2页共4页第1页共4页编号:时间:2021年x月x日书山有路勤为径,学海无涯苦作舟页码:第2页共4页企业战略管理标准编号:LS-H-B-2共2页第1页任务名称节点任务程序及控制重点时限相关资料企业发展战略调研报告E2D2任务程序公司各部门各单位的《现状总结与发展预测报告》1.每年初由企业管理部组织公司各部门各下层单位做出本部门本单位的现状总结与发展预测报告。一个月2.企业管理部进行企业发展战略调研汇总。20个工作日内任务重点公司各部门的《现状总结与发展预测报告》,所有报告材料必须真实可靠。企业发展战略草案的制定与审批D3任务程序《企业发展战略草案》《企业发展战略文件》1.企业管理部在调研报告的基础上制定企业发展战略草案。报告应详细分析企业内部的优势与劣势,企业外部的威胁和机遇;制定的发展战略应符合企业现状,有前瞻性及可操作性;报告所有内容都应有数据支持。20个工作日内2.报市场副总裁详细审核,并增添自己的意见。5个工作日内3.报公司总裁审定。2个工作日内4.报公司董事会。董事会应召开专门会议讨论企业发展战略。会上由企业管理部介绍《企业发展战略草案》内容,董事会讨论通过。1个工作日内5.《企业发展战略草案》批准后由董事会下达以纪要或其他方式文件。1个工作日内6.《企业发展战略草案》批准后由企业管理部正式成文《企业发展战略方案》,下发给公司各部门、各下属管理人员人手一份。1个工作日内任务重点1.企业发展战略的制定要遵循科学决策的方法2.要建立在准确的前景预测及大量调研的基础上3.应反复征询总裁的意见年度经营目标分解D4任务程序各部门《各下属单位的目标分解表》1.由企业管理部将《企业发展战略方案》按年度分解为各部门、各下属单位的年度目标,要求年度目标必须有明确的量化指标和任务。5个工作日内2.按公司内部各部门、各下属单位的职能,由企业管理部与各部门各下属单位反复协商议定具体的目标与考核指标。5个工作日内任务重点1.目标的分解的要科学合理,明确可行2.要多听取各部门、各下属单位的意见3.尽可能把指标量化,增强可测量性第3页共4页第2页共4页编号:时间:2021年x月x日书山有路勤为径,学海无涯苦作舟页码:第3页共4页共2页第2页任务名称节点任务程序及控制重点时限相关资料目标管理责任书的编制与签订D5D6E6任务程序各部门《目标管理责任书》1.由企业管理部起草各部《目标管理责任书》草稿。5个工作日内2.报市场副总裁审核。3个工作日内3.报公司总裁审批。1个工作日内4.由企业管理部主持仪式,由公司总裁与公司各部门、各下属单位签定《目标管理责任书》。1个工作日内5.《目标管理责任书》由企业管理部统一保管,以备考核。任务重点目标管理责任书的编制。目标执行过程跟踪D7E7任务程序《目标管理追踪单》1.各部门、各下属单位按照目标管理协议执行。按月检查2.由企业管理部按月、季度对目标执行情况进行跟踪检查;填写目标管理追踪单。按季度检查任务重点目标完成情况检查。年度目标绩效考核D8E8任务程序《经营管理报告》由企业管理部负责按照《目标责任书》对各部门、各下属单位进行考核;一年考核两次,7月考核上半年,1月考核全年。10个工作日内任务重点目标绩效考核要依据签订的《目标责任书》进行。年度经营管理总结D9E9D10任务程序1.各部门、各下属单位总结年度经营管理报告。5个工作日内2.由企业管理部汇总并编写公司...

1、当您付费下载文档后,您只拥有了使用权限,并不意味着购买了版权,文档只能用于自身使用,不得用于其他商业用途(如 [转卖]进行直接盈利或[编辑后售卖]进行间接盈利)。
2、本站所有内容均由合作方或网友上传,本站不对文档的完整性、权威性及其观点立场正确性做任何保证或承诺!文档内容仅供研究参考,付费前请自行鉴别。
3、如文档内容存在违规,或者侵犯商业秘密、侵犯著作权等,请点击“违规举报”。

碎片内容

企业战略管理基本流程

您可能关注的文档

中小学文库+ 关注
实名认证
内容提供者

精品资料应用尽有

确认删除?
VIP
微信客服
  • 扫码咨询
会员Q群
  • 会员专属群点击这里加入QQ群
客服邮箱
回到顶部