电脑桌面
添加小米粒文库到电脑桌面
安装后可以在桌面快捷访问

楼梯防护栏杆施工合同协议书范本VIP免费

楼梯防护栏杆施工合同协议书范本_第1页
1/13
楼梯防护栏杆施工合同协议书范本_第2页
2/13
楼梯防护栏杆施工合同协议书范本_第3页
3/13
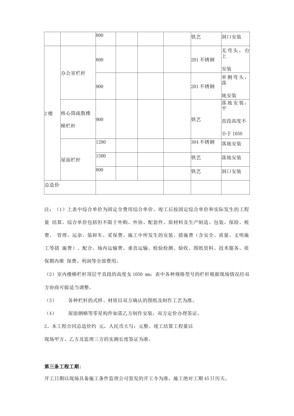
承包人(全称):乙方(以下简称乙方)依照《中华人民共和国合同法》的有关规定,遵循平等、自愿、公平和诚实信用的原则,双方就工程的铁艺栏杆及不锈钢栏杆施工事项协商一致,订立本合同。第一条工程概况1、工程名称:防护栏杆工程2、工程地点:3、工程范围:工程的楼梯铁艺栏杆、屋面铁艺栏杆、楼层不锈钢防护栏杆等的加工制作与安装。第二条栏杆工程量、单价及合同总造价1、各栋号栏杆工程量、综合单价及合同总造价详见汇总表。栏杆工程量汇总表楼栋使用部位高度(mm)工程量(m)综合单价(元/M)合价(元)材质安装方式1楼办公室栏杆800201不锈钢无弯头,台上安装900201不锈钢单侧弯头,落地安装核心筒疏散楼梯栏杆900铁艺落地安装,平直段高度不小于1050屋面栏杆1200304不锈钢落地安装1200铁艺落地安装发包人(全称):甲方(以下简称甲方)800铁艺洞口安装2楼办公室栏杆800201不锈钢无弯头,台上安装900201不锈钢单侧弯头,落地安装核心筒疏散楼梯栏杆900铁艺落地安装,平直段高度不小于1050屋面栏杆1200304不锈钢落地安装1500铁艺落地安装800铁艺洞口安装总造价注:(1)上表中综合单价为固定全费用综合单价。竣工后按固定综合单价和实际发生的工程量结算。综合单价包括但不限于外购、外协、配套件、原材料及生产制造、包装、保险、税费、管理、运杂、装卸车、采保费、施工中所发生的安装、措施费(含安全、质量、文明施工等措施费)、配合、场内运输费、垂直运输、检验检测、验收、图纸资料、技术服务、质保期内维保费、利润等全部费用。(2)室内楼梯栏杆顶层平直段的高度女1050mm;表中各种规格型号的栏杆根据现场情况经双方协商可做适当调整。(3)各种栏杆的式样、材质以双方确认的图纸及制作工艺为准。(4)屋面钢梯等零星构件如需乙方制作安装,双方定价办理签证。2、本工程合同总造价约元,人民币大写:元整。竣工结算工程量以现场甲方、乙方及监理三方的实测长度签证为准。第三条工程工期:开工日期以现场具备施工条件监理公司签发的开工令为准,施工绝对工期45日历天。第四条工程质量标准和工程验收1、工程质量标准:工程竣工验收时达合格标准。2、工程质量要求及工程验收(1)乙方必须按照双方确定的铁艺栏杆和不锈钢栏杆设计图中的材料规格与式样、甲方的现场交底、甲乙双方认可的样品及市住宅工程质量通病防治办法》有关规定进行制作与安装。(2)本工程铁艺栏杆及不锈钢栏杆完工后,在乙方自检合格前提下,由甲方、乙方、总承包方及监理方共同按现行国家相关标准进行施工质量验收。第五条甲方责任1、甲方负责对现场的施工部位与栏杆的具体要求进行交底。2、委托新世纪监理公司对施工单位的加工制作与安装质量进行监督。3、协助乙方,解决进场后临设、施工用水、用电等相关事宜,费用由乙方承担。4、按合同约定条款,向乙方支付工程款和进度款(在付款中扣除乙方发生的水电费)。5、工程完工经验收合格后,组织甲方、乙方及监理方办理现场工程量签证,并及时为乙方办理工程结算签证。第六条乙方责任1、乙方必须委派一名现场负责人。全面负责施工现场的安全、技术质量和工程进度。2、乙方必须严格按国家现行标准及相关施工验收规范,完成本工程铁艺栏杆及不锈钢栏杆的加工制作与安装,工程完工后,按要求向总包单位提供各种栏杆的相关技术资料。3、乙方必须保证栏杆的各种节点的内在与观感质量符合图集与标准要求。负责收集各种材料的合格证件。4、乙方应保证按合同约定的工期完成合同约定的工程内容。5、施工过程中,乙方应采取相应措施对已完工程进行必要的保护,以免对已完工程造成破坏,凡造成破坏的必须修复如新。否则乙方将承担相应的赔偿责任。6、乙方承担施工过程中自身原因造成的一切安全事故的责任。第七条工程价款支付1、本工程合同签订后,甲方支付工程合同总造价35%的款项,作为乙方的备料款,此备料款已包含按主管部门规定列支的安全文明施工措施费。2、余款,除按工程结算总造价5%预留质量保证金外,全部用于购买本工程商品房。质保金在质保期满后15日内无息返还。商品房的具体楼层、房号届时双方商定,销售价格以本合同工程验收合格后,甲乙双方最...

1、当您付费下载文档后,您只拥有了使用权限,并不意味着购买了版权,文档只能用于自身使用,不得用于其他商业用途(如 [转卖]进行直接盈利或[编辑后售卖]进行间接盈利)。
2、本站所有内容均由合作方或网友上传,本站不对文档的完整性、权威性及其观点立场正确性做任何保证或承诺!文档内容仅供研究参考,付费前请自行鉴别。
3、如文档内容存在违规,或者侵犯商业秘密、侵犯著作权等,请点击“违规举报”。

碎片内容

楼梯防护栏杆施工合同协议书范本

您可能关注的文档

确认删除?
VIP
微信客服
  • 扫码咨询
会员Q群
  • 会员专属群点击这里加入QQ群
客服邮箱
回到顶部