电脑桌面
添加小米粒文库到电脑桌面
安装后可以在桌面快捷访问

【材料课件】实验六钢的热处理组织观察VIP免费

【材料课件】实验六钢的热处理组织观察_第1页
1/3
【材料课件】实验六钢的热处理组织观察_第2页
2/3
【材料课件】实验六钢的热处理组织观察_第3页
3/3
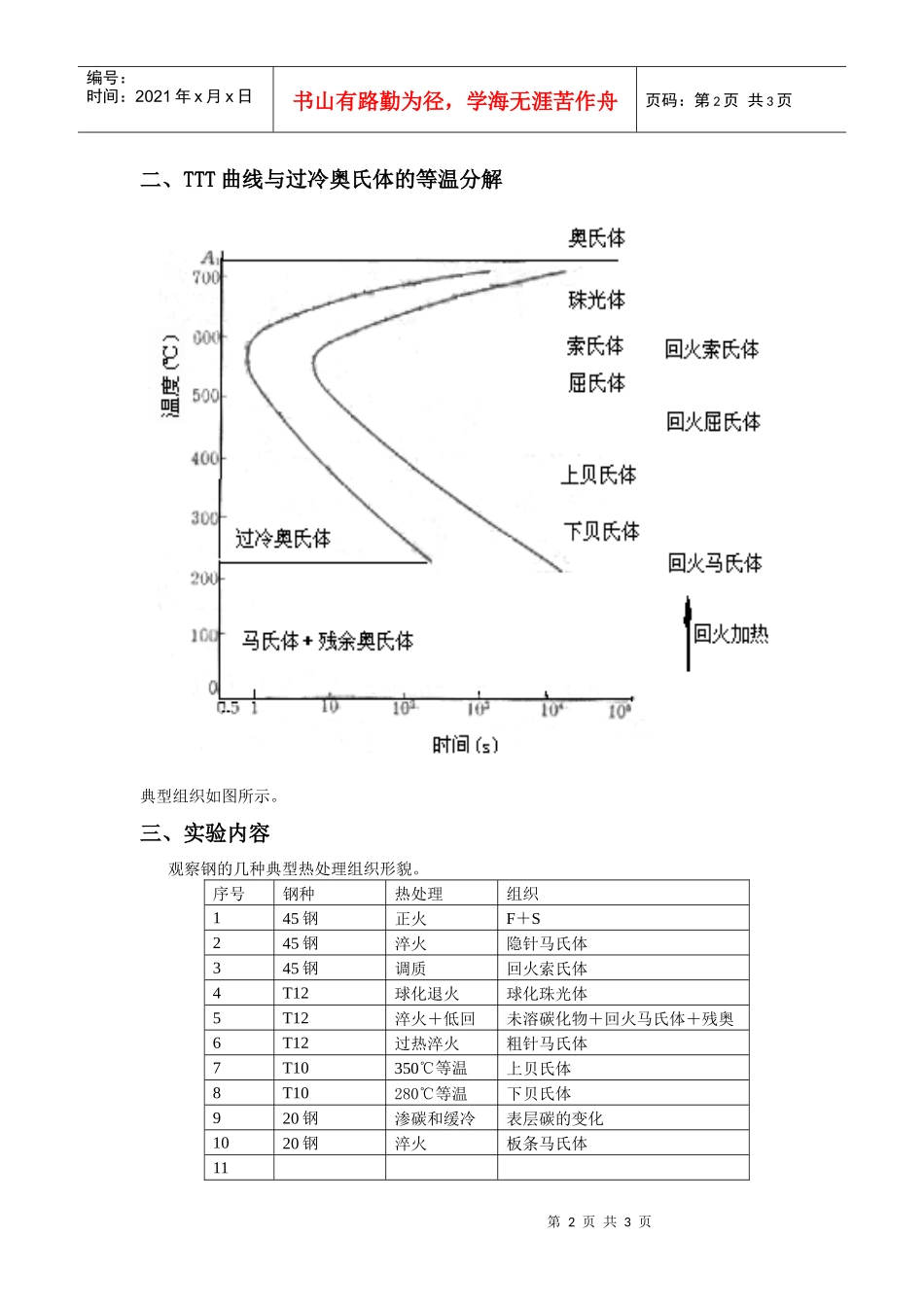
第1页共3页编号:时间:2021年x月x日书山有路勤为径,学海无涯苦作舟页码:第1页共3页实验六钢的热处理组织观察目的1.加深对铁碳相图和TTT曲线的理解;2.认识几种钢的典型热处理组织;一、相图及平衡组织转变第2页共3页第1页共3页编号:时间:2021年x月x日书山有路勤为径,学海无涯苦作舟页码:第2页共3页二、TTT曲线与过冷奥氏体的等温分解典型组织如图所示。三、实验内容观察钢的几种典型热处理组织形貌。序号钢种热处理组织145钢正火F+S245钢淬火隐针马氏体345钢调质回火索氏体4T12球化退火球化珠光体5T12淬火+低回未溶碳化物+回火马氏体+残奥6T12过热淬火粗针马氏体7T10350℃等温上贝氏体8T10280℃等温下贝氏体920钢渗碳和缓冷表层碳的变化1020钢淬火板条马氏体11第3页共3页第2页共3页编号:时间:2021年x月x日书山有路勤为径,学海无涯苦作舟页码:第3页共3页三、实验报告要求画出1、3、7、8、9及另自选一个共六个组织示意图,注明组织特征,简述形成组织的原因(或过程)。

1、当您付费下载文档后,您只拥有了使用权限,并不意味着购买了版权,文档只能用于自身使用,不得用于其他商业用途(如 [转卖]进行直接盈利或[编辑后售卖]进行间接盈利)。
2、本站所有内容均由合作方或网友上传,本站不对文档的完整性、权威性及其观点立场正确性做任何保证或承诺!文档内容仅供研究参考,付费前请自行鉴别。
3、如文档内容存在违规,或者侵犯商业秘密、侵犯著作权等,请点击“违规举报”。

碎片内容

【材料课件】实验六钢的热处理组织观察

您可能关注的文档

确认删除?
VIP
微信客服
  • 扫码咨询
会员Q群
  • 会员专属群点击这里加入QQ群
客服邮箱
回到顶部