电脑桌面
添加小米粒文库到电脑桌面
安装后可以在桌面快捷访问

《公路设计项目关键过程规定》表单VIP免费

《公路设计项目关键过程规定》表单_第1页
1/76
《公路设计项目关键过程规定》表单_第2页
2/76
《公路设计项目关键过程规定》表单_第3页
3/76
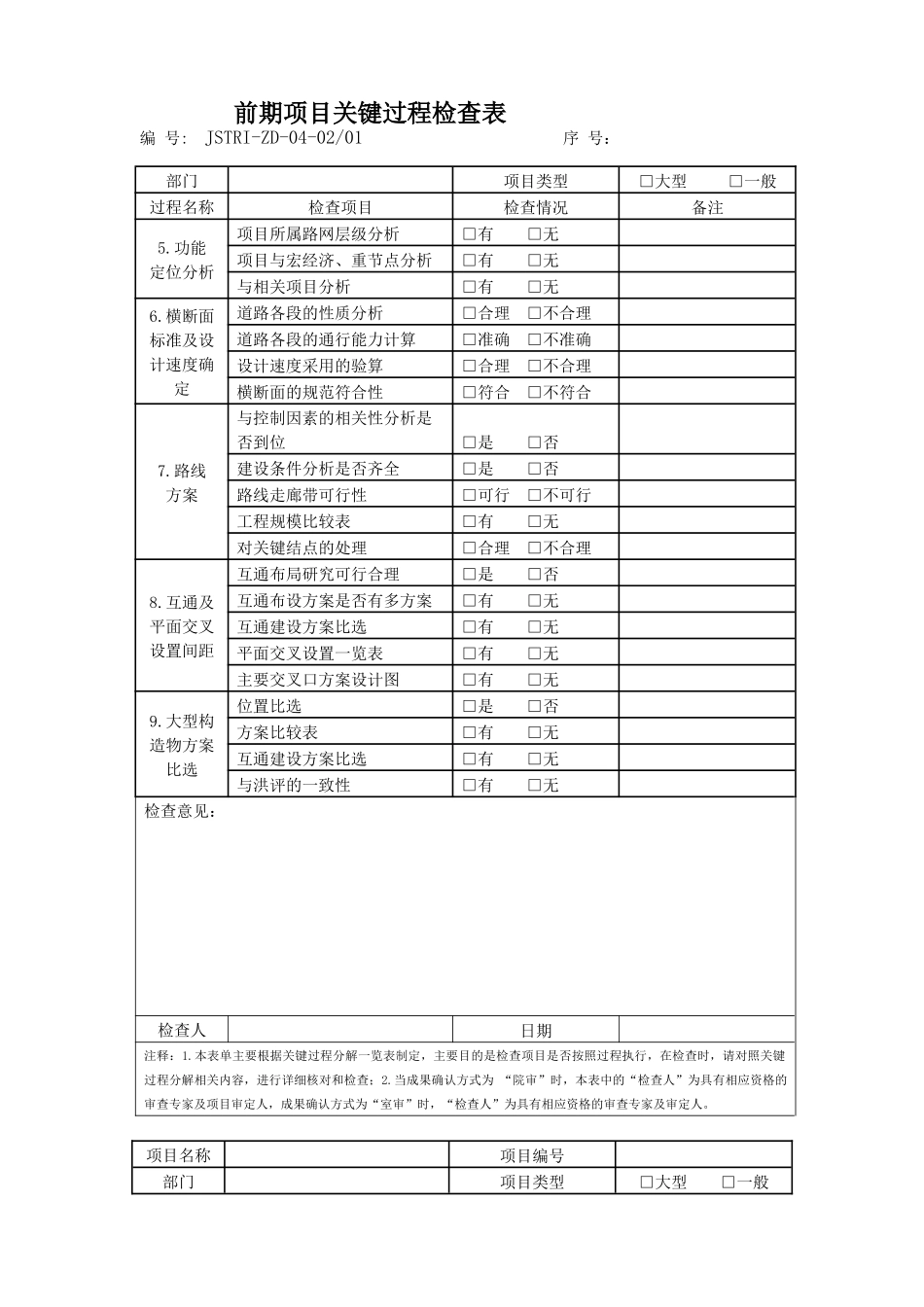
5相关记录1.《前期项目关键过程检查表》(JSTRI-ZD-04-02/01)2.《中桩调查表》(JSTRI-ZD-04-02/02)3.《横断面调查表》(JSTRI-ZD-04-02/03)4.《挖淤填塘调查表》(JSTRI-ZD-04-02/04)5.《路基设计基础资料调查表》(JSTRI-ZD-04-02/05)6.《旧路路基状况调查表》(JSTRI-ZD-04-02/06)7.《路面设计基础资料调查表》(JSTRI-ZD-04-02/07)8.《水泥混凝土路面损坏调查表》(JSTRI-ZD-04-02/08)9.《沥青路面损坏调查表》(JSTRI-ZD-04-02/09)10.《拆迁建筑物和构造物表》(JSTRI-ZD-04-02/10)11.《拆迁电力、电讯及其它管线设施表》(JSTRI-ZD-04-02/11)12.《用地及青苗补偿调查表》(JSTRI-ZD-04-02/12)13.《改移道路、沟渠调查表》(JSTRI-ZD-04-02/13)14.《桥涵调查记录表》(JSTRI-ZD-04-02/14)15.《老桥现状及病害调查》(JSTRI-ZD-04-02/15)16.《涵洞病害调查记录表》(JSTRI-ZD-04-02/16)17.《交叉调查表》(JSTRI-ZD-04-02/17)18.《沿线交通标志调查表》(JSTRI-ZD-04-02/18)19.《沿线护栏调查表》(JSTRI-ZD-04-02/19)20.《沿线特殊路段调查表》(JSTRI-ZD-04-02/20)21.《沿线筑路材料调查表(路堤填料)》(JSTRI-ZD-04-02/21)22.《沿线筑路材料调查表(石料)》(JSTRI-ZD-04-02/22)23.《沿线筑路材料调查表(砂)》(JSTRI-ZD-04-02/23)24.《沿线筑路材料调查表(石灰)》(JSTRI-ZD-04-02/24)25.《沿线筑路材料调查表(水)》(JSTRI-ZD-04-02/25)26.《沿线筑路材料调查表(粉煤灰)》(JSTRI-ZD-04-02/26)27.《初步设计关键过程检查表》(JSTRI-ZD-04-02/27)28.《施工图设计关键过程检查表(平面)》(JSTRI-ZD-04-02/28)29.《施工图设计关键过程检查表(纵断面)》(JSTRI-ZD-04-02/29)30.《施工图设计关键过程检查表(路基路面)》(JSTRI-ZD-04-02/30)31.《施工图设计关键过程检查表(桥涵)》(JSTRI-ZD-04-02/31)32.《施工图设计关键过程检查表(路线交叉)》(JSTRI-ZD-04-02/32)33.《施工图设计关键过程检查表(施工图预算)》(JSTRI-ZD-04-02/33)6附件1.区域经济社会现状及发展规划模板2.总估算对照表前期项目关键过程检查表编号:JSTRI-ZD-04-02/01序号:项目名称项目编号部门项目类型□大型□一般过程名称检查项目检查情况备注1.总体策划规划解读与否□有□无对外沟通记录□齐全□不齐全区域运网调研和运网图□有□无区域经济社会调研和分析□有□无现场踏勘□有□无研究总体目标□合理□不合理关键问题梳理□全面□不全面项目组构建□合理□不合理进度计划安排□合理□不合理质量保证措施□有□无2.相关区域经济社会的调查分析区域经济纵横比较□有□无区域经济地位分析□有□无区域经济战略分析□有□无区域经济发展重点和方向分析□有□无项目与区域规划协调性分析□合理□不合理3.相关路网调查分析综合运网分析□有□无区域交通流量特征分析□有□无区域交通适应性分析□有□无与周边项目相关性分析(分流、合流、转换)□有□无项目与区域规划协调性分析□合理□不合理4.交通量调查及预测结果既有od对项目支撑情况□支撑□不支撑OD补充调查方案(上一项不支撑时填写)□有□无小区划分合理性□合理□不合理各路段交通需求及交通组成□合理□不合理不同运输方式分担量预测□合理□不合理不同项目对本项目的影响分析□有□无运用各种方法验证□有□无检查意见:检查人日期注释:1.本表单主要根据关键过程分解一览表制定,主要目的是检查项目是否按照过程执行,在检查时,请对照关键过程分解相关内容,进行详细核对和检查;2.当成果确认方式为“院审”时,本表中的“检查人”为具有相应资格的审查专家及项目审定人,成果确认方式为“室审”时,“检查人”为具有相应资格的审查专家及审定人。项目名称项目编号前期项目关键过程检查表编号:JSTRI-ZD-04-02/01序号:部门项目类型□大型□一般过程名称检查项目检查情况备注5.功能定位分析项目所属路网层级分析□有□无项目与宏经济、重节点分析□有□无与相关项目分析□有□无6.横断面标准及设计速度确定道路各段的性质分析□合理□不合理道路各段的通行能力计算□准确□不准确设计速度采用的验算□合理□不合理横断面的规范符合性□符合□不符合7....

1、当您付费下载文档后,您只拥有了使用权限,并不意味着购买了版权,文档只能用于自身使用,不得用于其他商业用途(如 [转卖]进行直接盈利或[编辑后售卖]进行间接盈利)。
2、本站所有内容均由合作方或网友上传,本站不对文档的完整性、权威性及其观点立场正确性做任何保证或承诺!文档内容仅供研究参考,付费前请自行鉴别。
3、如文档内容存在违规,或者侵犯商业秘密、侵犯著作权等,请点击“违规举报”。

碎片内容

《公路设计项目关键过程规定》表单

您可能关注的文档

确认删除?
VIP
微信客服
  • 扫码咨询
会员Q群
  • 会员专属群点击这里加入QQ群
客服邮箱
回到顶部