电脑桌面
添加小米粒文库到电脑桌面
安装后可以在桌面快捷访问

供应商开发流程-成本优化VIP免费

供应商开发流程-成本优化_第1页
1/3
供应商开发流程-成本优化_第2页
2/3
供应商开发流程-成本优化_第3页
3/3
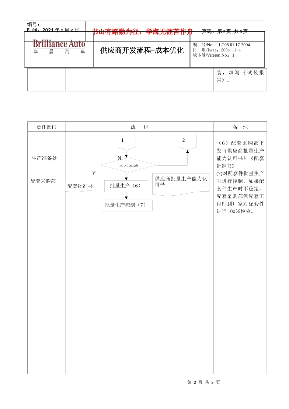
YN第1页共3页编号:时间:2021年x月x日书山有路勤为径,学海无涯苦作舟页码:第1页共3页*适用于公司成本优化提案的项目责任部门流程备注配套采购部配套采购部质量保证部配套采购部研发中心中华/海狮物流处研发中心配套采购部质量保证部生产准备处功能件非功能件NY(1)被选择的供应商必须具有工装能力。.(2)推荐部门填写《推荐供应商批准书》,其中体系内供应商或曾供过货的供应商还需提交序号为3)、4)所示的文件,体系外供应商需提交序号为2)、4)、5)、6)所示的文件,成本节约小组签字批准。(3)配套采购部组织研发中心、中华/海狮物流处填写《零部件开发协议》《零部件试制协议》《质量保证协议》《包装运输协议》《索赔协议》。(4)判定工装样件是功能件/非功能件,研发中心负责功能件试验,质量保证部负责整车配合质量,配套采购部负责零部件质量。(5)生产准备处组织相关部门进行试成本节约提案供应商批准(2)零部件开发协议(3)是否批准判定(4)试验选择供应商(1)提供工装样件工装样件试装(5)价格确定121周内1、推荐供应商批准书2、企业营业执照3、供应商零部件评级结论表(此表应注明是否曾提供同类产品)4、零部件议价结果审批单5、供应商调查表(企业资产、质量体系、设备情况、人力资源情况)6、配套证书7、是否同意《开发协议》《试制协议》《质量保证协议》《包装运输协议》及《索赔协议》。(此项不需提供文件)供应商开发流程-成本优化编号/No.:LC08.01.17-2004日期/Date:2004-11-4版本号/VersionNo.:1第2页共3页第1页共3页编号:时间:2021年x月x日书山有路勤为径,学海无涯苦作舟页码:第2页共3页装,填写《试装报告》。责任部门流程备注生产准备处配套采购部NY(6)配套采购部下发《供应商批量生产能力认可书》《配套批准书》(7)对配套件批量生产时进行控制,如果配套件生产时不稳定,配套采购部派配套工程师到厂家对配套件进行100%检验。是否合格批量生产(6)供应商批量生产能力认可书配套批准书批量生产控制(7)12供应商开发流程-成本优化编号/No.:LC08.01.17-2004日期/Date:2004-11-4版本号/VersionNo.:1第3页共3页第2页共3页编号:时间:2021年x月x日书山有路勤为径,学海无涯苦作舟页码:第3页共3页

1、当您付费下载文档后,您只拥有了使用权限,并不意味着购买了版权,文档只能用于自身使用,不得用于其他商业用途(如 [转卖]进行直接盈利或[编辑后售卖]进行间接盈利)。
2、本站所有内容均由合作方或网友上传,本站不对文档的完整性、权威性及其观点立场正确性做任何保证或承诺!文档内容仅供研究参考,付费前请自行鉴别。
3、如文档内容存在违规,或者侵犯商业秘密、侵犯著作权等,请点击“违规举报”。

碎片内容

供应商开发流程-成本优化

确认删除?
VIP
微信客服
  • 扫码咨询
会员Q群
  • 会员专属群点击这里加入QQ群
客服邮箱
回到顶部