电脑桌面
添加小米粒文库到电脑桌面
安装后可以在桌面快捷访问

城市燃气管道竣工资料模板VIP专享VIP免费

城市燃气管道竣工资料模板_第1页
1/41
城市燃气管道竣工资料模板_第2页
2/41
城市燃气管道竣工资料模板_第3页
3/41
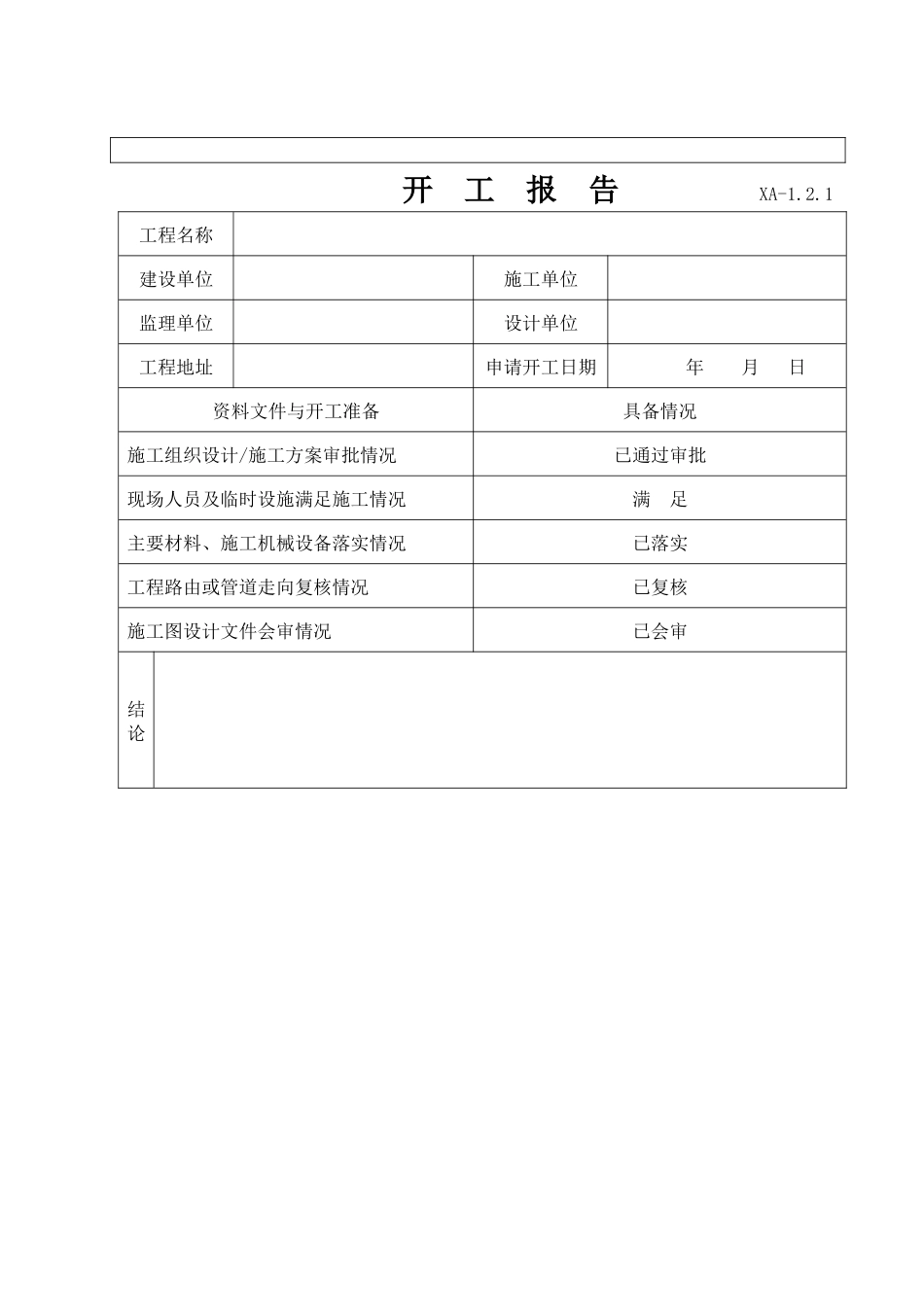
燃气管道工程竣工资料工程名称:项目定义:工程地点:施工单位(章)监理单位(章)建设单位(章)项目经理:总监理工程师:负责人:年月日年月日年月日技术交底记录XA-1.1.2工程名称项目定义交底日期交底人记录人交底内容:交底流程:该项目设计人员向甲方代表、监理、施工单位项目负责人、技术员进行技术交底。主要内容:设计方案、施工图中管线走向、工程施工技术难点及重点施工技术要求;质量、安全控制措施及其他技术措施。综合意见(必要时附简图):该工程图纸已经过图纸会审及施工技术交底,完全符合施工要求。参加交底人员签字开工报告XA-1.2.1工程名称建设单位施工单位监理单位设计单位工程地址申请开工日期年月日资料文件与开工准备具备情况施工组织设计/施工方案审批情况已通过审批现场人员及临时设施满足施工情况满足主要材料、施工机械设备落实情况已落实工程路由或管道走向复核情况已复核施工图设计文件会审情况已会审结论施工单位(章)项目经理:年月日监理单位审查意见:(章)总监理工程师:年月日建设单位审查意见:(章)现场代表:年月日用气单位审查意见:现场代表:年月日施工组织设计(方案)报审表XA-5.0.1工程名称项目定义河南省中原工程管理有限公司:我方已根据施工合同的有关规定完成了公信印务燃气工程施工组织设计(方案)的编制,请予以审查。附:施工组织设计(方案)施工单位:(章)项目经理:年月日审查意见:审定结论□同意□补报资料□重新检验监理单位(章)总监理工程师:年月日XXXXXXXXXXXXXXXXXX公司燃气工程施工组织设计(方案)编制:日期审核:日期批准:日期施工单位:年月日XXXXXXXXXXXX目录一、工程概况二、施工主要执行标准和依据三、项目部人员及主要机具配备(附表1及表2)四、施工程序五、主要施工工艺、技术措施(一)、定位放线(二)、材料进场验收(三)、PE管道预制和安装1、热熔对接焊的操作过程2、电熔焊接操作过程4、管沟开挖5、PE管铺设6、中压无缝钢管(四)、管道吹扫、系统压力试验(五)、回填要求(六)、钢制管道焊接过程施工(七)、钢制管道及附件组装1、材料检查2、管道现场组对要求3、钢制管道安装要求4、补偿器安装要求(八)、跨越管道吹扫、强度试验和气密性试验六、安全生产,文明施工七、质量、交工验收施工组织方案一、工程概况:1、工程名称:XXXX2、建设单位:XXXX3、设计单位:XXXX4、施工单位:XXXX5、监理单位:XXXX6、施工地址:XXXX7、施工工期:XXXX8、施工内容:De110De63无缝钢管D57D89D1089、管道规格型号:De110De63无缝钢管D57D89D10810、施工类别:本工程属GB1压力管道安装工程,设计压力(表压)调压柜前为0.3Kpa,工作温度为常温0°C

1、当您付费下载文档后,您只拥有了使用权限,并不意味着购买了版权,文档只能用于自身使用,不得用于其他商业用途(如 [转卖]进行直接盈利或[编辑后售卖]进行间接盈利)。
2、本站所有内容均由合作方或网友上传,本站不对文档的完整性、权威性及其观点立场正确性做任何保证或承诺!文档内容仅供研究参考,付费前请自行鉴别。
3、如文档内容存在违规,或者侵犯商业秘密、侵犯著作权等,请点击“违规举报”。

碎片内容

城市燃气管道竣工资料模板

墨香书阁+ 关注
实名认证
内容提供者

热爱教学事业,对互联网知识分享很感兴趣

确认删除?
微信客服
  • 扫码咨询
会员Q群
  • 会员专属群点击这里加入QQ群