电脑桌面
添加小米粒文库到电脑桌面
安装后可以在桌面快捷访问

创新基金申报提纲(1)VIP免费

创新基金申报提纲(1)_第1页
1/28
创新基金申报提纲(1)_第2页
2/28
创新基金申报提纲(1)_第3页
3/28
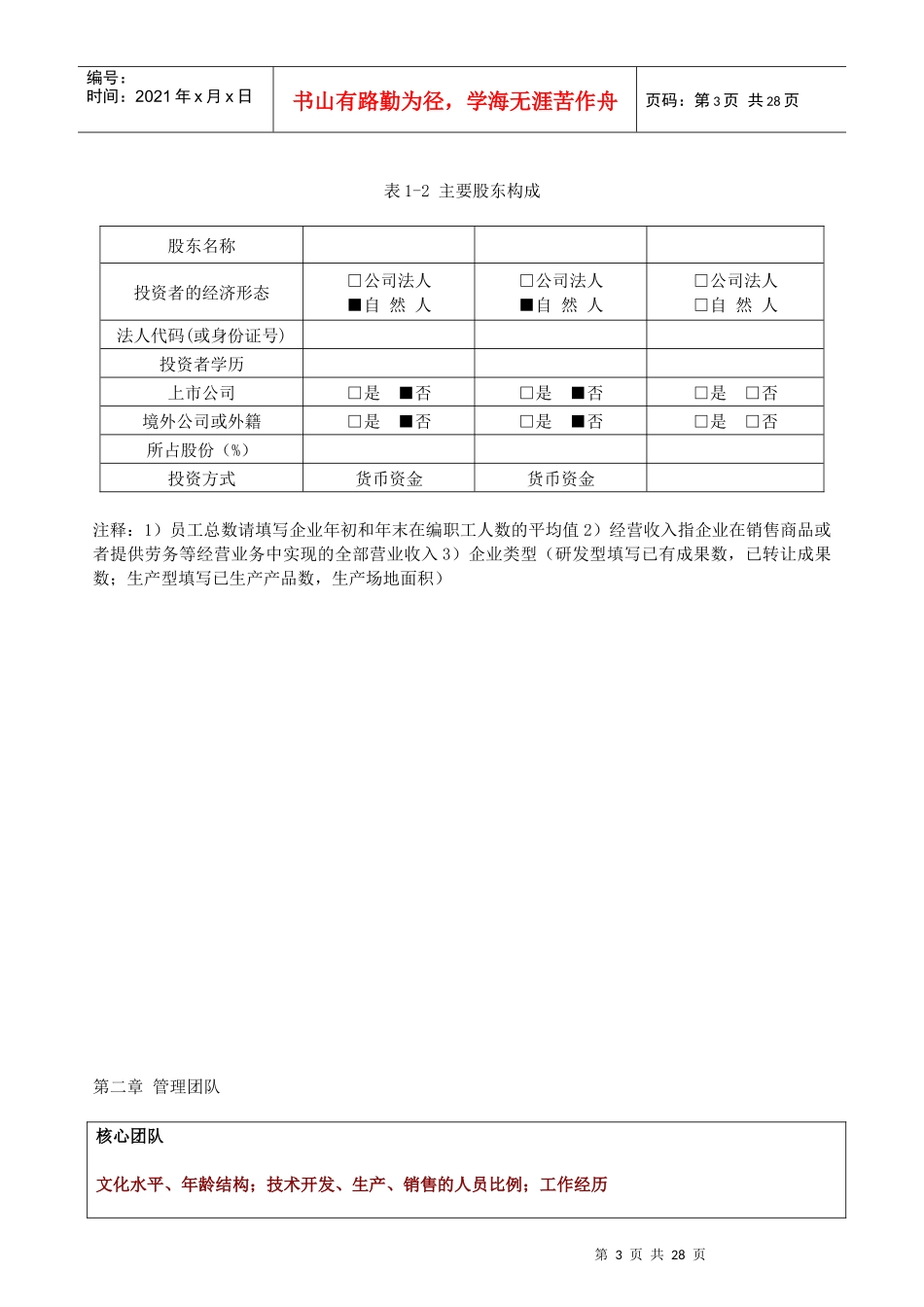
第1页共28页编号:时间:2021年x月x日书山有路勤为径,学海无涯苦作舟页码:第1页共28页ꖛꖛ科技型中小企业创新基金项目申请书项目名称承担单位(盖章)通讯地址联系电话邮政编码联系人手机E-mail推荐单位第一部分企业概况第一章基本信息第2页共28页第1页共28页编号:时间:2021年x月x日书山有路勤为径,学海无涯苦作舟页码:第2页共28页企业名称注册资本注册地址成立时间办公地址企业性质开户银行信用等级现有员工总数帐号上年缴税总额万元上年创汇万美元上年研究开发经费投入万元企业登记类型01.国有企业05.有限责任公司09.外商投资企业02.集体企业06.股份有限公司99.其他企业03.股份合作企业07.私营企业04.联营企业08.港、澳、台商投资企业企业特性0.国家火炬计划软件产业基地内企业6.科研院所整体转制企业1.认定的高新技术企业7.国家高新区内的企业3.大专院校办的企业8.国家创业服务中心内的企业4.科研院所办的企业9.其他5.留学人员办的企业企业类型——法定代表人企业负责人联系人姓名性别最高学历专业职位身份证号码办公电话移动电话E-mail第3页共28页第2页共28页编号:时间:2021年x月x日书山有路勤为径,学海无涯苦作舟页码:第3页共28页表1-2主要股东构成股东名称投资者的经济形态□公司法人■自然人□公司法人■自然人□公司法人□自然人法人代码(或身份证号)投资者学历上市公司□是■否□是■否□是□否境外公司或外籍□是■否□是■否□是□否所占股份(%)投资方式货币资金货币资金注释:1)员工总数请填写企业年初和年末在编职工人数的平均值2)经营收入指企业在销售商品或者提供劳务等经营业务中实现的全部营业收入3)企业类型(研发型填写已有成果数,已转让成果数;生产型填写已生产产品数,生产场地面积)第二章管理团队核心团队文化水平、年龄结构;技术开发、生产、销售的人员比例;工作经历第4页共28页第3页共28页编号:时间:2021年x月x日书山有路勤为径,学海无涯苦作舟页码:第4页共28页创业企业家介绍企业法定代表人的基本情况,包括学历、所学专业、主要经历、技术专长、创新意识、开拓能力及主要工作业绩。注释:核心团队包括总经理、分管技术、市场、财务等方面的副总经理和同类职务的人员,在此填写核心团队成员的教育背景及工作业绩。第三章企业现有能力研发能力1、研发队伍企业人员基本情况,包括企业人员总数、大专以上人员数;主要管理人员数、文化水平、年第5页共28页第4页共28页编号:时间:2021年x月x日书山有路勤为径,学海无涯苦作舟页码:第5页共28页龄结构;技术开发、生产、销售人员比例等。新产品开发能力情况,包括企业上一年技术开发投入额、其中研究开发投入额、研究开发投入占企业年销售收入比例;科研开发队伍情况;与本项目相关的技术储备情况等。2、资金投入情况上年技术开发的投向及投入额、研究开发投入额占年销售收入的比例3、近年来取得的研究开发成果生产及营销能力1、已具备的生产条件2、经营模式、市场策划能力和销售渠道资金管理能力其他特殊能力注释:(1)研发能力,包括企业的研发队伍和资金投入以及近年来取得的研究开发成果。(2)生产及营销能力,包括企业的具备的生产条件、经营模式和市场策划能力、销售渠道等。(3)资金管理能力,包括应收账款、应付账款的管理策略和回收及支付能力;是否得到过银行贷款并能够按期偿还,是否有银行颁发的资信等级证书。(4)其他特殊能力,包括已获得的质量认证、高新技术企业认证以及其他特殊资格或证明等。第四章企业发展历程第6页共28页第5页共28页编号:时间:2021年x月x日书山有路勤为径,学海无涯苦作舟页码:第6页共28页注释:包括最初成立情况、重大项目开发、主要产品上市、重大融资事件、公司人员总数变化情况、总资产、净资产、主营业务收入、利润水平的重大突破以及本企业认为的其他重大事件。第二部分项目技术与产品实现第一章项目基本情况一、项目基本信息项目名称所属领域起始时间2006.6计划完成时间2008.6第7页共28页第6页共28页编号:时间:2021年x月x日书山有路勤为径,学海无涯苦作舟页码:第7页共28页二、项目技术传承1、项目技术来源开发方式...

1、当您付费下载文档后,您只拥有了使用权限,并不意味着购买了版权,文档只能用于自身使用,不得用于其他商业用途(如 [转卖]进行直接盈利或[编辑后售卖]进行间接盈利)。
2、本站所有内容均由合作方或网友上传,本站不对文档的完整性、权威性及其观点立场正确性做任何保证或承诺!文档内容仅供研究参考,付费前请自行鉴别。
3、如文档内容存在违规,或者侵犯商业秘密、侵犯著作权等,请点击“违规举报”。

碎片内容

创新基金申报提纲(1)

您可能关注的文档

确认删除?
VIP
微信客服
  • 扫码咨询
会员Q群
  • 会员专属群点击这里加入QQ群
客服邮箱
回到顶部