电脑桌面
添加小米粒文库到电脑桌面
安装后可以在桌面快捷访问

华中数控数控车床VIP免费

华中数控数控车床_第1页
1/7
华中数控数控车床_第2页
2/7
华中数控数控车床_第3页
3/7
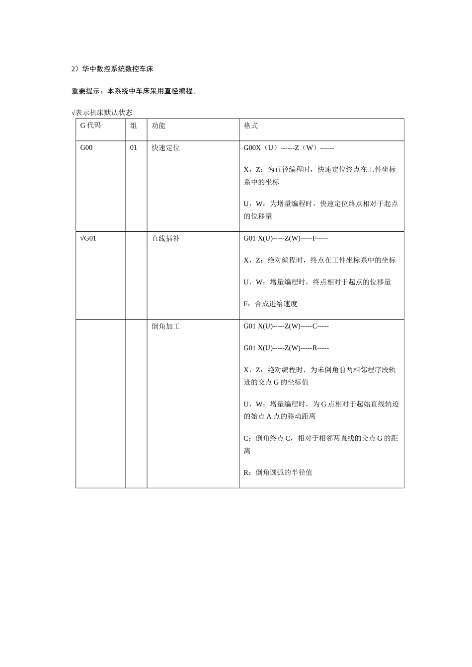
2)华中数控系统数控车床重要提示:本系统中车床采用直径编程。√表示机床默认状态G代码组功能格式G0001快速定位G00X(U)------Z(W)------X,Z:为直径编程时,快速定位终点在工件坐标系中的坐标U,W:为增量编程时,快速定位终点相对于起点的位移量√G01直线插补G01X(U)-----Z(W)-----F-----X,Z:绝对编程时,终点在工件坐标系中的坐标U,W:增量编程时,终点相对于起点的位移量F:合成进给速度倒角加工G01X(U)-----Z(W)-----C-----G01X(U)-----Z(W)-----R-----X,Z:绝对编程时,为未倒角前两相邻程序段轨迹的交点G的坐标值U,W:增量编程时,为G点相对于起始直线轨迹的始点A点的移动距离C:倒角终点C,相对于相邻两直线的交点G的距离R:倒角圆弧的半径值G02顺圆插补G02X(U)-----Z(W)-----F-----X,Z:绝对编程时,圆弧终点在工件坐标系中的坐标U,W:增量编程时,圆弧终点相对于圆弧起点的位移量I,K:圆心相对于圆弧起点的增加量,在绝对,增量编程时都以增量方式指定;在直径,半径编程时I都是半径值R:圆弧半径F:倍编程的两个轴的合成进给速度G03逆圆插补同上G02(G03)倒角加工G02(G03)X(U)-----Z(W)-----R-----RL=-----G02(G03)X(U)-----Z(W)-----R-----RC=-----X,Z:绝对编程时,为未倒角前圆弧终点G的坐标值U,W:增量编程时,为G点相对于圆弧始点A点的移动距离R:圆弧半径值RL=:倒角终点C,相对于未倒角前圆弧终点G的距离RC=:倒角圆弧的半径值G0400暂停G04P-----P:暂停时间,单位为sG20√G2108英寸输入毫米输入G20X-----Z-----同上G28G2900返回刀参考点由参考点返回G28X-----Z-----G29X-----Z-----G3201螺纹切削G32X(U)-----Z(W)-----R-----E-----P-----F-----X,Z:绝对编程时,有效螺纹终点在工件坐标系中的坐标U,W:增将编程时,有效螺纹终点相对于螺纹切削起点的位移量F:螺纹导程,即主轴每转一圈,刀具相对于工件的进给量R,E:螺纹切削的退尾量,R表示Z向退尾量;E表示X向退尾量P:主轴基准脉冲楚距离螺纹切削起点的主轴转角√G36G3717直径编程半径编程√G40G41G4209刀尖半径补偿取消左刀补右刀补G40G00(G01)X----Z----G41G00(G01)X----Z----G42G00(G01)X----Z----X,Z为建立刀补或取消刀补的终点,G41/G42的参数由T代码指定√G54G55G56G57G58G5911坐标系选择G7106内(外)径粗车复合循环(无凹槽加工时)内(外)径粗车复合循环(有凹槽加工时)G71U(△d)R(r)P(ns)Q(nf)X(△x)Z(△z)F(f)S(s)T(t)G71U(△d)R(r)P(ns)Q(nf)E(e)F(f)S(s)T(t)△d:切削深度(每次切削量),指定时不加符号。r:每次退刀量ns:精加工路径第一程序段的顺序号nf:精加工路径最后程序段的顺序号△x:X方向精加工余量△z:Z方向精加工余量f,s,t:粗加工时G71种编程的F,S,T有效,而精加工时处于ns到nf程序段之间的F,S,T有效e:精加工余量,其为X方向的等高距离;外径切削时为正,内径切削时为负G72端面粗车复合循环G72W(△d)R(r)P(ns)Q(nf)X(△x)Z(△z)F(f)S(s)T(t)参数含义同上G73闭环车削复合循环G73U(△I)W(△K)R(r)P(ns)Q(nf)X(△x)Z(△z)F(f)S(s)T(t)△I:X方向的粗加工总余量△K:Z方向的粗加工总余量r:粗切削次数ns:精加工路径第一程序段的顺序号nf:精加工路径最后程序段的顺序号△x:X方向精加工余量△z:Z方向精加工余量f,s,t:粗加工时G71种编程的F,S,T有效,而精加工时处于ns到nf程序段之间的F,S,T有效G7606螺纹切削复合循环G76C(c)R(r)E(e)A(a)X(x)Z(z)I(i)K(k)U(d)V(△dmin)Q(△d)P(p)F(L)c:精整次数(1----99)为模态值r:螺纹Z向退尾长度(00-----99)为模态值e:螺纹X向退尾长度(00-----99)为模态值a:刀尖角度(二位数字)为模态值;在80,60,55,30,29,0六个角度中选一个x,z:绝对编程时为有效螺纹终点的坐标增量编程时为有效螺纹终点相对于循环起点的有向距离i:螺纹两端的半径差k:螺纹高度△dmin:最小切削深度d:精加工余量(半径值)△d:第一次切削深度(半径值)P:主轴基准脉冲处距离切削切削起始点的主轴转角L:螺纹导程G80圆柱面内(外)径切削循环圆锥面内(外)径切削循环G80X-----Z-----F-----G80X-----Z-----I-----F----...

1、当您付费下载文档后,您只拥有了使用权限,并不意味着购买了版权,文档只能用于自身使用,不得用于其他商业用途(如 [转卖]进行直接盈利或[编辑后售卖]进行间接盈利)。
2、本站所有内容均由合作方或网友上传,本站不对文档的完整性、权威性及其观点立场正确性做任何保证或承诺!文档内容仅供研究参考,付费前请自行鉴别。
3、如文档内容存在违规,或者侵犯商业秘密、侵犯著作权等,请点击“违规举报”。

碎片内容

华中数控数控车床

确认删除?
VIP
微信客服
  • 扫码咨询
会员Q群
  • 会员专属群点击这里加入QQ群
客服邮箱
回到顶部