电脑桌面
添加小米粒文库到电脑桌面
安装后可以在桌面快捷访问

工艺工程材料与热处理考试试题VIP免费

工艺工程材料与热处理考试试题_第1页
1/6
工艺工程材料与热处理考试试题_第2页
2/6
工艺工程材料与热处理考试试题_第3页
3/6
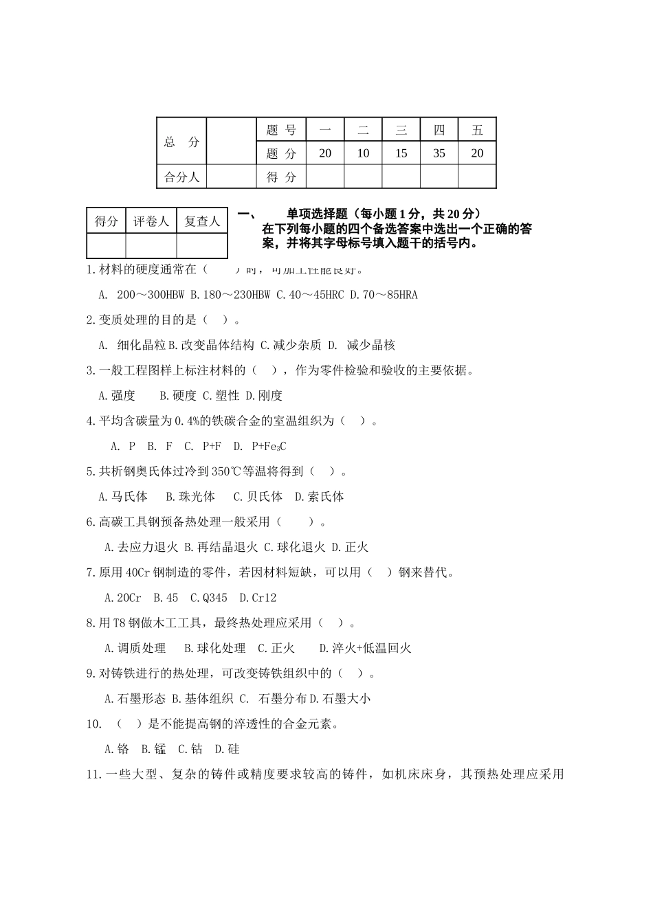
总分题号一二三四五题分2010153520合分人得分得分评卷人复查人1.材料的硬度通常在()时,可加工性能良好。A.200~300HBWB.180~230HBWC.40~45HRCD.70~85HRA2.变质处理的目的是()。A.细化晶粒B.改变晶体结构C.减少杂质D.减少晶核3.一般工程图样上标注材料的(),作为零件检验和验收的主要依据。A.强度B.硬度C.塑性D.刚度4.平均含碳量为0.4%的铁碳合金的室温组织为()。A.PB.FC.P+FD.P+Fe3C5.共析钢奥氏体过冷到350℃等温将得到()。A.马氏体B.珠光体C.贝氏体D.索氏体6.高碳工具钢预备热处理一般采用()。A.去应力退火B.再结晶退火C.球化退火D.正火7.原用40Cr钢制造的零件,若因材料短缺,可以用()钢来替代。A.20CrB.45C.Q345D.Cr128.用T8钢做木工工具,最终热处理应采用()。A.调质处理B.球化处理C.正火D.淬火+低温回火9.对铸铁进行的热处理,可改变铸铁组织中的()。A.石墨形态B.基体组织C.石墨分布D.石墨大小10.()是不能提高钢的淬透性的合金元素。A.铬B.锰C.钴D.硅11.一些大型、复杂的铸件或精度要求较高的铸件,如机床床身,其预热处理应采用一、单项选择题(每小题1分,共20分)在下列每小题的四个备选答案中选出一个正确的答案,并将其字母标号填入题干的括号内。()。A.正火B.冷处理C.人工时效D.高温退火12.高碳钢最佳切削性能的热处理工艺方法应是()。A.完全退火B.球化退火C.正火D.淬火13.对于要求综合性能良好的轴、齿轮、连杆等重要零件,应选择()。A.合金弹簧钢B.合金调质钢C.合金工具钢D.不锈钢14.压铸模的工作温度最高,故压铸模用钢应以耐热性要求为主,应用最广的是()。A.5CrNiMoB.Cr12MoVC.3Cr2W8VD.CrWMn15.淬火钢回火后的硬度主要取决于()。A.回火加速度B.回火冷却速度C.回火温度D.回火时间16.9SiCr钢适用于制造()A.电冰箱壳体B.丝锥(板牙)C.轴类零件D.弹簧17.材料在外力力作用下对变形与断裂的抵抗能力称为()A.塑性B.强度C.硬度D.刚度18雷达罩适用于下列材料制造()A.玻璃钢B.聚酰胺C.氧化铝陶瓷D.青铜19.钢在轧制或锻造的温度范围必须选择在Fe-Fe3C相图中()区。A.铁素体+奥氏体B.单一奥氏体C.铁素体+珠光体D.奥氏体+渗碳体20.发动机曲轴通常用是以下材料制造()A.中碳钢B.不锈钢C.球墨铸铁D.铝合金得分评卷人复查人21.在45钢中珠光体的含量为__________。22.晶体缺陷按几何特征可分为__________、线缺陷(位错)和面缺陷(如晶界、亚晶界)三类。23.某些金属元素(常见的如铁、钛等)和非金属(常见的如碳)在不同温度和压力下,具有不同类型的晶体结构,称为_________。二、填空题(每小题1分,共10分)24.“以铁代钢”,主要就是指_________。25.铁的再结晶温度为450℃,对铁在450℃以下的变形加工都属于___________。26.碳在-Fe中的过饱和间隙固溶体是___________。27.变形与开裂的根本原因是淬火时形成的__________所致。28.渗氮前需进行__________,以改善机加工性能,并获得均匀的回火索氏体组织工作,保证较高的强度和韧性。29.陶瓷材料具有极高的硬度和优良的耐磨性,其硬度一般为___________HV,而淬火钢一般不超过800HV。30.形变铝合金依据其性能特点可分为防锈铝合金、硬铝合金、超硬铝合金和___________。得分评卷人复查人31.加工工艺性得分32.结晶得分33.淬透性得分34.黄铜得分35.电镀得分三、名词解释(每小题3分,共15分)得分评卷人复查人36.简述零件的失效失效形式和原因?得分37.马氏体的组织形态有几种?含碳量对马氏体性能的影响?得分38.简述金属强化的方法。得分39.试述滚动轴承钢(如GCr15)的主要热处理及目的?得分40.正火与退火的主要区别是什么?得分41.什么是回火脆性?如何防止回火脆性?四、简答题(每小题5分,共35分)得分42.影响奥氏体形成的因素?得分得分评卷人复查人43.高速钢为什么要严格锻造?为什么选择高的淬火温度和三次550~570℃回火的最终热处理工艺?五、论述题(每小题10分,共20分)得分44.指出下列合金钢的类型、用途及合金元素的作用:20CrMnTi、5CrMnMo、60Si2Mn。

1、当您付费下载文档后,您只拥有了使用权限,并不意味着购买了版权,文档只能用于自身使用,不得用于其他商业用途(如 [转卖]进行直接盈利或[编辑后售卖]进行间接盈利)。
2、本站所有内容均由合作方或网友上传,本站不对文档的完整性、权威性及其观点立场正确性做任何保证或承诺!文档内容仅供研究参考,付费前请自行鉴别。
3、如文档内容存在违规,或者侵犯商业秘密、侵犯著作权等,请点击“违规举报”。

碎片内容

工艺工程材料与热处理考试试题

您可能关注的文档

确认删除?
VIP
微信客服
  • 扫码咨询
会员Q群
  • 会员专属群点击这里加入QQ群
客服邮箱
回到顶部