电脑桌面
添加小米粒文库到电脑桌面
安装后可以在桌面快捷访问

室内给水管道安装工程VIP免费

室内给水管道安装工程_第1页
1/7
室内给水管道安装工程_第2页
2/7
室内给水管道安装工程_第3页
3/7
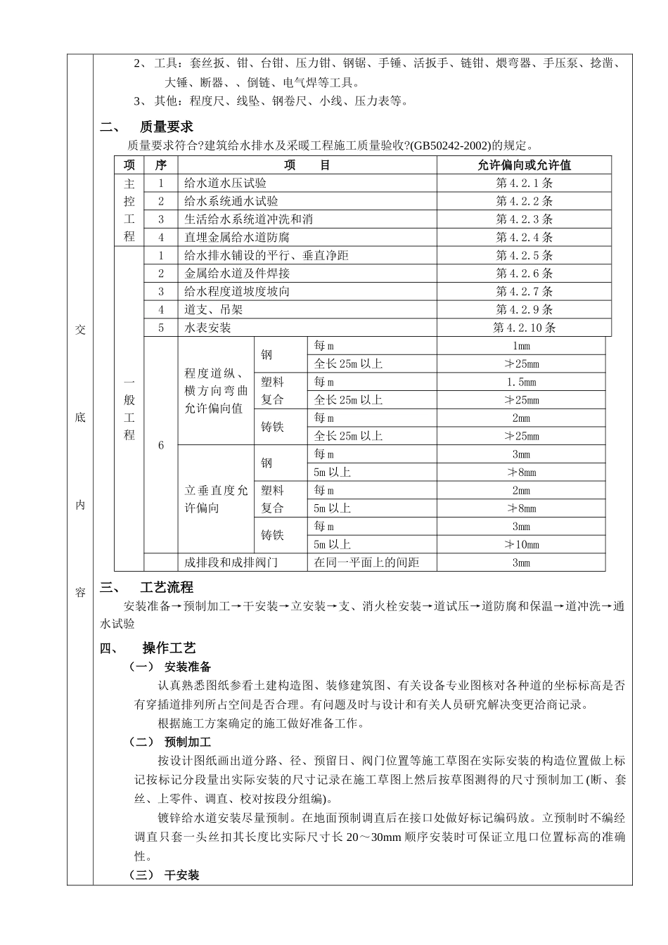
室内给水道安装工程分项工程质量技术交底卡GD2301003施工工程名称分部工程交底部位日年月日交底内容一、施工准备(一)作业条件1、地下道铺设必须在房心土回填夯实或挖到底标高沿线铺设位置清理干净道穿墙处巳留洞或安装套其洞口尺寸和套规格符合要求坐标、标高正确。2、暗装道应在地沟盖板前或吊顶封闭前进展安装。3、明装托、吊干安装必须在安装层的构造顶板完成后进展。沿线安装位置的模板及杂物清理干净托吊卡件均已安装结实位置正确。4、立安装宜在主体构造完成后进展。高层建筑在主体构造到达安装条件后适当插入进展。每层均应有明确的标高线暗装竖井道应把竖井内的模板及杂物去除干净并有防坠落措施。5、支安装应在墙体砌筑完毕墙面未装修前进展。(二)材料要求1、铸铁给水及件质量应执行YB/T5188、GB3287。其规格尺寸应符合设计要求壁厚度均匀内外光滑整洁不得有砂眼、裂纹、毛刺和疙瘩;承插口的内外径及件应造型规矩内外外表的防腐涂层应整洁均匀附着结实。室外给水铸铁安装多数采用橡胶圈接口道与橡胶圈采用同一厂家已经配好橡胶圈。给水铸铁件采用自来水配套。手锤轻轻敲打沙沙声说明质量不好应检查是否有裂缝;用锤击断壁断面呈灰色组织均匀、严、细颗粒为合格。2、镀锌给水及件质量应执行GB/T3091。其规格种类应符合设计要求内外镀锌均匀无锈蚀无毛刺。件无偏扣、乱扣、丝扣不全或角度不准等现象。将几个一样直径的件串起来看是否乱扣、偏扣、角度不准然后试压。3、消火栓系统材按设计要求选用一般采用碳素钢或无缝钢材不得有弯曲、锈蚀、重皮及凹凸不平等现象。4、消火栓箱体的规格型应符合设计图纸要求箱体外表平整、光洁无锈蚀、划伤箱门开启灵敏。箱体方正箱内配件齐全。栓阀外形规矩无裂纹启闭灵敏关闭严封填料完好。5、水表的规格应符合设计图纸要求其中每户使用DN15水表。热水系统选用符合温度要求的热水表。表壳铸造规矩无砂眼、裂纹表玻璃盖无损坏铅封完好。6、阀门的规格型应符合设计要求热水系统阀门符合温度要求。阀体铸造规矩外表光洁无裂纹开关灵敏关闭严填料封完好无渗漏手轮完好无损坏干上的阀门全部试压检验一般阀门抽查10。假设有不合格的那么抽查20还有不合格的那么逐个检验。7、不得使用限制使用和淘汰落后的建材。以上工程物资都应有质量合格证及相关检验。对于及北京有规定的特定设备及材料如消防、卫生、压力容器应附有相应资质等级检验提供的检验;如平安阀、减压阀的调试给水道材料卫生检验卫生器具环保检测水表和热量表应经校准检定合格有计量检定证书。(三)主要机具1、机械:套丝机砂轮锯、台钻、调速电锤、手电钻、电焊机、电动或手动试压泵等。交底内容2、工具:套丝扳、钳、台钳、压力钳、钢锯、手锤、活扳手、链钳、煨弯器、手压泵、捻凿、大锤、断器、、倒链、电气焊等工具。3、其他:程度尺、线坠、钢卷尺、小线、压力表等。二、质量要求质量要求符合?建筑给水排水及采暖工程施工质量验收?(GB50242-2002)的规定。项序项目允许偏向或允许值主控工程1给水道水压试验第4.2.1条2给水系统通水试验第4.2.2条3生活给水系统道冲洗和消第4.2.3条4直埋金属给水道防腐第4.2.4条一般工程1给水排水铺设的平行、垂直净距第4.2.5条2金属给水道及件焊接第4.2.6条3给水程度道坡度坡向第4.2.7条4道支、吊架第4.2.9条5水表安装第4.2.10条6程度道纵、横方向弯曲允许偏向值钢每m1mm全长25m以上≯25mm塑料复合每m1.5mm全长25m以上≯25mm铸铁每m2mm全长25m以上≯25mm立垂直度允许偏向钢每m3mm5m以上≯8mm塑料复合每m2mm5m以上≯8mm铸铁每m3mm5m以上≯10mm成排段和成排阀门在同一平面上的间距3mm三、工艺流程安装准备→预制加工→干安装→立安装→支、消火栓安装→道试压→道防腐和保温→道冲洗→通水试验四、操作工艺(一)安装准备认真熟悉图纸参看土建构造图、装修建筑图、有关设备专业图核对各种道的坐标标高是否有穿插道排列所占空间是否合理。有问题及时与设计和有关人员研究解决变更洽商记录。根据施工方案确定的施工做好准备工作。(二)预制加工按设计图纸画出道分路、径、预留日、阀门位置等施工草图在实际安装的构造位置做上标记按标记分段量...

1、当您付费下载文档后,您只拥有了使用权限,并不意味着购买了版权,文档只能用于自身使用,不得用于其他商业用途(如 [转卖]进行直接盈利或[编辑后售卖]进行间接盈利)。
2、本站所有内容均由合作方或网友上传,本站不对文档的完整性、权威性及其观点立场正确性做任何保证或承诺!文档内容仅供研究参考,付费前请自行鉴别。
3、如文档内容存在违规,或者侵犯商业秘密、侵犯著作权等,请点击“违规举报”。

碎片内容

室内给水管道安装工程

您可能关注的文档

确认删除?
VIP
微信客服
  • 扫码咨询
会员Q群
  • 会员专属群点击这里加入QQ群
客服邮箱
回到顶部