电脑桌面
添加小米粒文库到电脑桌面
安装后可以在桌面快捷访问

工程开工前期表格VIP免费

工程开工前期表格_第1页
1/41
工程开工前期表格_第2页
2/41
工程开工前期表格_第3页
3/41
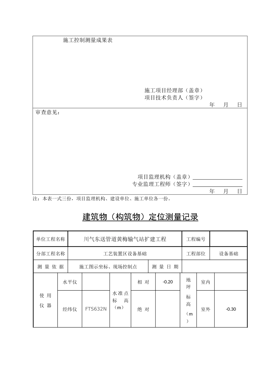
表B.0.1施工组织设计/(专项)施工方案报审表工程名称:川气东送管道工程黄梅输气站扩建工程编号:致:中石化江汉石油工程设计有限公司(项目监理机构)我方已完成川气东送管道工程黄梅输气站扩建工程工程施工组织设计/(专项)施工方案的编制,请予以审查。附:施工组织设计施工项目经理部(盖章)项目经理(签字)年月日审查意见:专业监理工程师(签字)年月日审核意见:项目监理机构(盖章)总监理工程师(签字、加盖执业印章)年月日审批意见(仅对超过一定规模的危险性较大分部分项工程专项施工方案):建设单位(盖章)建设单位代表(签字)年月日注:本表一式三份,项目监理机构、建设单位、施工单位各一份。表B.0.2工程开工报审表工程名称:川气东送管道工程黄梅输气站扩建工程编号:致:中国石油化工股份有限公司天然气川气东送管道分公司(建设单位)中石化江汉石油工程设计有限公司(项目监理机构)我方承担的川气东送管道工程黄梅输气站扩建工程工程,已完成相关准备工作,具备开工条件,特此申请于2015年7月25日开工,请予以审批。附件:开工报告施工单位(盖章)项目经理(签字)年月日审核意见:项目监理机构(盖章)总监理工程师(签字、加盖职业印章)年月日审批意见:建设单位(盖章)建设单位代表(签字)年月日注:本表一式三份,项目监理机构、建设单位、施工单位各一份。表B.0.5施工控制测量成果报验表工程名称:川气东送管道工程黄梅输气站扩建工程编号:致:中石化江汉石油工程设计有限公司(项目监理机构)我方已完成川气东送管道工程黄梅输气站扩建工程,过滤分离器基础、调压撬基础的施工测量放线,经自检合格,请予以查验。附:施工控制测量成果表施工项目经理部(盖章)项目技术负责人(签字)年月日审查意见:项目监理机构(盖章)专业监理工程师(签字)年月日注:本表一式三份,项目监理机构、建设单位、施工单位各一份。建筑物(构筑物)定位测量记录单位工程名称川气东送管道黄梅输气站扩建工程工程编号分部工程名称工艺装置区设备基础工程部位设备基础测量依据施工图示坐标、现场控制点测量日期使用仪器水平仪水准点标高(m)相对-0.20地坪标高(m)室内经纬仪FTS632N绝对室外-0.30定位(放线)示意说明:1、立仪器于坐标A:124.90,B:4.00处;照坐标A:124.90,B:34.002、采用极坐标放线方式,利用全站仪、单棱镜依次定位三个设备基础、测定标高。施工单位监理单位测量人:技术负责人:年月日现场监理:监理工程师:年月日安全技术交底记录单位工程名称川气东送管道工程黄梅输气站扩建工程工程编号交底时间2015.7.23交底部位基础工序名称基础土方开挖交底提要:1、存在危险因素;2、预防措施;3、土方开挖。交底内容:一、存在的危险因素:1、设备损伤;2、作业时导致人员伤害;3、坍塌事故;4、地下原有管线及电缆等设施损伤;二、预防措施:1、采用人工开挖,现场应设监护人,施工作业前,必须票证齐全,方可施工;2、人工开挖时2人的间距应大于2.5米,挖掘时作业人员必须带手套作业,作业人员应熟悉周围工作环境,开挖前应熟悉作业区域的地下情况;3、开挖时注意土方周围的情况,可采用放坡的方法以免发生事故,基础开挖完成后及时采用隔离警戒,应急车辆必须保持性能良好,并随时处于待命状态;4、必要时使用检测仪器以免挖断原有电缆及管线,土方开挖前使用金属探测器进行探测,如发现地下有金属物体如管道、电缆等障碍物时,开挖不可用力过猛,要进行试探性开挖,保证地下物体安全。三、土方开挖:1、确定开挖的顺序→沿灰线切出槽边轮廓线→取面砖→清理素砼→人工开挖→修整槽边→清底;2、用水准仪控制标高,预留20mm土层,以防止超挖;3、清理底部土层时用它们来控制标高,根据轴线及基础轮廓检验基槽尺寸,修整边坡和基底;4、土方开挖时,要注意保护标准定点位、轴线桩、标准高程。技术负责人交底人接受交底人工程量签证单签证单编号:单位工程名称工程编号工程地点工程签证内容:附件:□工程造价计算书□工程量计算书□工程结构示意图□隐蔽工程验收记录施工单位负责人:(公章)年月日工程量签证单审批页审查意见监理工程师...

1、当您付费下载文档后,您只拥有了使用权限,并不意味着购买了版权,文档只能用于自身使用,不得用于其他商业用途(如 [转卖]进行直接盈利或[编辑后售卖]进行间接盈利)。
2、本站所有内容均由合作方或网友上传,本站不对文档的完整性、权威性及其观点立场正确性做任何保证或承诺!文档内容仅供研究参考,付费前请自行鉴别。
3、如文档内容存在违规,或者侵犯商业秘密、侵犯著作权等,请点击“违规举报”。

碎片内容

工程开工前期表格

您可能关注的文档

确认删除?
VIP
微信客服
  • 扫码咨询
会员Q群
  • 会员专属群点击这里加入QQ群
客服邮箱
回到顶部