电脑桌面
添加小米粒文库到电脑桌面
安装后可以在桌面快捷访问

室内给水管道及配件安装工程检验批质量验收记录VIP免费

室内给水管道及配件安装工程检验批质量验收记录_第1页
1/12
室内给水管道及配件安装工程检验批质量验收记录_第2页
2/12
室内给水管道及配件安装工程检验批质量验收记录_第3页
3/12
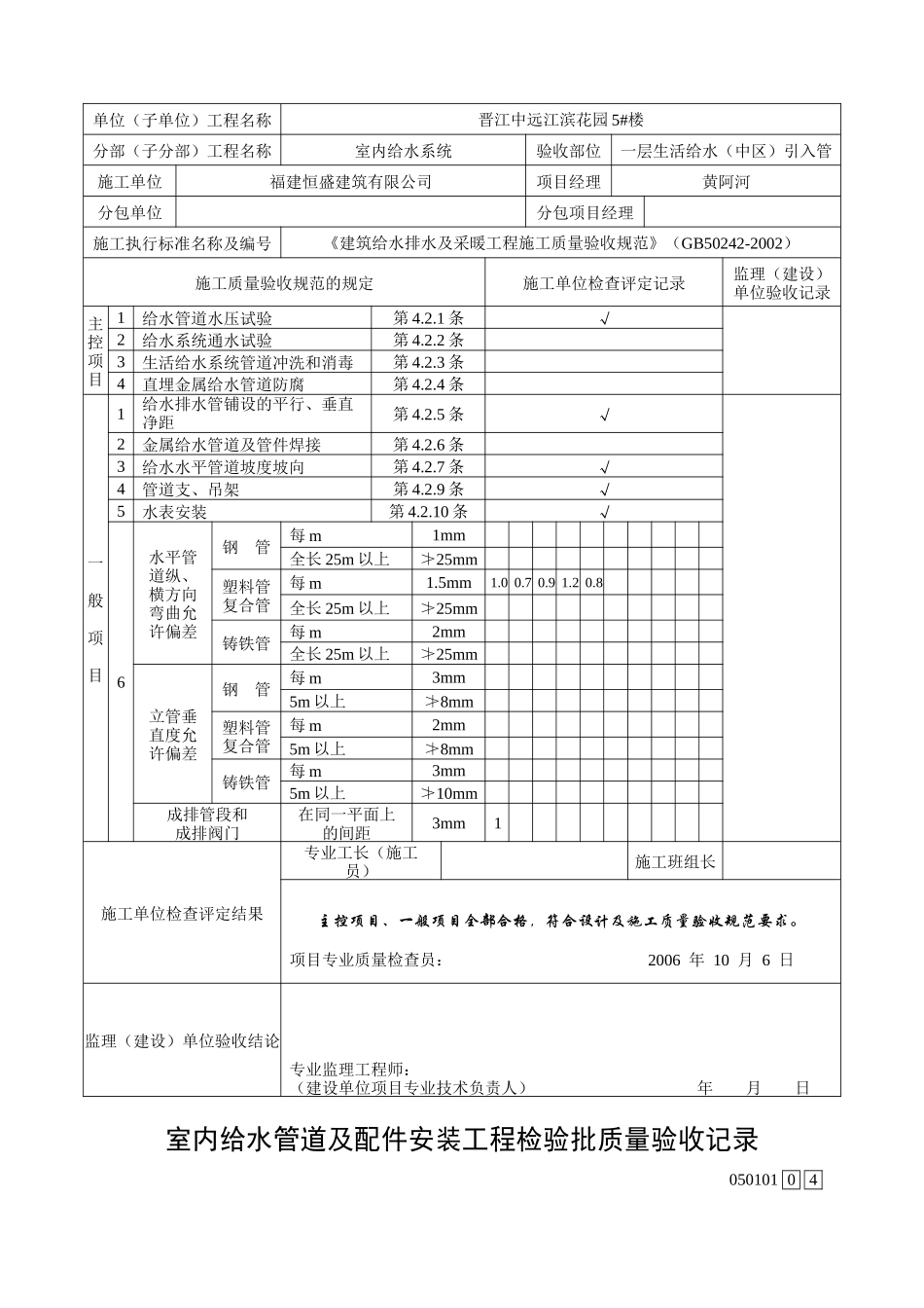
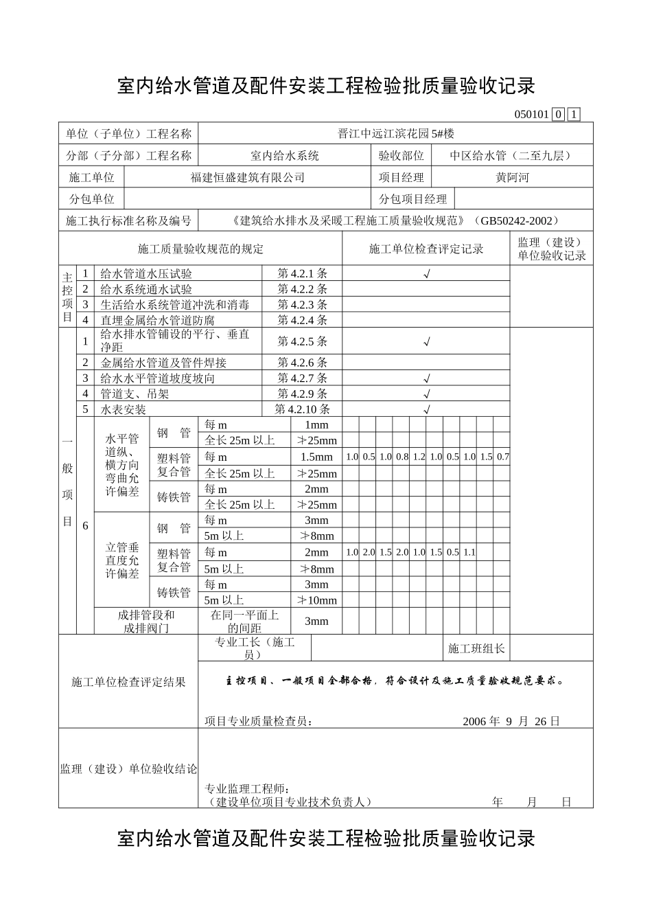
室内给水管道及配件安装工程检验批质量验收记录单位(子单位)工程名称晋江中远江滨花园5#楼分部(子分部)工程名称室内给水系统验收部位中区给水管(二至九层)施工单位福建恒盛建筑有限公司项目经理黄阿河分包单位分包项目经理施工执行标准名称及编号《建筑给水排水及采暖工程施工质量验收规范》(GB50242-2002)施工质量验收规范的规定施工单位检查评定记录监理(建设)单位验收记录主控项目1给水管道水压试验第4.2.1条√2给水系统通水试验第4.2.2条3生活给水系统管道冲洗和消毒第4.2.3条4直埋金属给水管道防腐第4.2.4条一般项目1给水排水管铺设的平行、垂直净距第4.2.5条√2金属给水管道及管件焊接第4.2.6条3给水水平管道坡度坡向第4.2.7条√4管道支、吊架第4.2.9条√5水表安装第4.2.10条√6水平管道纵、横方向弯曲允许偏差钢管每m1mm全长25m以上≯25mm塑料管复合管每m1.5mm1.00.51.00.81.21.00.51.01.50.7全长25m以上≯25mm铸铁管每m2mm全长25m以上≯25mm立管垂直度允许偏差钢管每m3mm5m以上≯8mm塑料管复合管每m2mm1.02.01.52.01.01.50.51.15m以上≯8mm铸铁管每m3mm5m以上≯10mm成排管段和成排阀门在同一平面上的间距3mm施工单位检查评定结果专业工长(施工员)施工班组长主控项目、一般项目全部合格,符合设计及施工质量验收规范要求。项目专业质量检查员:2006年9月26日监理(建设)单位验收结论专业监理工程师:(建设单位项目专业技术负责人)年月日室内给水管道及配件安装工程检验批质量验收记录05010101单位(子单位)工程名称晋江中远江滨花园5#楼分部(子分部)工程名称室内给水系统验收部位高区给水管(十至十六层)施工单位福建恒盛建筑有限公司项目经理黄阿河分包单位分包项目经理施工执行标准名称及编号《建筑给水排水及采暖工程施工质量验收规范》(GB50242-2002)施工质量验收规范的规定施工单位检查评定记录监理(建设)单位验收记录主控项目1给水管道水压试验第4.2.1条√2给水系统通水试验第4.2.2条3生活给水系统管道冲洗和消毒第4.2.3条4直埋金属给水管道防腐第4.2.4条一般项目1给水排水管铺设的平行、垂直净距第4.2.5条√2金属给水管道及管件焊接第4.2.6条3给水水平管道坡度坡向第4.2.7条√4管道支、吊架第4.2.9条√5水表安装第4.2.10条√6水平管道纵、横方向弯曲允许偏差钢管每m1mm全长25m以上≯25mm塑料管复合管每m1.5mm0.81.00.91.30.81.21.30.70.81.0全长25m以上≯25mm铸铁管每m2mm全长25m以上≯25mm立管垂直度允许偏差钢管每m3mm5m以上≯8mm塑料管复合管每m2mm0.91.31.60.71.21.31.05m以上≯8mm铸铁管每m3mm5m以上≯10mm成排管段和成排阀门在同一平面上的间距3mm施工单位检查评定结果专业工长(施工员)施工班组长主控项目、一般项目全部合格,符合设计及施工质量验收规范要求。项目专业质量检查员:2006年9月26日监理(建设)单位验收结论专业监理工程师:(建设单位项目专业技术负责人)年月日室内给水管道及配件安装工程检验批质量验收记录0501010205010103单位(子单位)工程名称晋江中远江滨花园5#楼分部(子分部)工程名称室内给水系统验收部位一层生活给水(中区)引入管施工单位福建恒盛建筑有限公司项目经理黄阿河分包单位分包项目经理施工执行标准名称及编号《建筑给水排水及采暖工程施工质量验收规范》(GB50242-2002)施工质量验收规范的规定施工单位检查评定记录监理(建设)单位验收记录主控项目1给水管道水压试验第4.2.1条√2给水系统通水试验第4.2.2条3生活给水系统管道冲洗和消毒第4.2.3条4直埋金属给水管道防腐第4.2.4条一般项目1给水排水管铺设的平行、垂直净距第4.2.5条√2金属给水管道及管件焊接第4.2.6条3给水水平管道坡度坡向第4.2.7条√4管道支、吊架第4.2.9条√5水表安装第4.2.10条√6水平管道纵、横方向弯曲允许偏差钢管每m1mm全长25m以上≯25mm塑料管复合管每m1.5mm1.00.70.91.20.8全长25m以上≯25mm铸铁管每m2mm全长25m以上≯25mm立管垂直度允许偏差钢管每m3mm5m以上≯8mm塑料管复合管每m2mm5m以上≯8mm铸铁管每m3mm5m以上≯10mm成排管段和成排阀门在同一平面上的间距3mm1施工单位检查评定结果专业工长(施工员)施工班...

1、当您付费下载文档后,您只拥有了使用权限,并不意味着购买了版权,文档只能用于自身使用,不得用于其他商业用途(如 [转卖]进行直接盈利或[编辑后售卖]进行间接盈利)。
2、本站所有内容均由合作方或网友上传,本站不对文档的完整性、权威性及其观点立场正确性做任何保证或承诺!文档内容仅供研究参考,付费前请自行鉴别。
3、如文档内容存在违规,或者侵犯商业秘密、侵犯著作权等,请点击“违规举报”。

碎片内容

室内给水管道及配件安装工程检验批质量验收记录

您可能关注的文档

确认删除?
VIP
微信客服
  • 扫码咨询
会员Q群
  • 会员专属群点击这里加入QQ群
客服邮箱
回到顶部