电脑桌面
添加小米粒文库到电脑桌面
安装后可以在桌面快捷访问

基础主体结构工程监理实施细则VIP免费

基础主体结构工程监理实施细则_第1页
1/53
基础主体结构工程监理实施细则_第2页
2/53
基础主体结构工程监理实施细则_第3页
3/53
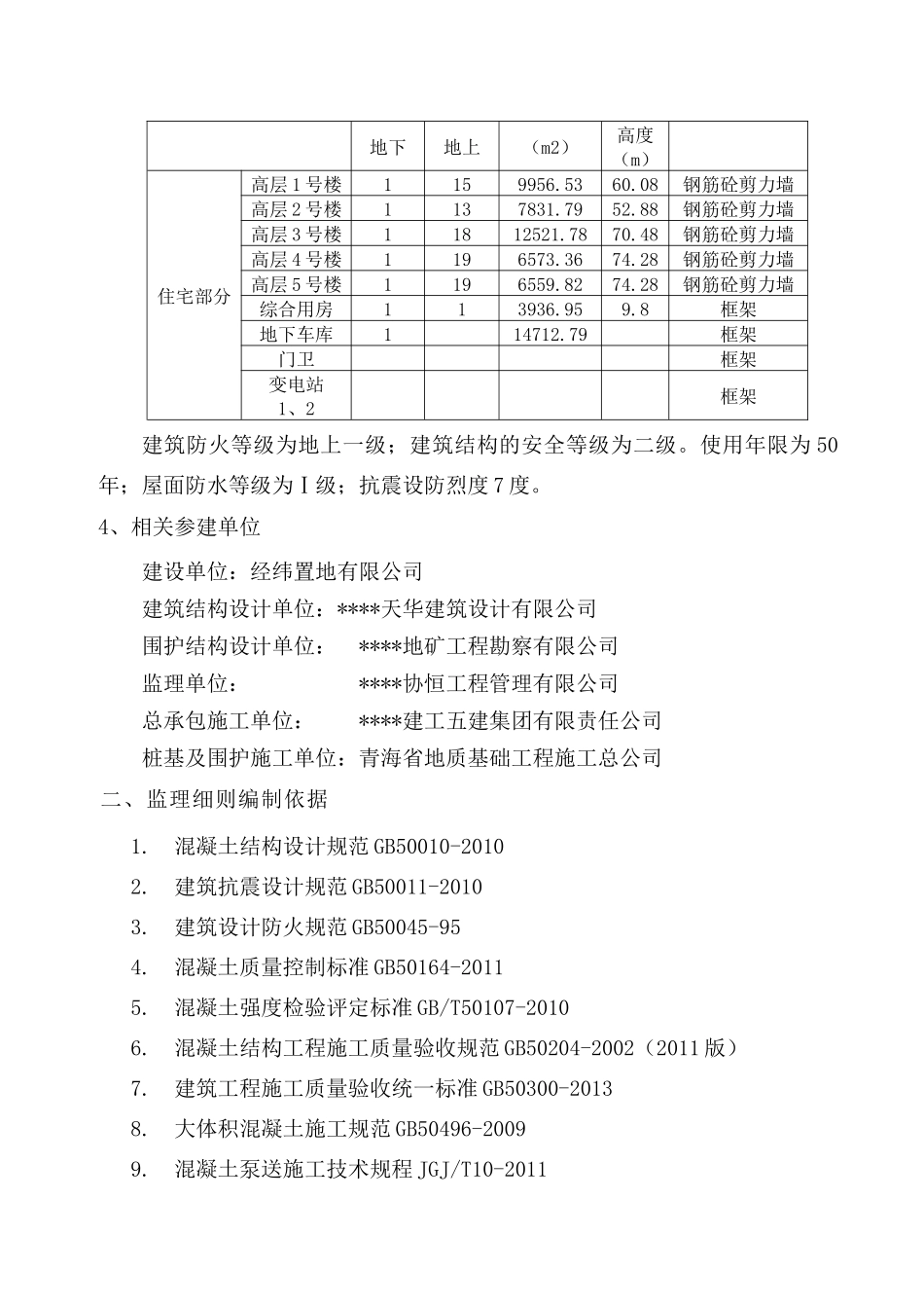
目录一、工程概况....................................................................................................................................1二、监理细则编制依据....................................................................................................................2三、主体工程验收一般规定............................................................................................................2四、监理工作程序:........................................................................................................................3五、监理工作的控制要点................................................................................................................7(一)建筑施工测量.................................................................................................................7(二)模板分项工程.................................................................................................................9(三)钢筋分项工程...............................................................................................................10(四)混凝土分项工程...........................................................................................................151、底板大体积砼监理工作要点......................................................................................152、抗渗混凝土监理工作要点..........................................................................................173、混凝土质量保证措施..................................................................................................18(五)基础防水分项工程.......................................................................................................21(六)地下防水细部构造监理控制要点...............................................................................24六、监理工作的方法和措施..........................................................................................................26七、监理旁站内容、方法和要求..................................................................................................34八、常见质量问题及其预防措施..................................................................................................35一、工程概况1、项目名称:****地块项目(1#~5#楼、变电站、门卫、围墙、综合用房)2、建设地点及特点:****地块项目位于****市宝山区,东侧为桃浦河,建筑红线贴近河道蓝线,用地红线与本工程最近距离约为19m;南侧为纬地路,道路南侧为已建经纬实验学校;西侧为经地路,道路边线接近红线,用地红线与商业2边线最近距离约4.1m,道路下有大量市政管线,其中有一条燃气管线与基坑的距离约为8m;道路西侧为已建小区,北侧为涵青路,道路边线贴近红线,用地红线与基坑边线最近距离约为34m,该侧道路下有三条重要管线,其中燃气管跟商业2的最近距离约7m。主要需要保护的是东侧的桃浦河;北侧涵青路下的燃气管等。3、工程规模:总建筑面积47927.63㎡,地上建筑面积41532.49㎡,地下6395.14㎡。主要组成项目:由5栋地上13~19层住宅、1栋综合用房建筑以及地下1层人防和车库、游泳池、门卫等附属用房组成,并在场地内设有2个地下车库。本项目的主要建筑情况如下:名称层数建筑面积建筑结构形式(m2)高度(m)地下地上住宅部分高层1号楼1159956.5360.08钢筋砼剪力墙高层2号楼1137831.7952.88钢筋砼剪力墙高层3号楼11812521.7870.48钢筋砼剪力墙高层4号楼1196573.3674.28钢筋砼剪力墙高层5号楼1196559.8274.28钢筋砼剪力墙综合用房113936.959.8框架地下车库114712.79框架门卫框架变电站1、2框架建筑防火等级为地上一级;建...

1、当您付费下载文档后,您只拥有了使用权限,并不意味着购买了版权,文档只能用于自身使用,不得用于其他商业用途(如 [转卖]进行直接盈利或[编辑后售卖]进行间接盈利)。
2、本站所有内容均由合作方或网友上传,本站不对文档的完整性、权威性及其观点立场正确性做任何保证或承诺!文档内容仅供研究参考,付费前请自行鉴别。
3、如文档内容存在违规,或者侵犯商业秘密、侵犯著作权等,请点击“违规举报”。

碎片内容

基础主体结构工程监理实施细则

确认删除?
VIP
微信客服
  • 扫码咨询
会员Q群
  • 会员专属群点击这里加入QQ群
客服邮箱
回到顶部