电脑桌面
添加小米粒文库到电脑桌面
安装后可以在桌面快捷访问

市政基础设施工程施工技术交底VIP免费

市政基础设施工程施工技术交底_第1页
1/2
市政基础设施工程施工技术交底_第2页
2/2
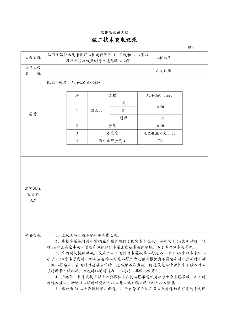
政根底设施工程施工技术交底记录编:工程名称江门文昌沙水质净化厂二扩建截污B、C、D线和1、3泵房及华园桥在线监测房土建包施工工程工程部位分项工程名称完成时间质量现浇构造尺寸允许偏向和检验:序工程允许偏向〔mm〕1断面尺寸宽±50高壁厚±152长度±503垂直度0.25H且不大于254两对角线长度差75工艺流程及主要施工平安交底1、进入现场必须遵守平安消费记录。2、串搭车道板时两头需搁置平稳并用钉子固定在车道板下面每隔1.5m需加横楞、顶撑2m以上高空串跳必须装有防护栏杆车道上应经常清扫垃圾、石子等以防车跳滑跌。3、采用现场搅拌混凝土或采用人工运料时车道板单车行走不小于1.4m宽双车来回不小于2.8m宽车子向料斗倒料应有挡车措施不得用力过猛和撤把脚不得踏在料斗上料时斗的下方不得站人。在运料时前后应保持一定车距不准奔波、抢道或超车清理料斗下砂石时必须将两条斗链扣牢。在搅拌机运转过程中不得将工具深化滚筒内。4、用塔吊、料斗浇捣混凝土时指挥扶斗人员与塔吊驾驶员应亲配合当塔吊放下料斗时操作人员应主动避让应随时注意料斗碰头并应站立稳当防止料斗碰人坠落。5、离地面2m以上浇捣过梁、雨篷、小平台等不准站在搭头上操作如无可靠的平安设政根底设施工程施工技术交底记录编:工程名称江门文昌沙水质净化厂二扩建截污B、C、D线和1、3泵房及华园桥在线监测房土建包施工工程工程部位分项工程名称完成时间备时必须戴好平安带并扣好钩。6、使用振动机前应检查电源电压输电必须安装漏电开关保护电源线路是否良好电源线不得有接头机械运转是否正常振动机挪动时不能硬拉电线更不能在钢筋和其他锐利物上拖拉防止割破拉断电线而造成触电身亡事故。7、用井架运输时井架吊篮起吊或放下时必须关好井架平安门头、手不准伸入井架内小车车把不得伸出笼外车轮前后要楔牢待吊篮停稳方能进入吊篮内工作。交底人签字:承受人签字:交底日:

1、当您付费下载文档后,您只拥有了使用权限,并不意味着购买了版权,文档只能用于自身使用,不得用于其他商业用途(如 [转卖]进行直接盈利或[编辑后售卖]进行间接盈利)。
2、本站所有内容均由合作方或网友上传,本站不对文档的完整性、权威性及其观点立场正确性做任何保证或承诺!文档内容仅供研究参考,付费前请自行鉴别。
3、如文档内容存在违规,或者侵犯商业秘密、侵犯著作权等,请点击“违规举报”。

碎片内容

市政基础设施工程施工技术交底

确认删除?
VIP
微信客服
  • 扫码咨询
会员Q群
  • 会员专属群点击这里加入QQ群
客服邮箱
回到顶部