电脑桌面
添加小米粒文库到电脑桌面
安装后可以在桌面快捷访问

原材料出入库流程VIP免费

原材料出入库流程_第1页
1/2
原材料出入库流程_第2页
2/2
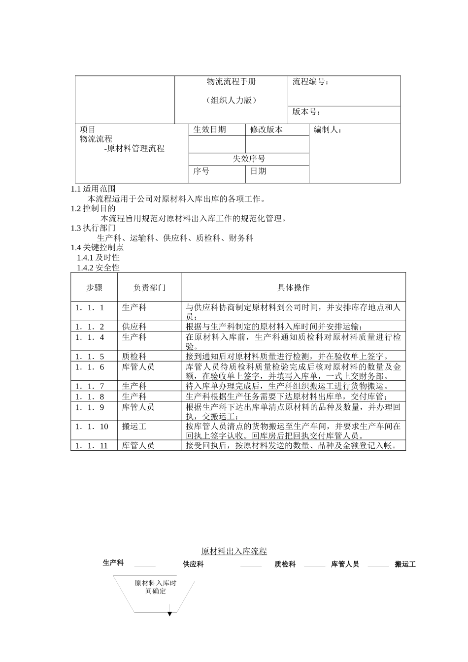
物流流程手册(组织人力版)流程编号:版本号:项目物流流程-原材料管理流程生效日期修改版本编制人:失效序号序号日期1.1适用范围本流程适用于公司对原材料入库出库的各项工作。1.2控制目的本流程旨用规范对原材料出入库工作的规范化管理。1.3执行部门生产科、运输科、供应科、质检科、财务科1.4关键控制点1.4.1及时性1.4.2安全性步骤负责部门具体操作1.1.1生产科与供应科协商制定原材料到公司时间,并安排库存地点和人员;1.1.2供应科根据与生产科制定的原材料入库时间并安排运输;1.1.4生产科在原材料入库前,生产科通知质检科对原材料质量进行检验。1.1.5质检科接到通知后对原材料质量进行检测,并在验收单上签字。1.1.6库管人员库管人员待质检科质量检验完成后核对原材料的数量及金额,在验收单上签字,并填写入库单,一式上交财务部。1.1.7生产科待入库单办理完成后,生产科组织搬运工进行货物搬运。1.1.8生产科生产科根据生产任务需要下达原材料出库单,交付库管;1.1.9库管人员根据生产科下达出库单清点原材料的品种及数量,并办理回执,交搬运工;1.1.10搬运工按库管人员清点的货物搬运至生产车间,并要求生产车间在回执上签字认收。回库房后把回执交付库管人员。1.1.11库管人员接受回执后,按原材料发送的数量、品种及金额登记入帐。原材料出入库流程原材料入库时间确定供应科生产科质检科库管人员搬运工确定原材料使用品种及数量原材料运输单原材料运输单录入台帐结束货物运输质量检验质量检验单品种数量检验入库单货物码放原材料出库单品种数量清点回执货物运送回执回执接收录入台帐结束

1、当您付费下载文档后,您只拥有了使用权限,并不意味着购买了版权,文档只能用于自身使用,不得用于其他商业用途(如 [转卖]进行直接盈利或[编辑后售卖]进行间接盈利)。
2、本站所有内容均由合作方或网友上传,本站不对文档的完整性、权威性及其观点立场正确性做任何保证或承诺!文档内容仅供研究参考,付费前请自行鉴别。
3、如文档内容存在违规,或者侵犯商业秘密、侵犯著作权等,请点击“违规举报”。

碎片内容

原材料出入库流程

确认删除?
VIP
微信客服
  • 扫码咨询
会员Q群
  • 会员专属群点击这里加入QQ群
客服邮箱
回到顶部