电脑桌面
添加小米粒文库到电脑桌面
安装后可以在桌面快捷访问

危化品企业事故隐患排查治理实施导则VIP免费

危化品企业事故隐患排查治理实施导则_第1页
1/31
危化品企业事故隐患排查治理实施导则_第2页
2/31
危化品企业事故隐患排查治理实施导则_第3页
3/31
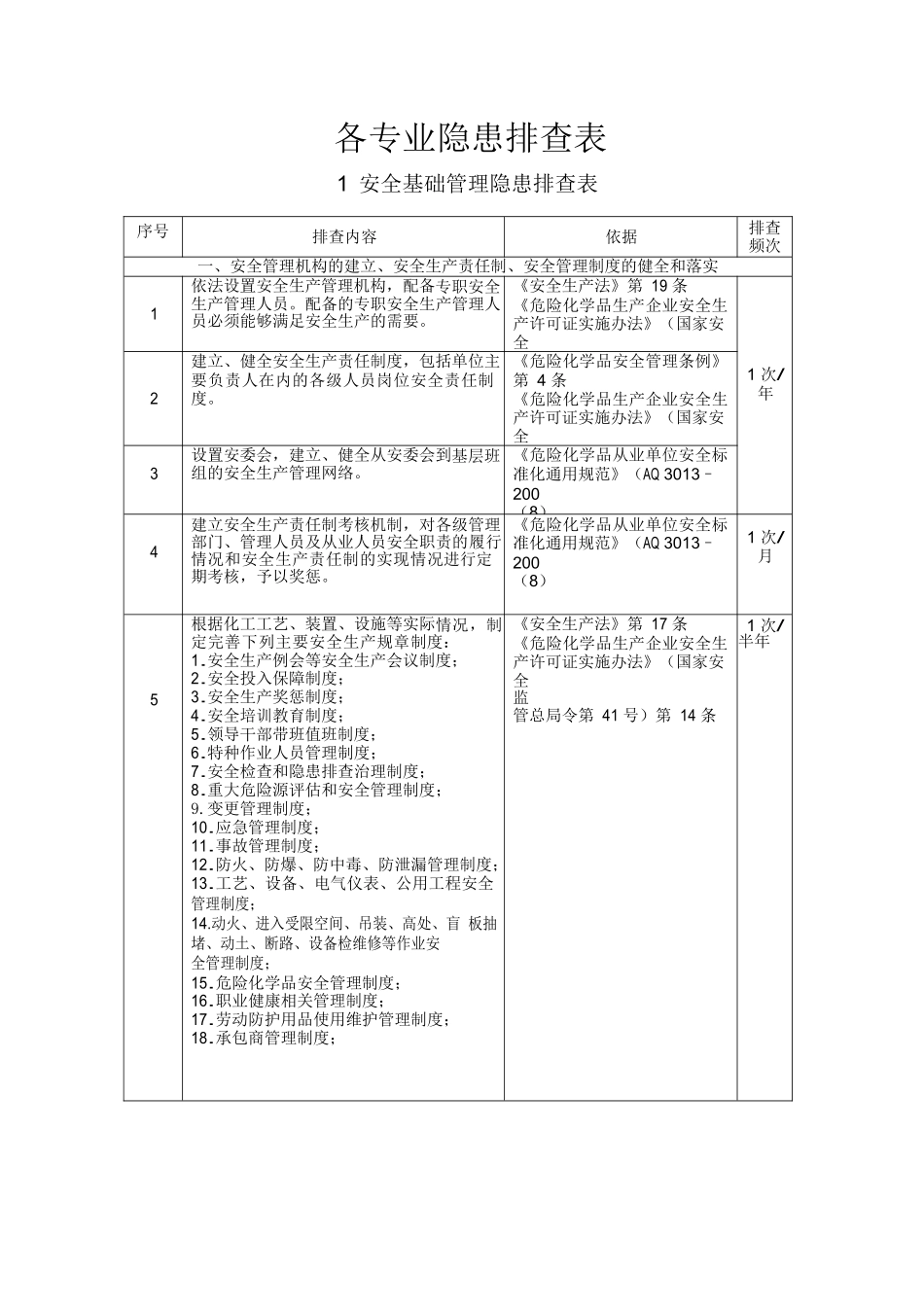
各专业隐患排查表1安全基础管理隐患排查表序号排查内容依据排查频次一、安全管理机构的建立、安全生产责任制、安全管理制度的健全和落实1依法设置安全生产管理机构,配备专职安全生产管理人员。配备的专职安全生产管理人员必须能够满足安全生产的需要。《安全生产法》第19条《危险化学品生产企业安全生产许可证实施办法》(国家安全监管总局令第41号)第12条1次/年2建立、健全安全生产责任制度,包括单位主要负责人在内的各级人员岗位安全责任制度。《危险化学品安全管理条例》第4条《危险化学品生产企业安全生产许可证实施办法》(国家安全监管总局令第41号)第13条3设置安委会,建立、健全从安委会到基层班组的安全生产管理网络。《危险化学品从业单位安全标准化通用规范》(AQ3013–200(8)4建立安全生产责任制考核机制,对各级管理部门、管理人员及从业人员安全职责的履行情况和安全生产责任制的实现情况进行定期考核,予以奖惩。《危险化学品从业单位安全标准化通用规范》(AQ3013–200(8)1次/月5根据化工工艺、装置、设施等实际情况,制定完善下列主要安全生产规章制度:1.安全生产例会等安全生产会议制度;2.安全投入保障制度;3.安全生产奖惩制度;4.安全培训教育制度;5.领导干部带班值班制度;6.特种作业人员管理制度;7.安全检查和隐患排查治理制度;8.重大危险源评估和安全管理制度;9.变更管理制度;10.应急管理制度;11.事故管理制度;12.防火、防爆、防中毒、防泄漏管理制度;13.工艺、设备、电气仪表、公用工程安全管理制度;14.动火、进入受限空间、吊装、高处、盲板抽堵、动土、断路、设备检维修等作业安全管理制度;15.危险化学品安全管理制度;16.职业健康相关管理制度;17.劳动防护用品使用维护管理制度;18.承包商管理制度;《安全生产法》第17条《危险化学品生产企业安全生产许可证实施办法》(国家安全监管总局令第41号)第14条1次/半年2按照规定的安全生产费用使用范围,合理使用安全生产费用,建立安全生产费用台账。安全生产的费用应当按照以下范围使用:1.完善、改造和维护安全防护设施设备支出;2.配备、维护、保养应急救援器材、设备支出和应急演练支出;3.开展重大危险源和事故隐患评估、监控和整改支出;4.安全生产检查、评价(不包括新建、改建、扩建项目安全评价)、咨询和标准化建设支出;5.配备和更新现场作业人员安全防护用品支出;6.安全生产宣传、教育、培训支出;7.安全生产适用的新技术、新标准、新工艺、新装备的推广应用支出;8.安全设施及特种设备检测检验支出;9.其他与安全生产直接相关的支出。危险化学品从业单位安全标准化通用规范(AQ3013–200(8)《企业安全生产费用提取和使用管理办法》第20条三、安全培训教育管理1对从业人员进行安全生产教育和培训,保证从业人员具备必要的安全生产知识,熟悉有关的安全生产规章制度和安全操作规程,掌握本岗位的安全操作技能。从业人员应当接受教育和培训,考核合格后上岗作业;对有资格要求的岗位,应当配备依法取得相应资格的人员。《安全生产法》第21条《生产经营单位安全培训规定》第4条《危险化学品安全管理条例》第4条2采用新工艺、新技术、新材料或者使用新设备,必须了解、掌握其安全技术特性,采取有效的安全防护措施,并对从业人员进行专门的安全生产教育和培训。《安全生产法》第22条3主要负责人和安全生产管理人员应接受专门的安全培训教育,经安全生产监管部门对其安全生产知识和管理能力考核合格,按照有关法律、行政法规规定,需要取得安全资格证书的,取得安全资格证书后方可任职。主要负责人和安全生产管理人员安全资格培训时间不得少于48学时;每年再培训时间不得少于16学时。《生产经营单位安全培训规定》第二章二、企业安全生产费用的提取、使用1按照国家规定提取与安全生产有关的费用,并保证安全生产所必须的资金投入。危险品生产与储存企业以上年度实际营业收入为计提依据,采取超额累退方式按照以下标准平均逐月提取:1.营业收入不超过1000万元的,按照4%提取;2.营业收入超过1000万元至1亿元的部分,按照2%提取;3.营业收入超过1亿元至10亿元的部分,按照0.5...

1、当您付费下载文档后,您只拥有了使用权限,并不意味着购买了版权,文档只能用于自身使用,不得用于其他商业用途(如 [转卖]进行直接盈利或[编辑后售卖]进行间接盈利)。
2、本站所有内容均由合作方或网友上传,本站不对文档的完整性、权威性及其观点立场正确性做任何保证或承诺!文档内容仅供研究参考,付费前请自行鉴别。
3、如文档内容存在违规,或者侵犯商业秘密、侵犯著作权等,请点击“违规举报”。

碎片内容

危化品企业事故隐患排查治理实施导则

确认删除?
VIP
微信客服
  • 扫码咨询
会员Q群
  • 会员专属群点击这里加入QQ群
客服邮箱
回到顶部