电脑桌面
添加小米粒文库到电脑桌面
安装后可以在桌面快捷访问

单层工业厂房设计(原创)VIP免费

单层工业厂房设计(原创)_第1页
1/41
单层工业厂房设计(原创)_第2页
2/41
单层工业厂房设计(原创)_第3页
3/41
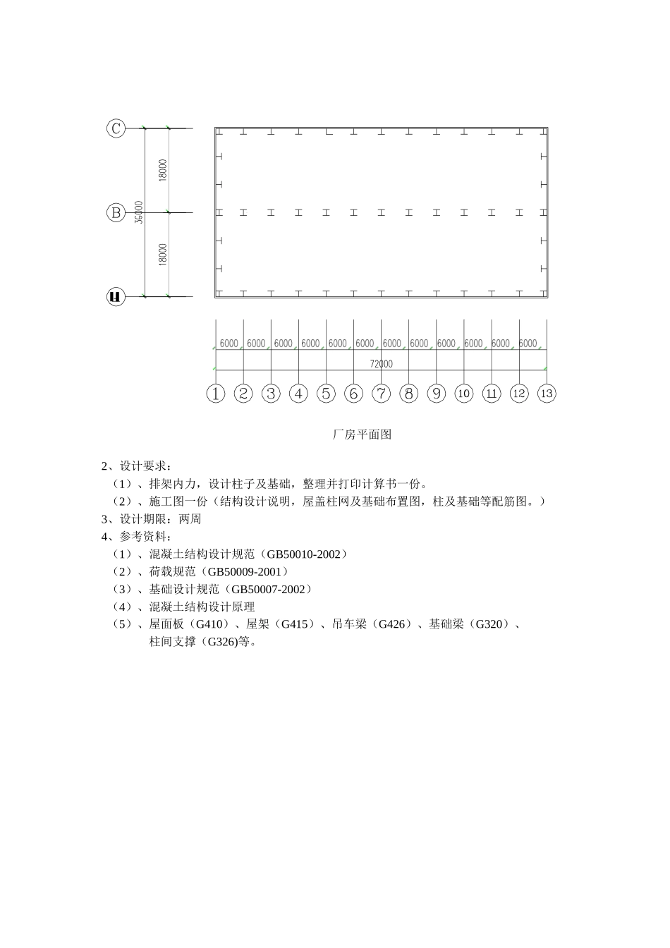
混凝土结构课程设计任务书单层厂房设计1、设计资料(1)、平面图和剖面图:某金工车间为两跨等高厂房,跨度均为18m,柱距均为6m,车间总长度为72m。每跨设有200/50kN吊车各两台,吊车工作级别为A5级,轨顶标高为7.8m,柱顶标高为10.5m。车间平面图和剖面图分别见如下图示。厂房剖面图(2)、建筑构造:屋面:SBS卷材防水保温屋面维护结构:240mm厚双面粉刷围护砖墙门窗:纵墙窗3.6m*4.2m(低窗),3.6m*1.8m(高窗)基础:室内外高差-0.15m,基顶标高—1.0m,素混凝土地面(3)、自然条件:建筑地点:衡阳,无抗震设防要求基本风压:0.4kN/㎡地面粗糙度为B类基本雪压:0.35kN/㎡地质条件:修正后的地基承载力特征值为100kN/㎡~300kN/㎡(4)、材料:混凝土:柱混凝土C25~C30,基础C25钢筋:钢筋等级为Ⅱ级或Ⅲ级(5)、组合系数:活荷载组合值系数Ψc=0.7;风荷载组合值系数取0.6。厂房平面图2、设计要求:(1)、排架内力,设计柱子及基础,整理并打印计算书一份。(2)、施工图一份(结构设计说明,屋盖柱网及基础布置图,柱及基础等配筋图。)3、设计期限:两周4、参考资料:(1)、混凝土结构设计规范(GB50010-2002)(2)、荷载规范(GB50009-2001)(3)、基础设计规范(GB50007-2002)(4)、混凝土结构设计原理(5)、屋面板(G410)、屋架(G415)、吊车梁(G426)、基础梁(G320)、柱间支撑(G326)等。摘要:单层工业厂房是形式简单的建筑结构物之一。单层工业厂房设计的主要任务是排架柱和基础设计及配筋计算。首先要充分了解设计任务,并根据相关资料选择合适的构件和确定柱网、基础的平面布置,然后对构件进行内力分析、内力组合进而设计截面、选择配筋并写出计算书,最后根据规范绘制施工图和注写图纸说明。主要计算内容是排架内力的分析计算与组合。关键词:排架柱基础计算书内容一、结构方案及主要承重构件选型根据厂房跨度,柱顶高度及吊车起吊量大小,本车间采用钢筋混凝土排架结构,结构平面图如图一所示:图一、厂房结构布置图为了保证屋盖的整体性和空间刚度,屋盖采用无檩体系,根据厂房具体条件柱间支撑设置如图二所示:图二、厂房平面和柱间支撑布置图厂房各主要构件选型见下表构件名称标准图集选用型号重力荷载标准值容许荷载预应力混凝土屋面板G410(一)1.5*6mYWB-3Ⅱ(中间跨)YWB-3Ⅱs(端跨)1.5KN/㎡(包含灌缝重)3.65KN/㎡预应力混凝土折线型屋架G415(一)YWJ18-2-Aa69KN/榀0.05KN/㎡(屋盖钢支撑)4.5KN/m预应力卷材防水天沟板G410(三)TGB68-11.91KN/㎡钢筋混凝土吊车梁04G323(二)DL-9Z(中间跨)DL-9B(边跨)39.5KN/根40.8KN/根吊车轨道及轨道连接构件04G325DGL-100.8KN/m钢筋混凝土基础梁04G320JL-1(5.5~14.5m整体)JL-3(5.5~18.0m有窗)16.1KN/根预埋件04G362详见施工图5.24KN/㎡柱间支撑05G336详见施工图由图一知柱顶标高10.5m,牛腿顶面标高6.6m,室内地面至基础顶面的距离为1.0m.,则计算简图中柱的的总高度H、下柱高度Hl和上柱高度Hu分别为:H=10.5+1.0=11.5mHl=6.6+1.0=7.6mHu=11.5-7.6=3.9m根据柱的高度、吊车起重量及工作级别等条件,可由表2.4.2并参考表2.4.4确定柱截面尺寸见下表:计算参数柱号截面尺寸/mm面积/mm2惯性矩/mm4自重/(KN/m)A,C上柱矩400*4001.6*10521.3*1084.0下柱Ⅰ400*800*100*1501.775*105143.8*1084.44B上柱矩400*6002.4*10572*1086.0下柱Ⅰ400*800*100*1501.775*105143.8*1084.44本例仅取一榀排架进行计算,计算单元和计算简图如下图三所示:图三、排架计算简图二、荷载计算1.恒载(1)、屋盖恒载SBS防水卷材0.25KN/㎡20mm厚水泥砂浆找平层20KN/㎡*0.02m=0.40KN/㎡20~30mm厚挤塑板保温层0.10KN/㎡20mm厚水泥砂浆找平层20KN/㎡*0.02m=0.40KN/㎡预应力混凝土屋面板屋面板(包含灌缝重)1.50KN/㎡屋盖钢支撑0.05KN/㎡共计:2.70KN/㎡屋架重力荷载为69KN/榀,则作用于柱顶的屋盖结构重力荷载设计值为:G1=1.2*(2.70KN/㎡*6m*18/2+69/2)=216.36KN(2)、吊车梁及轨道重力荷载设计值G3=1.2*(39.5KN+0.8KN/m*6m)=53.16KN(3)、柱自重重力荷载设计值A,C柱:上柱:G4A=G4C=1.2*4KN/m*3.9m=18.72KN下柱:G5A=G5C=1.2*4.44KN...

1、当您付费下载文档后,您只拥有了使用权限,并不意味着购买了版权,文档只能用于自身使用,不得用于其他商业用途(如 [转卖]进行直接盈利或[编辑后售卖]进行间接盈利)。
2、本站所有内容均由合作方或网友上传,本站不对文档的完整性、权威性及其观点立场正确性做任何保证或承诺!文档内容仅供研究参考,付费前请自行鉴别。
3、如文档内容存在违规,或者侵犯商业秘密、侵犯著作权等,请点击“违规举报”。

碎片内容

单层工业厂房设计(原创)

您可能关注的文档

确认删除?
VIP
微信客服
  • 扫码咨询
会员Q群
  • 会员专属群点击这里加入QQ群
客服邮箱
回到顶部