电脑桌面
添加小米粒文库到电脑桌面
安装后可以在桌面快捷访问

钢结构工程施工质量控制监理实施细则VIP免费

钢结构工程施工质量控制监理实施细则_第1页
1/15
钢结构工程施工质量控制监理实施细则_第2页
2/15
钢结构工程施工质量控制监理实施细则_第3页
3/15
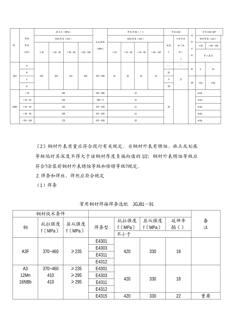
钢构造工程施工质量控制监理施行细那么钢构造工程包括工业与民用建筑与一般构筑物的单层、多层、高层以及轻型和网架等钢构造安装工程和钢构造制作工程。一、钢构造工程的预控内容〔一〕审查设计图纸和组织施工图纸的设计交底会。审核和熟悉施工图纸检查图纸设计的深度能否满足施工的要求核对图纸上构件的数量和安装尺寸检查构件之间有无矛盾等;审查工艺在技术上是否合理构造是否便于施工图纸上的技术要求按加工的施工程度能否实现等。将设计图纸中影响施工顺利进展、图纸过失和工程质量等问题汇总起来组织业主、施工召开图纸预审会把有关问题归纳整理好。进而及时组织设计交底、图纸会审会并做好记录形成。〔二〕审核施工的资质、施工理人员、技术人员的资格、特殊技术工种的上岗证必要时应进展施工业绩考察。〔三〕审核施工提交的施工组织设计着重审核技术组织措施如现场安装图、质保措施、各工种工序协调措施、季节性施工措施、平安施工措施等。经监理部认定前方可进展施工。〔四〕安装前应按构件表核对进厂的构件查验合格证和设计;应对钢构件的质量进展检查发现变形、缺陷超出允许偏向时催促施工进展处理。在运输、存放和安装过程中损坏的涂层以及安装连接件部位按规定补涂。检查钢构造外表上的油污、冰雪、泥砂和灰尘等物必须清理干净。〔五〕安装前设计要求进展试验时试验应符合相应的设计要求。〔六〕安装前对建筑物的定位轴线、根底轴线和标高、地脚螺栓位置等进展检查并进展根底检测和交接验收。交接验收应符合以下规定:根底砼强度到达设计要求;根底周围回填夯实完毕;根底的轴线标志和标高基准点准确、齐全。〔七〕根底顶面直接作为柱的支承面和根底顶面预埋钢板或支座作为柱的支承面时基承面和地脚螺栓〔锚栓〕的允许偏向应符合以下规定:工程允许偏向〔mm〕支承面标高±3.0程度度L/1000地脚螺栓〔锚栓〕螺栓中心偏移5.0螺栓露出长度+20.00螺栓长度±20.00预留孔中心偏移〔八〕钢构造工程所采用的材料必须有新质量证明书、出厂合格证、准用证、复试单并符合设计要求。严禁使用假冒伪劣不合格新严把质量关。1.钢材〔1〕对重要的钢构造或对钢材质量有疑义时应作抽样检验。?碳素构造钢?GB700—88规定的Q235钢?低合金构造钢?GB1591—88规定的16Mn的机械性能和化学成分应符合下表规定。钢材的化学成分GB700—88GB1591—88钢等级化学成分〔〕CMnSiSP≯Q235A0.14—0.220.30—0.65≯0.300.0500.045B0.12—0.200.30—0.700.045C≤0.180.35—0.800.0400.040D≤0.170.0350.03516Mn0.12—0.201.20—1.600.20—0.550.0450.045钢材的机构性能GB700—88GB1591—88钢等级厚度〔mm〕屈从点〔MPa〕抗拉强度〔MPa〕伸长率85〔〕≮冲击试验试件方向冷弯试验180°钢板厚度〔mm〕钢板厚度〔mm〕温度℃V型冲击功〔纵向〕J钢材厚度〔mm〕≤16>16—40>40—60>60—100≤16>16—40>40—60>60—100≤60>80—100弯心直径Q25A235225215205375—50026252423————纵a2aB2027C0横1.5a2.5aD-2016Mn>16345510—6602220d=2a>16—25325490—021d=3a>25—36315470—62021d=3a>36—50295470—62021d=3a>50—100275470—62020d=3a〔2〕钢材外表质量应符合现行有关规定。当钢材外表有锈蚀、麻点或划痕等缺陷时其深度不得大于该钢材厚度负偏向值的1/2;钢材外表锈蚀等级应符合?涂装前钢材外表锈蚀等级和除锈等级?规定。2.焊条和焊丝、焊剂应符合规定(1)焊条常用钢材焊接焊条选配JGJ81—91钢材技术条件备注钢抗拉强度f〔MPa〕屈从强度f〔MPa〕焊条型抗拉强度f〔MPa〕屈从强度f〔MPa〕延伸率δ5〔〕不小于A3F370~460≥235E430142033018E4303E4311E4312A312Mn16NBb370~460410410≥235≥295≥295E430142033018E4303E4311E4312E431542033022重要构造用E431616Mn16MnCu14MnNb470~510470470~490≥345≥345≥345E501049039022E5011E5003E501549039022重要构造用E501615MnV15MnTi530530≥300≥300E550354044016E5510E5513E5515E5516(2)焊丝、焊剂选用埋弧焊剂焊丝的匹配JGJ81—91编埋弧焊用焊剂、焊丝CO2气体保护焊用焊丝备注A3HJ401—H08HJ401—H08AH08Mn2Si16Mn16MnCu14MnNbHJ402—H08AH08Mn2SiH08A...

1、当您付费下载文档后,您只拥有了使用权限,并不意味着购买了版权,文档只能用于自身使用,不得用于其他商业用途(如 [转卖]进行直接盈利或[编辑后售卖]进行间接盈利)。
2、本站所有内容均由合作方或网友上传,本站不对文档的完整性、权威性及其观点立场正确性做任何保证或承诺!文档内容仅供研究参考,付费前请自行鉴别。
3、如文档内容存在违规,或者侵犯商业秘密、侵犯著作权等,请点击“违规举报”。

碎片内容

钢结构工程施工质量控制监理实施细则

确认删除?
VIP
微信客服
  • 扫码咨询
会员Q群
  • 会员专属群点击这里加入QQ群
客服邮箱
回到顶部