电脑桌面
添加小米粒文库到电脑桌面
安装后可以在桌面快捷访问

土建工程监理细则VIP免费

土建工程监理细则_第1页
1/21
土建工程监理细则_第2页
2/21
土建工程监理细则_第3页
3/21
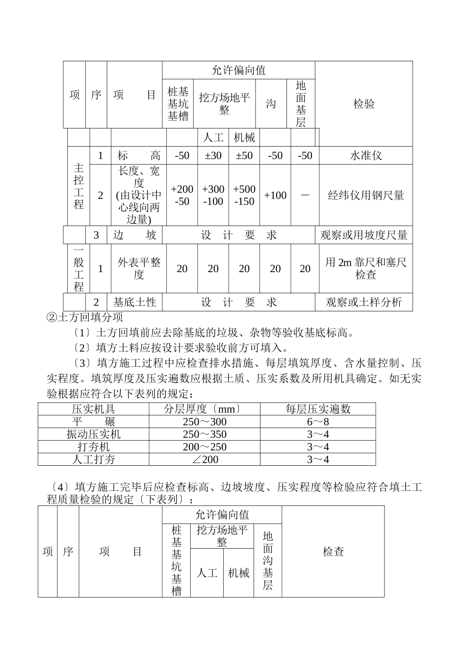
一、地基与根底工程1、专业工程特点2、监理工作流程3监理工作控制目的机控制要点4、监理工作及措施二、主体构造分部1、专业工程特点2、监理工作流程3监理工作控制目的机控制要点4、监理工作及措施三、建筑装饰装修分部1、专业工程特点2、监理工作流程3监理工作控制目的机控制要点4、监理工作及措施土建工程监理细那么一:地基与根底工程1:土方开挖及土方回填监理工作特点、监理工作流程、监理工作的控制要点及目的值、监理工作的及措施1〕监理工作特点:1、土方开挖是在原厂房回填土根底上开挖2、开挖点较多深度各不同。2〕监理工作流程3〕监理工作的控制要点及目的值3.1土方开挖分项(1)基底超挖:开挖基坑或沟不得超过基底标高;〔2〕基底未做保护:基坑开挖后应尽量减少对基土的扰动。如根底不能及时施工时应在基底标高以上留200厚土层待做根底时再挖并进展人工清槽。〔3〕开挖尺寸缺乏:基坑和沟底部的开挖宽度除构造宽度处应根据施工需要增加工作面的宽度;〔4〕基坑和沟边坡不平不直基底不平:应加强检查随挖随修并要认真验收。〔5〕深基坑开挖前根据实际情况审核降水方案并开挖方案和边坡维护方案土方回填分项〔1〕回填土下沉:因虚铺土超过规定厚度或夯实不够甚至漏夯。坑底杂物或落土清理不干净这些问题均应在施工中认真执行规定发现后及时纠正。〔2〕回填土夯压不实:应分析原因换土重夯。〔3〕道下部夯填不实:道下部应按要求填夯实夯不实会造成道下部空虚造成道折断而渗漏。4〕监理工作的及措施①土方开挖分项〔1〕土方开挖前检查定位放线、施工方案等〔2〕施工过程应检查平面位置程度标高边坡坡度等并随时观察、观测周围的环境变化。〔3〕根据施工现场的土的类别挖方的放坡系数应符合“建筑工程工程量计算规那么〞的规定。〔4〕土方开挖工程质量检验〔mm〕:项序项目允许偏向值检验桩基基坑基槽挖方场地平整沟地面基层人工机械主控工程1标高-50±30±50-50-50水准仪2长度、宽度(由设计中心线向两边量)+200-50+300-100+500-150+100-经纬仪用钢尺量3边坡设计要求观察或用坡度尺量一般工程1外表平整度2020202020用2m靠尺和塞尺检查2基底土性设计要求观察或土样分析②土方回填分项〔1〕土方回填前应去除基底的垃圾、杂物等验收基底标高。〔2〕填方土料应按设计要求验收前方可填入。〔3〕填方施工过程中应检查排水措施、每层填筑厚度、含水量控制、压实程度。填筑厚度及压实遍数应根据土质、压实系数及所用机具确定。如无实验根据应符合以下表列的规定:压实机具分层厚度〔mm〕每层压实遍数平碾250~3006~8振动压实机250~3503~4打夯机200~2503~4人工打夯∠2003~4〔4〕填方施工完毕后应检查标高、边坡坡度、压实程度等检验应符合填土工程质量检验的规定〔下表列〕:项序项目允许偏向值检查桩基基坑基槽挖方场地平整地面沟基层人工机械主控工程1标高-50±30±50-50水准仪2分层压实系数设计要求按规定一般工程1回填土料设计要求直观鉴别2分层厚度及含水量设计要求水准仪及抽样3外表平整度20203020靠尺或水准尺2地下防水分项工程GB5020802J3011〕监理工作特点:1.进步了水性和疏水性2.价格廉价2〕监理工作流程3〕监理工作的控制要点及目的值水泥砂浆防水层适用于混凝土或砌体构造的基层上采用多层抹面的水泥砂浆防水层。不适用环境有侵蚀性、持续振动或温度高于80℃的地下工程。1砂宜采用中砂粒径3mm以下含泥量不得大于1%硫化物和硫酸盐含量不得大于1%;2水应采用不含有害物质的干净水;3聚合物乳液的外观质量无颗粒、异物和凝固物;5外加剂的技术性能应符合或行业一等品及以上的质量要求水泥浆防水层的基层质量应符合以下要求:1水泥砂浆铺抹前基层的混凝土和砌筑砂浆强度应不低于设计值的80%;2基层外表应坚实、平整、粗糙、干净并充分潮湿无积水;3基层外表的孔洞、缝隙应用与防水层一样的砂浆填塞抹平。水泥砂浆防水层施工应符合以下要求:1分层铺抹或喷涂铺抹时应压实、抹平和外表压光;2防水层各层应严贴合每层宜连续施工必须留施工缝时应采用阶梯坡形槎但分开阴角外不得小于200mm;3防水层的阴角处应做成圆弧形;4水泥砂浆终凝后应及时进展养护养护温度不宜...

1、当您付费下载文档后,您只拥有了使用权限,并不意味着购买了版权,文档只能用于自身使用,不得用于其他商业用途(如 [转卖]进行直接盈利或[编辑后售卖]进行间接盈利)。
2、本站所有内容均由合作方或网友上传,本站不对文档的完整性、权威性及其观点立场正确性做任何保证或承诺!文档内容仅供研究参考,付费前请自行鉴别。
3、如文档内容存在违规,或者侵犯商业秘密、侵犯著作权等,请点击“违规举报”。

碎片内容

土建工程监理细则

确认删除?
VIP
微信客服
  • 扫码咨询
会员Q群
  • 会员专属群点击这里加入QQ群
客服邮箱
回到顶部