电脑桌面
添加小米粒文库到电脑桌面
安装后可以在桌面快捷访问

数控实训报告VIP免费

数控实训报告_第1页
1/38
数控实训报告_第2页
2/38
数控实训报告_第3页
3/38
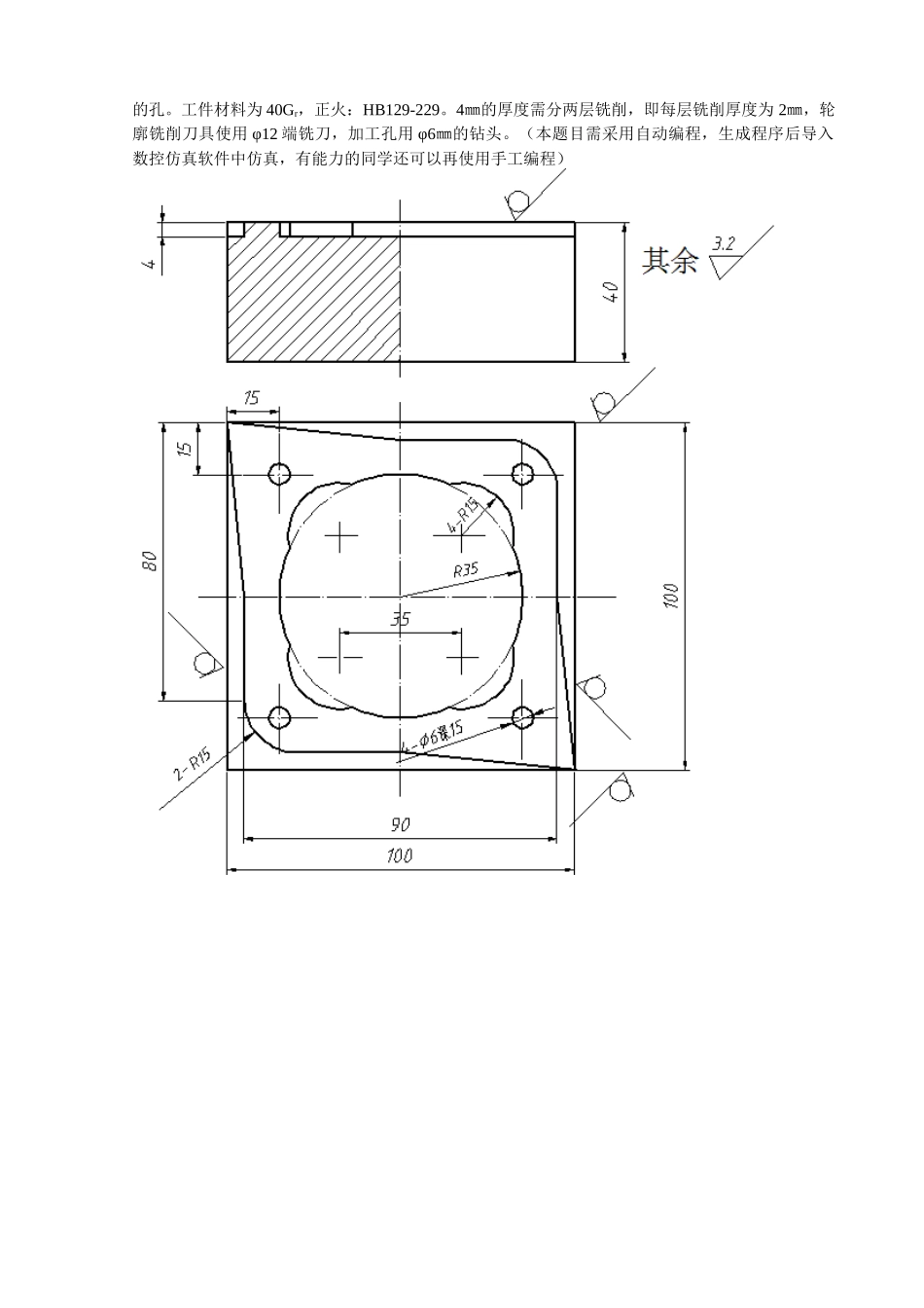
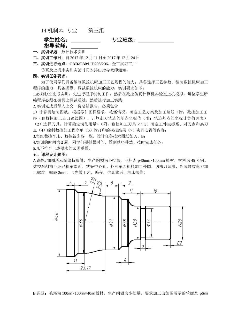
XX大学数控技术实训报告设计者:指导教师:学号:2018年1月1日数控技术实训任务书14机制本专业第三组学生姓名:专业班级:指导教师:一、实训课题:数控技术实训二、实训工作日:自2017年12月11日至2017年12月24日三、实训进行地点:CAD/CAMJD205/206、金工实习工厂仿真及上机床实训实验时间安排由指导教师通知。四、实训任务要求:为了使同学们具备编制数控机床加工工艺规程的能力;具备选择工艺参数、编制数控机床加工程序的能力;具备操纵、调试数控机床的能力;实训要求如下:1.必须独立完成实训,先进行程序编制工作,然后在数控仿真计算机实验室上机模拟,每位学生所编程序必须在微机上调试通过,然后进行加工实践;2.实训完成后每人上交一份总结报告。必须包含1)计算机绘制图纸,根据零件图样要求、毛坯情况,确定工艺方案及加工路线(附:数控加工工序卡和数控加工走刀路线图),计算走刀轨迹的基点坐标值(附:轨迹基点的坐标计算值列表)(2)选择刀具,计算确定切削用量+(附:数控加工刀具卡)3)确定工件坐标系、对刀点和换刀点(4)编制数控加工程序单(6)附打印的模拟结果(7)实训心得等内容;3.每组数控车床、数控铣床各一题,设计任务技术图纸如A、B;4.实训的时间为2周,同学们要抓紧时间,做到秩序井然、按时完成任务;5.凡不符合上述要求的必须重做。五、课程设计题图:A课题:如图所示螺纹特形轴,生产纲领为小批量,毛坯为φ40mm×100mm棒材,材料为45号钢。数控车削前毛坯已粗车端面、钻好中心孔。外圆车刀粗精加工外圆,切槽刀切槽,外圆螺纹车刀加工螺纹,螺距2mm。(先做工艺,编程,仿真然后上机床操作)B课题:毛坯为100㎜×100㎜×40㎜板材,生产纲领为小批量,要求加工出如图所示的轮廓及φ6㎜的孔。工件材料为40Gr,正火:HB129-229。4㎜的厚度需分两层铣削,即每层铣削厚度为2㎜,轮廓铣削刀具使用φ12端铣刀,加工孔用φ6㎜的钻头。(本题目需采用自动编程,生成程序后导入数控仿真软件中仿真,有能力的同学还可以再使用手工编程)摘要生产实习是我们自动化专业教学结构中不可缺少的组成部分,也是我们大学教育的一个重要环节。虽然时间只有短短的1周,但在实习中我学到了很多在课堂没学到的知识,受益匪浅。这次实习在于通过对数控技术和加工的亲身实习使学生做到理论联系实际,培养吃苦耐劳的精神,使学生能更多的接触社会、了解产业状况、了解国情。生产实习不仅可以逐步实现由学生到社会的转变,还可以扩大学生知识面,培养我们初步担任技术工作的能力、初步了解企业管理的基本方法和技能;体验企业工作的内容和方法。这些实际知识、经验只有参与了生产实习才能学到和体会到。这些经验知识对我们以后的学习乃至以后的工作,都是十分必要的基础。关键字:数控技术,实习,基础ABSTRACTTheproductionpracticeisanindispensablepartintheteachingstructureofMechanicalDesignManufactureandAutomation,andalsoanimportantpartofEducationinouruniversity.Inspiteofonlyashorttimeinaweek,butIlearnedalotofknowledgeandbenefitthatwhatwecannotgetintheclassroom.ThistimeofpracticeisbasedonCNCtechnologyandprocessingpersonalpracticetoenablestudentstocombinetheorywithpractice,cultivatethespiritofhardworking,enablethestudentstogetmoresocialcontactandalsounderstandtheindustrysituation,understandofnationalconditions.Theproductionpracticecannotonlygraduallyfromastudenttoasocialchange,alsocanexpandthestudentssomeknowledge,cultivateourpreliminaryastechnicalabilitytowork,apreliminaryunderstandingofthebasicmethodsandbusinessmanagementskills,thecontentandmethodofenterpriseworkexperience.Thesepracticalknowledgeandexperienceonlyparticipatedintherealproductionpractice,inordertolearnandexperience.Thesepracticeandknowledgeforourfuturestudyandwork,itisanverynecessaryfoundation.KEYWORDS:CNCPracticeFoundation目录目录前言.....................................................................

1、当您付费下载文档后,您只拥有了使用权限,并不意味着购买了版权,文档只能用于自身使用,不得用于其他商业用途(如 [转卖]进行直接盈利或[编辑后售卖]进行间接盈利)。
2、本站所有内容均由合作方或网友上传,本站不对文档的完整性、权威性及其观点立场正确性做任何保证或承诺!文档内容仅供研究参考,付费前请自行鉴别。
3、如文档内容存在违规,或者侵犯商业秘密、侵犯著作权等,请点击“违规举报”。

碎片内容

数控实训报告

确认删除?
VIP
微信客服
  • 扫码咨询
会员Q群
  • 会员专属群点击这里加入QQ群
客服邮箱
回到顶部